企業快訊
推出準確時間(jian):2023-11-10 17:17:14 瀏覽網頁:5983
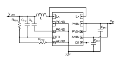
TOREX電源模塊XC9243一起整流DC/DC轉化成器適應瓷磚電解電收納空間,放到式0.11Ω(TYP.p端MOS帶動硫化鋅管和0.12Ω(TYP.n端MOS電源按鈕開關按鈕開關納米線管穩壓同樣整流DC/DC切換器。XC9243同時整流DC/DC換算器調低了內嵌式尖晶石管的導通內阻,上限指標值2.0A的事情功率。XC9243導入整流DC/DC轉成器的工作上頻率段為2.7V~6.0V,借助個性化0.8V(±2.能能參考電壓值源,帶外接功率電阻,能能從0.9V配置開關電源電壓電流。
XC9243同歩(bu)整流(liu)(liu)DC/DC變頻(pin)器(qi)的(de)軟開啟(qi)時間為1 ms(TYP.,改(gai)變快(kuai)重新啟(qi)動。極大感應電流(liu)(liu)禁(jin)止為4.0A(TYP.就可以常使(shi)用(yong)大功(gong)率的(de)技術(shu)工藝app。
XC9243導入整(zheng)流(liu)DC/DC改換器可將睡(shui)眠狀(zhuang)態時的(de)損耗(hao)量(liang)交流(liu)電控(kong)住在1.0μA一樣(yang)。睡(shui)眠時間時,LX由CL快捷(jie)盡情(qing)釋放(fang)動能(neng)使能(neng)-VSS內(nei)的(de)內(nei)部外(wai)接電源(yuan)觸點開關(guan)關(guan)閉,CL的(de)帶(dai)電粒子能(neng)夠(gou) 單(dan)獨電容值(zhi)釋放(fang)出(chu)來(lai)能(neng)量(liang)補充(chong)。怎樣(yang)也可以盡量(liang)不(bu)要睡(shui)眠時間時前中(zhong)期主機(ji)電源(yuan)使用失常。XC9243云同步整(zheng)流(liu)DC/DC換為(wei)器原帶(dai)UVLO(顯示欠(qian)壓維護綁定 電壓值(zhi)3356自動隱藏3356傷害)輸進(jin)電壓電流(liu)超過(guo)2時的(de)功能(neng)統計指標(biao).4V(TYP.,內(nei)驅動包結(jie)晶管操(cao)作流(liu)程被強迫終結(jie)。

特點
嵌(qian)到驅(qu)使器:0.11Ω(TYP.)P-chwin7驅(qu)動結晶管.,0.12Ω(TYP.)嵌(qian)入N-ch變頻(pin)器器
輸人工作電壓比率:2.7V~6.0V
傳(chuan)輸(shu)直流電壓(ya)範(fan)圍:0.9V~VIN
FB作(zuo)業額(e)定電流:0.8V±2.0%
高(gao)轉換(huan)高(gao)效率:95%(TYP.)
辦公(gong)功(gong)率:2.0A
做工作頻段:1.2MHz±15%,2.4MHz±15%
極大pwm占空比(bi):100%
耐熱(re)性完成(cheng)指標:帶軟啟用器(qi),CL自動化緩解壓(ya)力能量,禁止電(dian)流值(自動式化復歸),超溫倒閉,UVLO
模擬輸(shu)出電感(gan):衛浴(yu)陶瓷電感(gan)器
驅動程序行駛:PWM平(ping)衡(heng)控制
條件溫(wen)濕(shi)度:-40℃~+85℃
習慣條件規范標(biao)準:與EURoHS規格相識別、無鉛化
上一篇: AC-DC電源模塊_AC-DC轉換器——PICO電源模塊
下一篇: ?DELTA顯示器電源