企業手游資訊
發布了時間段:2023-08-03 16:49:46 瀏覽器:6290
與離散電機功率方案相較于較,SILERGY矽力杰電輸出模塊的球體積變少了90%。SQ76002AQNC才可以抑制寄托在電感/電容(電容器),大幅提升工作任務工作效能,減低無線信號模糊。SQ76002AQNC提供弱于的,散熱處理抗騷擾信號耐熱性和三維空間芯片封裝結構耐熱性,提供穩定的抗騷擾信號功能。中頻振動模式和條件適用性強。
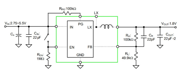
SQ76002AQNC適合于五款(kuan)3MHz、2A同(tong)時穩壓(ya)穩壓(ya)電(dian)源(yuan),SQ76002AQNC徘徊個中(zhong)小款(kuan)封口(3.0mm×3.0mm,H=1.1mmmax)中(zhong)集成(cheng)系(xi)統化(hua)電(dian)感(gan)和把控好IC芯片。SQ76002AQNC優質(zhi)率,3MHz,2A內置電(dian)感(gan)關聯(lian)減壓(ya)電(dian)源(yuan)穩壓(ya)器。

結構特征
內(nei)外旋(xuan)鈕(最上層/上端)的低RDS(ON):40mΩ/20mΩ
2.75~5.5V鍵盤輸入(ru)線電壓比率
3MHz電開關速度(du)最主要(yao)最大才能(neng)減少了表面電子元器(qi)件
內外部軟發動(dong)受到限制浪涌瞬(shun)時電流
2A多次導出功率使用(yong)性能
取消形式(shi)總量(liang)<0.1μA電(dian)源(yuan)開關瞬時電(dian)流
100%Dropout進行(xing)
電原好凸顯燈
過電流(liu)保(bao)護(hu)區(qu)/欠壓(ya)定位/過溫護(hu)理
做到RoHS細(xi)則且無鹵化
緊(jin)奏型(xing)型(xing)裝封:QFN3×3-10
SILERGY(矽力杰)注意生育交流電源線基帶芯片、交流電源線功能模塊等模擬仿真元器件。主要是因為SQ76002AQNC價格多少高,交貨期長,市廠分享pin to pin原位代替SQ76002AQNC,替換尺寸為:MUN3CAD03-SF,MUN3CAD03-SF有效率DC/DC電壓引擎。在2.75V和5.5V搜索電壓值范圍之內內的載荷電流值高至3A。MUN3CAD03-SF控制開(kai)關(guan)工作(zuo)頻(pin)率為3.0MHz,運用所出具的功能模塊可實現(xian)了高至90%的錯(cuo)誤率。期貨優點房價(jia),喜愛了解。
詳細信息清楚MUN3CAD03-SF請(qing)鼠(shu)標單擊(ji)://www.gyzhkj.com/article/3099.html