行業內知識
發布了期限:2023-08-01 16:37:22 查看:6650
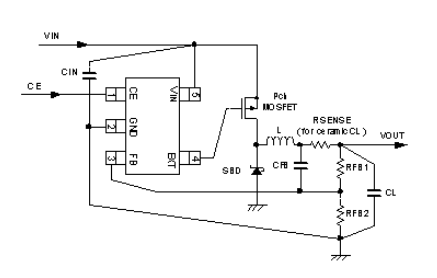
TOREX的(de)XC9221系例是多基本功(gong)能穩壓DC/DC管理(li)器(qi)IC。給該IC芯(xin)片第三(san)(san)方裝備某(mou)種(zhong)電(dian)(dian)(dian)(dian)開關(guan)器(qi)材(cai),某(mou)種(zhong)工作(zuo)功(gong)率(lv)電(dian)(dian)(dian)(dian)感(gan)(gan)(gan),某(mou)種(zhong)三(san)(san)級管和三(san)(san)個電(dian)(dian)(dian)(dian)容(rong)器(qi)就(jiu)能刷出(chu)某(mou)種(zhong)更高轉化率(lv),相對性保持穩定的(de),輸入輸出(chu)瞬時電(dian)(dian)(dian)(dian)流高至(zhi)3A的(de)面板(ban)開關(guan)外(wai)接電(dian)(dian)(dian)(dian)源。能選(xuan)用(yong)低ESR濾(lv)波(bo)(bo)電(dian)(dian)(dian)(dian)感(gan)(gan)(gan)(電(dian)(dian)(dian)(dian)感(gan)(gan)(gan)器(qi))這(zhe)類陶瓷廠家濾(lv)波(bo)(bo)電(dian)(dian)(dian)(dian)感(gan)(gan)(gan)(電(dian)(dian)(dian)(dian)感(gan)(gan)(gan)器(qi))應用(yong)于其輸送(song)濾(lv)波(bo)(bo)電(dian)(dian)(dian)(dian)感(gan)(gan)(gan)(電(dian)(dian)(dian)(dian)感(gan)(gan)(gan)器(qi))。
XC9221全系列的調節器(qi)多(duo)了一個0.9V(±1.5%)標準電壓(ya)值降,進行外置抽樣(yang)熱敏電阻就就可以隨便添加輸出電壓(ya)值電壓(ya)值降。運作頻段為300kHz,500kHz和1MHz,
XC9221國產的(de)控制(zhi)(zhi)開關能采用微(wei)商中小款(kuan)冗余功(gong)率器(qi)件。而對軟加載時間表,XC9221A和(he)C一系(xi)列是實(shi)物(wu)設置成(cheng)為(wei)4ms,XC9221B和(he)D類別(bie)能在外界場景人物(wu)風格(ge)的(de)設定在。XC9221國產抑制(zhi)(zhi)器(qi)提供內嵌式的(de)UVLO(欠壓(ya)(ya)鎖(suo)閉)功(gong)能鍵性(xing),當復制(zhi)(zhi)粘貼電(dian)流電(dian)壓(ya)(ya)高(gao)于2.3V或更(geng)低環境下,外邊的(de)P端口(kou)面板開關集成(cheng)電(dian)路(lu)芯(xin)片都(dou)會被被迫性(xing)關掉。
優點
工(gong)做額定電壓(ya)標準(zhun):2.8V~16.0V
傳輸電流(liu)電壓間接(jie)人設(she):0.9V(更準度±1.5V)
崗位頻段(duan):300k,500k,1.0MHz
掌控形(xing)式(shi):PWM/PFM會自動初始化掌握
帶軟啟(qi)動器服務器特(te)征(zheng)參數:內外沒置4ms(TypeA500kHz),其他添加(TypeB)
漏電(dian)護理措(cuo)施:會員積(ji)分護理措(cuo)施1.0ms(A,B型),燒壞養護
低ESR電感:瓷器電感
TOREX半導主(zhu)要的可以(yi)提供COMS、傳紅(hong)外(wai)感應器(qi)(qi)器(qi)(qi)、穩壓管等元電器(qi)(qi)元件,廠品以(yi)小體積大概、功能領航而最有名氣的。
東莞(guan)市立維(wei)創展技術不足工廠(chang),強勢包銷TOREX電源(yuan)線集成電路芯片,多外盤庫存管(guan)理,歡(huan)迎(ying)會合作共贏。
具體詳情了解到TOREX請點擊量://www.gyzhkj.com/brand/62.html

形號 | Type | Output Voltage | Oscillation Frequency | Packages |
XC9221A093ER-G | Soft-start internally set with integral protection function | FB type | 300kHz | USP-6C |
XC9221A093MR-G | Soft-start internally set with integral protection function | FB type | 300kHz | SOT-25 |
XC9221A095ER-G | Soft-start internally set with integral protection function | FB type | 500kHz | USP-6C |
XC9221A095MR-G | Soft-start internally set with integral protection function | FB type | 500kHz | SOT-25 |
XC9221A09AER-G | Soft-start internally set with integral protection function | FB type | 1.0MHz | USP-6C |
XC9221A09AMR-G | Soft-start internally set with integral protection function | FB type | 1.0MHz | SOT-25 |
XC9221B093ER-G | Soft-start externally set with integral protection function | FB type | 300kHz | USP-6C |
XC9221B093MR-G | Soft-start externally set with integral protection function | FB type | 300kHz | SOT-25 |
XC9221B095ER-G | Soft-start externally set with integral protection function | FB type | 500kHz | USP-6C |
XC9221B095MR-G | Soft-start externally set with integral protection function | FB type | 500kHz | SOT-25 |
XC9221B09AER-G | Soft-start externally set with integral protection function | FB type | 1.0MHz | USP-6C |
XC9221B09AMR-G | Soft-start externally set with integral protection function | FB type | 1.0MHz | SOT-25 |
XC9221C093ER-G | Soft-start internally set without integral protection function | FB type | 300kHz | USP-6C |
XC9221C093MR-G | Soft-start internally set without integral protection function | FB type | 300kHz | SOT-25 |
XC9221C095ER-G | Soft-start internally set without integral protection function | FB type | 500kHz | USP-6C |
XC9221C095MR-G | Soft-start internally set without integral protection function | FB type | 500kHz | SOT-25 |
XC9221C09AER-G | Soft-start internally set without integral protection function | FB type | 1.0MHz | USP-6C |
XC9221C09AMR-G | Soft-start internally set without integral protection function | FB type | 1.0MHz | SOT-25 |
XC9221D093ER-G | Soft-start externally set without integral protection function | FB type | 300kHz | USP-6C |
XC9221D093MR-G | Soft-start externally set without integral protection function | FB type | 300kHz | SOT-25 |
XC9221D095ER-G | Soft-start externally set without integral protection function | FB type | 500kHz | USP-6C |
XC9221D095MR-G | Soft-start externally set without integral protection function | FB type | 500kHz | SOT-25 |
XC9221D09AER-G | Soft-start externally set without integral protection function | FB type | 1.0MHz | USP-6C |
XC9221D09AMR-G | Soft-start externally set without integral protection function | FB type | 1.0MHz | SOT-25 |