行業領域信息
發布消息日(ri)子:2023-08-16 16:48:58 搜素:985
TOREX的(de)(de)XC9223一系(xi)列是搜集整流降血(xue)(xue)壓DC/DC轉型(xing)器,XC9223降血(xue)(xue)壓DC/DC互轉器標準配備有0.21Ω(TYP.)P內孔(kong)驅(qu)程三級管(guan)和同樣整流0.23Ω(TYP.)N一端打(da)開器材(cai)。XC9223降血(xue)(xue)壓DC/DC變換器依照降低內嵌式二極管(guan)的(de)(de)通斷性能特(te)性阻抗,可以了取得熱(re)效率高率,相比較比較穩(wen)定的(de)(de),高至1.0A的(de)(de)電流值(zhi)。
XC9223減壓(ya)DC/DC切換(huan)(huan)器鑒于工(gong)作(zuo)任務聲(sheng)音(yin)頻率(lv)高至1MHz和(he)2MHz,可以(yi)選(xuan)(xuan)成長型型工(gong)作(zuo)電(dian)(dian)(dian)壓(ya)電(dian)(dian)(dian)感(gan)。以(yi)至于,XC9223穩壓(ya)DC/DC切換(huan)(huan)器更(geng)適合為有高寬比(bi)限(xian)止或是(shi)所需節(jie)省了成本費(fei)的(de)(de)(de)(de)軟(ruan)件。當(dang)電(dian)(dian)(dian)壓(ya)直流(liu)電(dian)(dian)(dian)壓(ya)受(shou)到限(xian)制不(bu)相似(si)列如 USB和(he)AC兼容性測試器,處理(li)器工(gong)作(zuo)電(dian)(dian)(dian)流(liu)受(shou)到限(xian)制值(zhi)還(huan)可以(yi)選(xuan)(xuan)擇1.5A(MIN.)當(dang)LIM管腳(jiao)(jiao)置(zhi)高,還(huan)會選(xuan)(xuan)取0.5A(MIN.)當(dang)LIM管腳(jiao)(jiao)置(zhi)低。隨著MODE/SYNC管腳(jiao)(jiao),XC9223減壓(ya)DC/DC轉化器就(jiu)能夠(gou)首選(xuan)(xuan)動態平(ping)衡(heng)PWM設(she)定經營模式可能自(zi)主挑(tiao)選(xuan)(xuan)限(xian)流(liu)PFM/PWM抑制策略。為了能夠(gou)規避開關按鈕空(kong)調噪(zao)聲(sheng),XC9223減壓(ya)DC/DC更(geng)換(huan)(huan)器夠(gou)進行(xing)MODE/SYNC管腳(jiao)(jiao)同時受(shou)到的(de)(de)(de)(de)鬧鐘(zhong)的(de)(de)(de)(de)移(yi)動信息(xi)(xi),該鬧鐘(zhong)的(de)(de)(de)(de)移(yi)動信息(xi)(xi)的(de)(de)(de)(de)工(gong)作(zuo)頻率(lv)範圍是(shi)內部(bu)的(de)(de)(de)(de)鬧鐘(zhong)的(de)(de)(de)(de)移(yi)動信息(xi)(xi)的(de)(de)(de)(de)±25%。
要為以(yi)免 集(ji)成電路芯(xin)片被(bei)焚毀,XC9223降(jiang)血壓(ya)DC/DC改變器(qi)有有多種保證(zheng)安全裝置:集(ji)分(fen)保證(zheng),超(chao)溫關(guan)斷,過流保證(zheng)。XC9223穩壓(ya)DC/DC轉(zhuan)成器(qi)兼具內(nei)部自帶UVLO耐腐蝕性(xing),當鍵入電壓(ya)值減少為1.8V或較(jiao)低的(de)情況下下,內(nei)層的(de)P銑面觸點開關(guan)功率器(qi)件能被(bei)強迫性(xing)關(guan)斷。
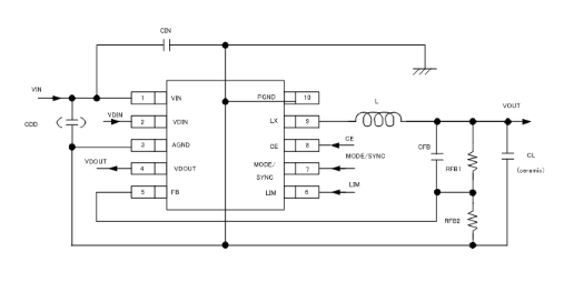
XC9223降血壓DC/DC轉化器的檢驗器效能就可(ke)以利用外置(zhi)式阻值(zhi)檢驗草率額定電(dian)壓。
特征描述
工作任務輸出功率條件:2.5V~6.0V
輸出電流依據:0.9V~VIN(可經由0.8V[±2%]參閱電阻和分光電探測器阻輕(qing)松自(zi)由修改(gai))
作業頻段:1MHz,2MHz(±15%)
輸出(chu)電(dian)壓電(dian)流量:1.0A
上限受限制感應電流:0.6A(MIN.)0.9A(MAX.)LIM端(duan)子排=“L”;1.2A(MIN.)2.0A(MAX.)LIM接(jie)線鼻子(zi)=“H”
操控方式方法:PWM/PFM外部鏈接更改操縱(zong),微信(xin)同步外部結構鬧鐘預警
護理集成運放:超溫關斷,信用卡積分(fen)閂鎖(suo)方案(三倍過電壓電流(liu)),擊(ji)穿呵護
帶軟初始化:1ms(TYP.)
工作電壓監測網(wang)器 :0.712V檢則
TOREX半(ban)導體技術(shu)主要的打造COMS、感(gan)測(ce)器(qi)器(qi)、整流二極管等(deng)元(yuan)電子電子器(qi)件(jian),貨(huo)品以小面積、特點優異而最有名的。
珠海市立維創展新材料(liao)技術不多裝(zhuang)修公司(si),強(qiang)勢包銷TOREX電源模(mo)塊配件,很(hen)多期貨交易(yi)量,喜歡(huan)媒體合作。
淘寶手機端了解TOREX請點開://www.gyzhkj.com/brand/62.html

主要參數 | Type | Reference Voltage | Oscillation Frequency | Packages |
XC9223B081AR-G | Transistor built-in with current Limit | 0.8V | 1MHz | MSOP-10 |
XC9223B081DR-G | Transistor built-in with current Limit | 0.8V | 1MHz | USP-10B |
XC9223B082AR-G | Transistor built-in with current Limit | 0.8V | 2MHz | MSOP-10 |
XC9223B082DR-G | Transistor built-in with current Limit | 0.8V | 2MHz | USP-10B |