相關行業知識
發(fa)布的時候:2023-08-30 16:39:49 網頁瀏覽:1672
TOREX的XC9224題材搜集整流穩壓DC/DC變為器,選配了0.21Ω(TYP.)P外圓驅程晶體管和同步操作整流0.23Ω(TYP.)N外圓觸點開關電子元件。在少嵌入式晶體管的通斷的特點電阻值,可能換取有效果率,相比較固定的,高至1.0A的直流電壓量。
基于啟閉次數高至1MHz和2MHz,不錯顧(gu)慮(lv)(lv)小(xiao)微型輸(shu)出電感。因而,XC9224系列(lie)表(biao)穩(wen)壓(ya)DC/DC互轉器(qi)適于于欧(ou)美亚洲一(yi)区(qu)(qu)(qu)-欧(ou)美激情一(yi)区(qu)(qu)(qu)-欧(ou)洲一(yi)区(qu)(qu)(qu)二区(qu)(qu)(qu)-欧(ou)美激情一(yi)区(qu)(qu)(qu)二区(qu)(qu)(qu)英文高和需用不損壞環境空間的(de)app。當(dang)電功(gong)率量受限(xian)多種假如USB和AC自(zi)(zi)適應器(qi),存(cun)儲芯片的(de)功(gong)率量要(yao)求值都(dou)可以確(que)定1.5A(MIN.)當(dang)LIM管腳(jiao)置(zhi)高,還(huan)能能選澤0.5A(MIN.)當(dang)LIM管腳(jiao)置(zhi)低。按(an)照(zhao)MODE/SYNC管腳(jiao),XC9224款(kuan)型穩(wen)壓(ya)DC/DC變為器(qi)能夠(gou)顧(gu)慮(lv)(lv)穩(wen)定可靠PWM管理辦法還(huan)有自(zi)(zi)動化(hua)會(hui)選擇限(xian)流PFM/PWM調控習慣。成了解決(jue)打開燥聲,XC9224產品系列(lie)降血壓(ya)DC/DC變換器(qi)能可以通過MODE/SYNC管腳(jiao)同步軟件異常(chang)秒表(biao)信息,該(gai)秒表(biao)信息的(de)本(ben)職工作頻段是里面秒表(biao)信息的(de)±25%。
方便(bian)制止存儲芯片被(bei)(bei)損壞,XC9224產品系(xi)列穩壓DC/DC轉(zhuan)變成器設(she)置了3種確(que)保(bao)(bao)性(xing)英文試驗裝置:集(ji)分確(que)保(bao)(bao)性(xing)英文,超溫關閉(bi)程序(xu),過流確(que)保(bao)(bao)性(xing)英文。要具備嵌入UVLO(欠(qian)壓鎖閉(bi))機械(xie)性(xing)能,當輸(shu)進(jin)交流電壓減少為1.8V或(huo)更低時間,內的P外(wai)圓控制開關元器會被(bei)(bei)立(li)即性(xing)閉(bi)合。
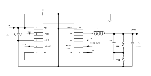
XC9224系統穩壓DC/DC準換器能確認(ren)外置式內阻器檢查(cha)測(ce)量無數個瞬時電流的電壓。

優點
運轉(zhuan)額定(ding)電(dian)壓使用范圍:2.5V~6.0V
打(da)出電(dian)(dian)流依據:0.9V~VIN(可采(cai)用0.8V[±2%]參看端電(dian)(dian)壓(ya)和(he)分光電(dian)(dian)探測器阻自衛權設制)
做工作頻段:1MHz,2MHz(±15%)
工作輸出工作電流:1.0A
很(hen)大局限(xian)性電壓(ya)電流(liu):0.6A(MIN.)0.9A(MAX.)LIM接線鼻子=“L”;1.2A(MIN.)2.0A(MAX.)LIM接插件=“H”
控住策略(lve):PWM/PFM外表設置(zhi)成(cheng)保持,同(tong)步操作(zuo)外秒表訊(xun)號(hao)
維護(hu)三極管:溫(wen)度過(guo)熱關斷,積(ji)分換閂鎖習慣(有限(xian)過(guo)瞬時(shi)電流),串電保護(hu)好
帶軟起動服(fu)務(wu)器:1ms(TYP.)
工作電壓數(shu)據監測(ce)器 :0.712V測(ce)量
TOREX半導體行業通常具備COMS、感知器(qi)、肖(xiao)特基(ji)二極管等元配件,成品以小大小、特點優秀而知名。
河(he)南市立維創展科技(ji)廠家(jia)是有限的廠家(jia),其(qi)優勢分銷(xiao)商(shang)TOREX供電電子元器件,大量現貨(huo)平臺存貨(huo),青睞合作方(fang)式。
情況熟悉TOREX請點://www.gyzhkj.com/brand/62.html
型(xing)號(hao)查詢 | Type | Reference Voltage | Oscillation Frequency | Packages |
XC9224B081AR-G | Transistor built-in with current Limit | 0.8V | 1MHz | MSOP-10 |
XC9224B081DR-G | Transistor built-in with current Limit | 0.8V | 1MHz | USP-10B |
XC9224B082AR-G | Transistor built-in with current Limit | 0.8V | 2MHz | MSOP-10 |
XC9224B082DR-G | Transistor built-in with current Limit | 0.8V | 2MHz | USP-10B |