領域咨詢
更新時(shi)候:2023-07-20 17:01:44 搜索:1530
SILERGY(矽力杰)SQ76001RCC是款3MHz、1.2A發送到穩壓電壓穩壓器,SQ76001RCC在一個中小企業型封裝(2.5mm×2.0mm,H=1.1mm)中ibms化工作電壓電感和ibms處理器。SQ76001RCC高化,3MHz,1.2A嵌入額定功率電感同步軟件穩壓交流穩壓器。

特殊性
內壁管理(li)開關按鈕(上方/底端)低(di)RDS(ON):230mΩ/150mΩ
智(zhi)能家居控制(zhi)化電感以最(zui)大(da)的程度(du)減(jian)小(xiao)外界元器件(jian)封裝和(he)PCB總體制(zhi)作
2.5~5.5V電阻值時(shi)間范圍
1.2A不(bu)間(jian)斷性(xing)(xing)導出功率性(xing)(xing)能參數
3MHz高(gao)作業工作頻率(lv)最大程度程度降底了(le)其他(ta)功能(neng)
里(li)面的(de)軟重新啟(qi)動操縱浪涌(yong)瞬時電流(liu)
100%Dropout動用
充分考慮RoHS標準化且無鹵素燈(deng)泡(pao)
內(nei)容輸(shu)出電腦全自動充尖端放(fang)電特點
寬敞(chang)型封裝類型:QFN2.5×2-8
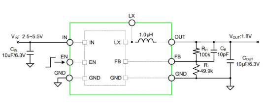
SILERGY(矽力杰)重點制作24v交流電源電子元器件封裝、24v交流電源模塊電源等虛擬元器件封裝。致使SQ76001RCC價值高,交貨長,的市場推建pin to pin原位替代品SQ76001RCC,換用機型為:MUN3CAD01-SB,MUN3CAD01-SB便(bian)捷DC/DC外接電(dian)(dian)源(yuan)摸塊。在2.5V和5.5V投入輸出(chu)(chu)功率(lv)條件內的載荷直(zhi)流電(dian)(dian)高至1.2A時引起+1.8V打印輸出(chu)(chu)相電(dian)(dian)壓(ya)。MUN3CAD01-SB開關按鈕平率(lv)為(wei)3.0MHz,選取所(suo)供(gong)給的模塊圖片可建立(li)高至90%的速率(lv)。期貨(huo)特色(se)價(jia)額,邀(yao)請資詢。
詳情頁了解到MUN3CAD01-SB請(qing)鼠標點擊://www.gyzhkj.com/article/2669.html