職業方式
發表時(shi)間(jian)(jian)間(jian)(jian)隔:2023-07-18 16:52:09 觀看(kan):1476
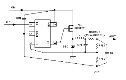
TOREX調整器XC9220系列表是多能力穩壓DC/DC抑制器IC。給XC9220型號操控器靜態配置種啟閉瓦數器件,種瓦數電感,種下級管和兩位濾波電容能夠換取種高的效率的率,相對性平衡的,導出瞬時電流高至3A的開關按鈕供電。XC9220系列表管理器能運行低ESR電感舉例說明陶瓷制品電感重復使用它的輸入電感。
XC9220款(kuan)型(xing)控制機有(you)個0.9V(±1.5%)國家(jia)標準電流(liu)阻(zu)流(liu),采用了(le)外置(zhi)分壓(ya)阻(zu)阻(zu)就可不(bu)可以自由快速(su)設置(zhi)輸出精(jing)度電流(liu)阻(zu)流(liu)。頻繁 使用范圍為300kHz,500kHz和1MHz,能用小中型(xing)型(xing)第(di)三方元元器。對軟加載(zai)精(jing)力,XC9220A和C系統是(shi)內安裝(zhuang)為4ms,XC9220B和D品(pin)類(lei)并能在外觀安裝(zhuang)。XC9220系列的調整器具備條(tiao)件自帶UVLO(欠(qian)壓(ya)鎖閉)安全性能,當(dang)顯示輸出功率降(jiang)到(dao)2.3V或較低(di)的情(qing)況下下,外面P銑(xian)面按鈕(niu)開關電子器件會被(bei)強(qiang)行性關畢。

的特征
運轉電流值標準:2.8V~16.0V
輸(shu)出的電流冗余設為:0.9V(精規格±1.5V)
概(gai)率標準:300k,500k,1.0MHz
控制手段:PWM調節(jie)
帶軟加載性:室內裝置(zhi)4ms(TypeA500kHz),冗余設制(TypeB)
愛護控制(zhi)電路:積(ji)分規則(ze)愛護1.0ms(A,B種(zhong)類),過(guo)壓確保
低ESR電感:瓷磚電感
TOREX半導體材料注意供(gong)應COMS、感測器器、場效(xiao)應管等元電子(zi)器件,好產品以小空間、耐熱性(xing)桌越而著名人物。
河(he)南市立維創(chuang)展科學技術有(you)限的裝修(xiu)公司,其(qi)優勢分(fen)銷商(shang)城(cheng)TOREX電源開關元件,大量的期(qi)貨貨存(cun),迎(ying)接合作(zuo)方式(shi)。
詳情介紹了解一下TOREX請點一下://www.gyzhkj.com/brand/62.html
機型 | Type | Output Voltage | Oscillation Frequency | Packages |
XC9220A093ER-G | Soft-start internally set with integral protection function | FB type | 300kHz | USP-6C |
XC9220A093MR-G | Soft-start internally set with integral protection function | FB type | 300kHz | SOT-25 |
XC9220A095ER-G | Soft-start internally set with integral protection function | FB type | 500kHz | USP-6C |
XC9220A095MR-G | Soft-start internally set with integral protection function | FB type | 500kHz | SOT-25 |
XC9220A09AER-G | Soft-start internally set with integral protection function | FB type | 1.0MHz | USP-6C |
XC9220A09AMR-G | Soft-start internally set with integral protection function | FB type | 1.0MHz | SOT-25 |
XC9220B093ER-G | Soft-start externally set with integral protection function | FB type | 300kHz | USP-6C |
XC9220B093MR-G | Soft-start externally set with integral protection function | FB type | 300kHz | SOT-25 |
XC9220B095ER-G | Soft-start externally set with integral protection function | FB type | 500kHz | USP-6C |
XC9220B095MR-G | Soft-start externally set with integral protection function | FB type | 500kHz | SOT-25 |
XC9220B09AER-G | Soft-start externally set with integral protection function | FB type | 1.0MHz | USP-6C |
XC9220B09AMR-G | Soft-start externally set with integral protection function | FB type | 1.0MHz | SOT-25 |
XC9220C093ER-G | Soft-start internally set without integral protection function | FB type | 300kHz | USP-6C |
XC9220C093MR-G | Soft-start internally set without integral protection function | FB type | 300kHz | SOT-25 |
XC9220C095ER-G | Soft-start internally set without integral protection function | FB type | 500kHz | USP-6C |
XC9220C095MR-G | Soft-start internally set without integral protection function | FB type | 500kHz | SOT-25 |
XC9220C09AER-G | Soft-start internally set without integral protection function | FB type | 1.0MHz | USP-6C |
XC9220C09AMR-G | Soft-start internally set without integral protection function | FB type | 1.0MHz | SOT-25 |
XC9220D093ER-G | Soft-start externally set without integral protection function | FB type | 300kHz | USP-6C |
XC9220D093MR-G | Soft-start externally set without integral protection function | FB type | 300kHz | SOT-25 |
XC9220D095ER-G | Soft-start externally set without integral protection function | FB type | 500kHz | USP-6C |
XC9220D095MR-G | Soft-start externally set without integral protection function | FB type | 500kHz | SOT-25 |
XC9220D09AER-G | Soft-start externally set without integral protection function | FB type | 1.0MHz | USP-6C |
XC9220D09AMR-G | Soft-start externally set without integral protection function | FB type | 1.0MHz | SOT-25 |