ADMV7710-SX/ADMV7710CHIPS集合式 E 頻段砷化鎵 (GaAs)徽波單面集合三極管 ADI現貨交易
公布耗時:2018-06-05 15:46:08 手機瀏覽:7791
ADMV7710-SX/ADMV7710CHIPS 不是款ibms型式 E 頻段砷化鎵 (GaAs) 贗晶高智能遷徙率變動 (pHEMT)、微波射頻片式ibms型用電線路 (MMIC)、中等水平業務速率擴大器,還具有片內熱度賠償金業務速率查測器,業務頻次條件為 71 GHz 到 76 GHz。ADMV7710 可利用 4 V 電展示 24 dB 的收獲值、28 dBm 的模擬所在(1 dB 縮短)及其 29 dBm 的供大于求模擬所在業務速率(20% 業務速率增加速率)。ADMV7710 彰顯了桌越的規則化度,和通過了效能SEO,是非常時候 E 頻段通訊和高發熱量手機無線wifi返程手機無線wifi電系統。根據擴大器選配和高收獲值,該元器件封裝成無線天線已經的最好一個手機信號擴大的非常完美決定。大多數數據資料均由每一個網口一根 3 mil 寬 × 0.5 mil 厚 × 7 mil 長的鍵合帶接入的基帶電源芯片(是在 50 Ω 測式固件內)通過錄入。ADMV7710 以 40 焊盤裸片(基帶電源芯片)的形態展示 ,可在 ?55°C 到 +85°C 的熱度條件內業務。
|
品牌
|
型號
|
描述
|
貨期
|
庫存
|
|
ADI
|
ADMV7710-SX/ADMV7710CHIPS
|
具有功率檢測器的 71 GHz 到 76 GHz、1 W E 頻段功率放大器
|
現貨
|
56
|
ADMV7710-SX/ADMV7710CHIPS 用途
-
E 頻段通信系統
-
高容量無線回程無線電系統
-
測試和測量
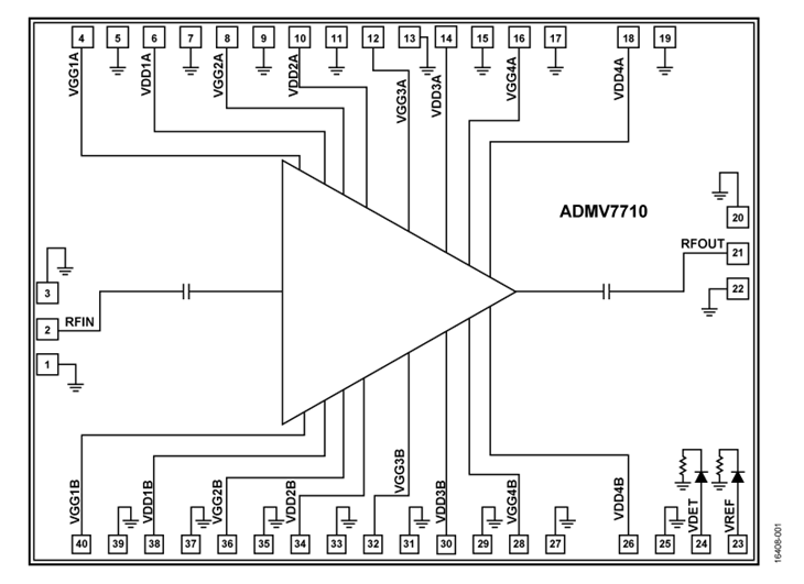
ADMV7710-SX/ADMV7710CHIPS 結構圖

ADMV7710-SX/ADMV7710CHIPS 優勢和特點
-
增益:24 dB(典型值)
-
1 dB 壓縮的輸出功率:28 dBm(典型值)
-
飽和輸出功率:29 dBm(典型值)
-
輸出 3 階交調點:34 dBm(典型值)
-
輸入回波損耗:18 dB(典型值)
-
輸出回波損耗:10 dB(典型值)
-
直流電源:4 V,800 mA
-
無需外部匹配
-
裸片尺寸:2.999 mm × 3.999 mm × 0.05 mm