制造業內容
上架時間段:2025-06-04 16:34:15 挑選:291
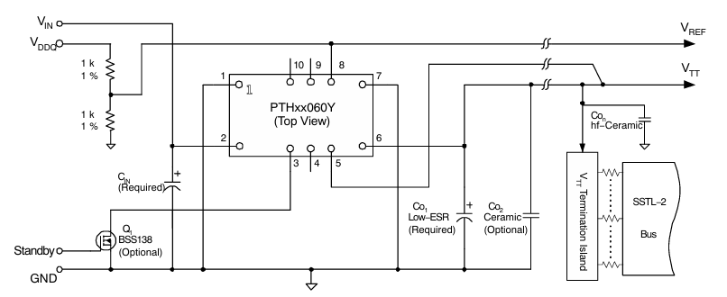
PTH03060YAH 就是款由德州市器材(TI)生產制造的非隔開式DC/DC轉成器,專為DDR/QDR存貯器設計,仍然PTH03060YAH 的要貨階段變長和的成本問題,LWH03060YAH可用為PTH03060YAH的使用策劃方案,特別的在產業管理、溝通設配及軟件測試檢測設備器等對安全性和學習效率規范較高的場景設計中,兩者之間在技術工藝規格和功能鍵上兼有高速瀏覽器兼容性,LWH03060YAH十分最適合對穩定性和有效率的要求較高的用途的場景,是工作師避免元電子器件銷售跌漲時的懦弱首選。
封裝與電氣成套安全性能的完全兼容
LWH03060YAH進行與PTH03060YAH可以相同之處的10-DIP封裝形式材質,厚度均為25.4mm×15.7mm×8.9mm,引腳理解和配置的方式不一。類似這些設計會使建設機械工程師必須獲取目前有PCB構造需先直觀代替原引擎,升幅消減了來設計變更申請投資成本和時長。
在電力工程特性方向,LWH03060YAH的搜索電流的范圍(2.95V至3.65V)和內容輸出電流電壓可調節位置(0.8V至2.5V)與PTH03060YAH完整配比,最主要傷害直流電壓同一為10A。兩種的速度均完成93%,在同樣載荷條件下功能消耗和發冷體現總體不一,這寓意著以往散熱器方法就可以已經沿用。

更優質的生活環境不場地適應與靠得住性
LWH03060YAH在條件適合性多方面增添出正相關好處:
l 更寬的工作的氣溫比率:LWH03060YAH支持系統-40℃至126℃(PTH03060YAH為-40℃至85℃),特備適寒風凜冽東北部或對高溫有唯一性必須的化學工業場合。
l 促進的抗打擾性能:在多樣化電磁振動器區域環境中表面可薦,夠滿足制造業操作的苛求標準要求。
l 更長的使用的壽命:LWH03060YAH平均壽命壽命達10年(PTH03060YAH為8年),增多機運維頻段。
生產商鏈與資金優越性
LWH03060YAH在交貨和投入多方面享有比較突出惡性知名度:
l 更短的供應時間間隔:LWH03060YAH大部分4-6周即刻托付,而PTH03060YAH有可能需8-12周。
l 偏態的成本預算可以:LWH03060YAH價格較PTH03060YAH低15%-20%,自定義采購管理時限益更體現。
東莞市立維創展科技開發有限責任司獲得20年電子廠元集成電路芯片技藝日常積累,專業技術的品牌新產品開發和口感的團隊,致使Leadway電壓輸出模塊服務設備。以方法特色化為主導,做最適于行業市場現狀分析的服務設備要求。服務設備標桿美系、歐美風格,控制pin &pin截取如必須所以技術應用大力支持,或新產品詳詢,喜歡詳詢。
Leadway主要參數 | 可重命名TI主要參數 | 手機輸入電阻區間 | 內容輸出端電壓使用范圍 | 的輸出電壓 | 工做熱度標準 | 熱效率 | 二極管封裝規格尺寸 (LWH) |
LWH03060YAH | PTH03060YAH | 2.95~3.65V | 0.55 ~ 1.8V | 10A | -40℃ ~ 226℃ | 86% | 10-DIP 25.4mm x 15.7mm x 8.9mm |