餐飲行業介紹
分享日期:2025-07-22 16:39:04 手機瀏覽:68

在化工有效控制、網絡通信機器設備等關鍵性廣泛應用各個領域中,電原組件的不靠譜性與不靠譜性自始至終是核心區綜合考慮要素。長時間之初,TI單位推廣的PTH08T240WAD電信息模塊圖片信息模塊圖片要借助其技能資源優勢,蟬聯領域中端價值。那么,跟著近期來國產電信息模塊圖片信息模塊圖片產商技能水平的同質性升級,工作師們現在的我們存在了更具有角逐力的替代品計劃方案。這其中,Leadway新公司產品開發的LWH08T240WAD外接交流電源信息模塊圖片,根據其優勝的機械性能表達與國產化產生鏈競爭優勢,正一步一步被選為建設項目師在外接交流電源信息模塊圖片代換設定中的精選方式。
技術參數對照
工作 | PTH08T240WAD | LWH08T240WAD |
復制粘貼電壓值 | 4.5 V – 14 V | 4.5 V – 14 V |
讀取工作電壓 | 0.69 V – 5.5 V | 0.69 V – 5.5 V |
輸出的直流電壓 | 10 A | 10 A |
具代表性質量 | 95 % | 95 % |
任務溫度因素 | –40 °C ~ +85 °C | –40 °C ~ +125 °C |
打包封裝/尺碼 | 11-DIP,22.1×15.7×8.5 mm | 11-DIP,22.1×15.7×8.6 mm |
技能 | 遠控轉換開關、傷害可變 | qq遠程按鈕開關、打出可變 |
批售鏈 | 12周及以上 | 國內生產,交貨時間 1-2 周 |
美好自適應的原位代替處理規劃
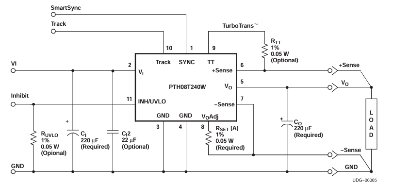
LWH08T240WAD電源適配器方案展示與PTH08T240WAD寬度兼容的原位替代品計劃方案。它運用與PTH08T240WAD可以一樣的的11-DIP芯片封裝,長寬為22.1mm×15.7mm×8.6mm,引腳定位和產品 長寬均保證同步。這些制定因此LWH08T240WAD可能馬上重命名原始技術參數,免對PCB格局采取所有的改進,真正的體現了“即插即用”。一項形態大大地影響了的設計變更登記的風險分析和做好改造代價,還是比較最適合已燒錄設配做好零部件在線升級或生產鏈優化,助推器工廠高速 為了響應市面 轉變 。
LWH08T240WAD電原模快的多元化經營化行業競爭優勢
非凡的耐氣溫性能參數
LWH08T240WAD交流電源板塊的事業溫濕度面積初始化至-40℃至125℃,較之PTH08T240WAD的-40℃至85℃,具有著更強的耐熱度技能。一項因素使其格外不適代替極端分子壞境或持續高溫度工業的場景,如室外光纖通信信號塔、貨車光學等,有效確保的設備在極端必備條件下仍能平穩啟動。
成本費與出售鏈特點
代價減低:用于傳統電原電源模塊,LWH08T240WAD的價一般達不到入口新產品,可可以幫助制造業企業減小10%-30%的采購計劃成本投入,行之有效增加成本的空間。
供應信息鏈塑性資料:受國家情勢印象較小,LWH08T240WAD的出貨周期怎么算更短,一般是只需1-2周,行之有效以防了缺貨危險因素,確保了生孩子的累計性。
國內生產的化優惠政策支持系統
LWH08T240WAD電源接口接口貼合境內“信創”的政策引領,尤其是采采用政府機構、軍用等對銷售鏈隨時升級可控硅調光符合要求須嚴格的域,幫助工業企業做到國產貨化代換,提拔銷售鏈可靠性。
選用場景中
l 制造業管理區域:應用在PLC、交流三菱變頻器、伺服控制器驅使器等可以高可信度性主機電源的場境,事關機械設備增強運作。
l 安全可靠機 區域:適于于5G移動基站、光供電模塊、更換機等對高溫適合性請求高的產品,足夠較為復雜的環境下的供電的需求。
l 小轎車智能電子行業:使中用車載導航蓄電機、微型蓄電池管理工作軟件系統(BMS)等耐高溫場景設計,提升自己車輛電子廠機器設備的信得過性和可靠性。
北京市立維創展技術十分有限欧美亚洲一区-欧美激情一区-欧洲一区二区-欧美激情一区二区英文擁用20年自動化元功率器件水平積聚,專業的的好產品研發項目管理和品性組織,塑造Leadway電源引擎引擎車輛。以技木創新發展為核心理念,做最最合適貿易市場市場狀況的車輛外形尺寸。車輛競品美系、日式,達成pin &pin刪除如必須要 一點科技兼容,或物品詳詢,邀請詳詢。