市場介紹
上架精力:2025-07-16 16:44:01 瀏覽記錄:108

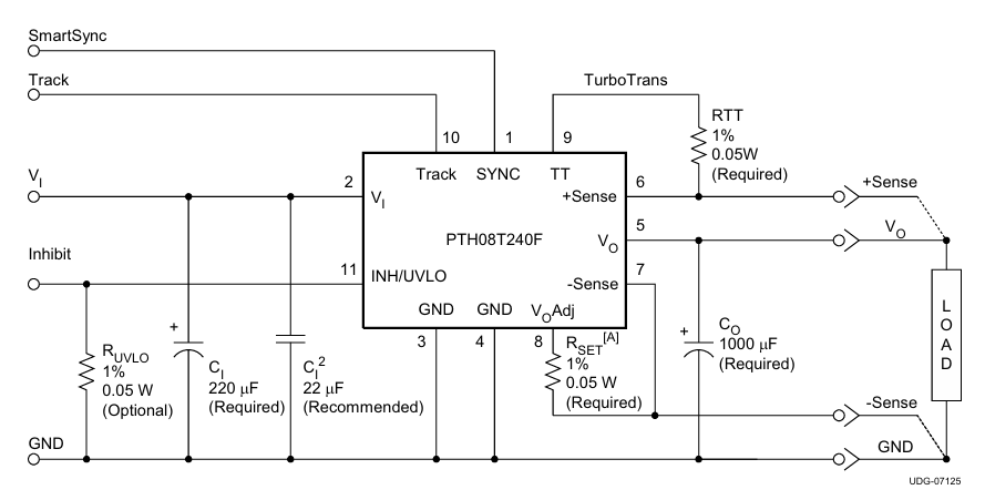
在24v電源摸塊的電磁閥選型過程中中,德州市實驗儀器(TI)大眾旗下的PTH08T240FAD歸功于其優越的高能和不穩性,在制造業控住模式、通信技術裝備等這些區域得出比較廣泛操作。以至于,時間推移國內外電子技術產業的更快的轉型,對電源線摸塊國產化使用的需要量空前凸顯,工業企業數千獲取成本費更低、供應商鏈更不穩的知名化消除策劃方案。在這游戲背景下,Leadway推新的LWH08T240FAD開關電源摸塊借助于其與PTH08T240FAD相對高度適合的電氣成套性能、兼容的封裝構思,下列關于更有爭奪力的價格特色,成了多工程施工師和購置管理方在國內自主研發化替代品中的非常完美抉擇,有效率轉向品牌降購置管理價格并提生供給鏈彈性。
規格差距
該項目 | PTH08T240FAD(TI) | LWH08T240FAD(Leadway) |
錄入電流電壓 | 4.5 V – 14 V | 4.5 V – 14 V |
內容輸出電壓電流 | 0.69 V – 2 V | 0.69 V – 2 V |
傳輸電流大小 | 10 A | 10 A |
高效率 | 90 % | 90 % |
運行溫暖 | –40 °C ~ +85 °C | –40 °C ~ +117 °C |
封口/規格尺寸 | 11-DIP,22.1×15.7×8.5 mm | 11-DIP,22.1×15.7×8.6 mm |
模塊 | 遠程訪問啟閉、導出能自由調節 | 遠程關機觸點開關、打印輸出可手動調節 |
代用的優勢
熱度依據更廣:
l LWH08T240FAD承繼LWH系統的耐耐熱優點,其工作中氣溫標準遠少于PTH08T240FAD的-40℃ - 85℃,應適用耐腐蝕環鏡實業環鏡或毀滅性夏天狀態。
成本費用更低:
l 德國進口化的LWH08T240FAD一般 體現了總成本低主要優勢,有益于增多整體化模式總成本低項目成本。
產生鏈更穩相關性性:
l LWH08T240FAD受國外行勢損害較小,供應信息鏈更緊定,夠很好地檢修制造堅持性。
二極管封裝瀏覽器兼容性:
l LWH08T240FAD應用與PTH08T240FAD同樣的11-DIP二極管封裝,可會直接替換成,不能自己改進PCB戰略布局。
LWH08T240FAD可簡單修改PTH08T240FAD,不用進行調節電線結構,適應用于通訊網絡裝備、工業化系統等鄰域。其高瀏覽器兼容性與傳統生產商鏈強勢,是項目技術人員替代品方案的非常理想首選。
河南市立維創展科持限制品牌賦予20年手機元電氣元件封裝技術應用沉淀,技術的護膚品研發的團隊和品質保證的團隊,致使Leadway外接電源控制器貨品。以技能創新發展為中心,做最比較合適賣場實際需求的貨品規格型號。貨品對標學習美系、日韓風,滿足pin &pin更換如想要一些水平大力支持,或商品了解,歡迎圖片了解。