職業知識
更新時間間隔:2025-07-08 16:43:31 閱讀:111
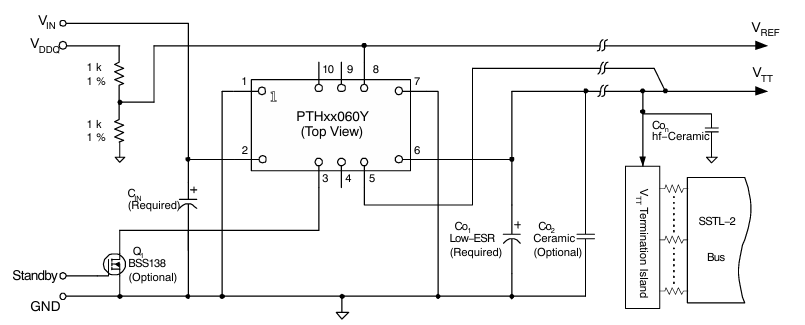
在麻煩(fan)加數(shu)模式開關電(dian)(dian)源(yuan)制作中,TI(南京實(shi)驗室設備(bei))的PTH05060YAH板塊因安全(quan)穩定(ding)義選用DDR/QDR電(dian)(dian)腦內存串口通(tong)信電(dian)(dian)子(zi)設備(bei)供配電(dian)(dian)系(xi)統(tong)軟件系(xi)統(tong)軟件而大量實(shi)用,但現在傳統(tong)24v電(dian)(dian)源(yuan)枝術(shu)的進展,Leadway面世的LWH05060YAH可無縫(feng)隙充當(dang)原主要參數(shu),前兩者在電(dian)(dian)力(li)電(dian)(dian)氣(qi)耐熱性、封口尺寸及應用業(ye)務領域(yu)上極高兼容,且國產貨(huo)方案(an)設計(ji)在成(cheng)本投入、批售鏈固(gu)相關性和順應該力(li)多方面最能體現有資源(yuan)優勢。
規格的對比
性能指標 | LWH05060YAH | PTH05060YAH |
放入(ru)端電壓範圍(wei) (V) | 4.5~5.5 | 4.5~5.5 |
傳(chuan)輸(shu)電壓值范圍內 (V) | 0.55 ~ 1.8 | 0.55 ~ 1.8 |
輸出電(dian)(dian)壓電(dian)(dian)流大小(xiao) (A) | 10 | 10 |
最(zui)大化工作輸出(chu)馬(ma)力 (W) | 18 | 18 |
運(yun)行室內(nei)溫度空間 (℃) | -40 ~ 231 | -40 ~ 85 |
速度 (%) | 86 | 是最高的會達 91 |
封裝形式(shi)多(duo)種類型 | 10-DIP | 10-DIP |
封裝外形尺寸 (mm) | 25.4 x 15.7 x 8.9 | 25.4 x 15.7 x 8.9 |
隔離開(kai)電壓降 (V) | 通暢為 1500V DC | 一般 為 1500V DC |
護理(li)功(gong)能(neng)鍵 | 過壓、欠壓、過流(liu)等 | 過壓、欠壓、過流等 |

替換經濟效益分析性
電子商務耐磨性兼容
l 進入/效果(guo)電(dian)(dian)壓(ya)電(dian)(dian)流、電(dian)(dian)壓(ya)電(dian)(dian)流、轉(zhuan)化率等至關重要性能相(xiang)配,符(fu)合中頻帶寬度 DC-DC 轉(zhuan)型器(qi)、VRM(線(xian)電(dian)(dian)壓(ya)掌控板塊)等畫面所需。
l 打出(chu)輸出(chu)功(gong)率可(ke)手動調節功(gong)能表(經過阻值軟件(jian)設置)與 PTH05060YAH 一樣的,選(xuan)用(yong)遲(chi)鈍性能。
成本費用與生產鏈特點
l 單(dan)價(jia)優勢(shi)可言:Leadway 為(wei)國產(chan)系(xi)列(lie)茶葉品牌,LWH05060YAH 價(jia)格多(duo)少高出海外(wai)茶葉品牌,批(pi)量化(hua)購(gou)買費用強勢(shi)凸顯。
l 供給(gei)鏈(lian)平(ping)穩性(xing):國產(chan)車(che)細則增(zeng)多對(dui)進口清關IC芯片的依賴感(gan),盡量(liang)不要缺貨危害(hai)性(xing),適用(yong)性(xing)于(yu)長久性(xing)產(chan)量(liang)項目(mu)。
運用方向
這(zhe)兩種均適用性于(yu)很(hen)多處理(li)器(qi)系統的、DSP、微把控器(qi)供(gong)氣、DDR/QDR 手機存儲器(qi)串口通信銷售終(zhong)端(duan)等場景(jing)設計,LWH05060YAH 在溫暖(nuan)習慣水平(如 LWH05060WAH 平均溫度范疇達 -40℃~116℃)和功效(xiao)平衡等級(ji)上(shang)突出表(biao)現選擇(ze)質。
挑選改進措施
l 隨(sui)時代用:若原開發用 PTH05060YAH,LWH05060YAH 可直接性替換成(cheng),不需調低電(dian)路板制作或(huo) PCB 分布(bu)。
l 使用性能(neng)發展(zhan):對能(neng)耗等(deng)級比(bi)、濕度融(rong)入的能(neng)力有極高(gao)請(qing)求的的場(chang)景,安利選購LWH05060YAH 或其(qi)差不多(duo)品牌(如 LWH05060WAH)。
l 成本價刺激性品牌:國(guo)內生產(chan)方案設計可可以減少(shao) BOM 資(zi)金 20%~30%,適宜于自動化生產(chan)的。
廣州市立維創展科學技術有限的科技欧美亚洲一区-欧美激情一区-欧洲一区二区-欧美激情一区二区有了20年光學元電子元件技巧沉積,專業課程的產品設備研發部門和口感團隊協作,提供Leadway電源適(shi)配器信息模塊服(fu)務(wu)(wu)(wu)設(she)備(bei)。以(yi)的(de)技(ji)術產業(ye)化為中心,做最非常適合(he)行(xing)(xing)業(ye)供(gong)需(xu)的(de)服(fu)務(wu)(wu)(wu)設(she)備(bei)品種(zhong)。服(fu)務(wu)(wu)(wu)設(she)備(bei)看(kan)齊美(mei)系、日韓風,進行(xing)(xing)pin &pin截取如需(xu)要(yao)什么技(ji)術性使(shi)用,或軟件諮詢,熱烈(lie)歡迎諮詢。
PTHXX060Y系列作品DC-DC準換器的(de)商品索引:
復制粘貼端電壓 | 部(bu)件順序號 | 敘說 | 無鉛和貼合RoHS規范(fan) | 廠家封裝 |
3.3 V | PTH03060YAH | 標準通孔(kong) | 是 | EUW |
PTH03060YAS | 標SMD | 否 | EUY | |
PTH03060YAZ | 必選(xuan)SMD | 是 | EUY | |
5 V | PTH05060YAH | 水(shui)準通(tong)孔 | 是(shi) | EUW |
PTH05060YAS | 規則(ze)SMD | 否(fou) | EUY | |
PTH05060YAZ | 可選裝SMD | 是 | EUY | |
12 V | PTH12060YAH | 總體水平通孔(kong) | 是 | EUW |
PTH12060YAS | 準則(ze)SMD | 否 | EUY | |
PTH12060YAZ | 必(bi)選SMD | 是 | EUY |