服務行業資迅
公布的日子:2025-07-29 16:38:41 瀏覽訪問:63

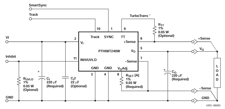
LWH08T240WAH最為國內自主研發高功效電壓傳感器,在電器叁數、二極管封裝尺寸規格及引腳功能表上與TI的PTH08T240WAH已經兼容,是可以直接性達到代換。其具有著更寬的本職工作體溫空間(-40°C 至 +117°C)及可選質的供應商鏈平穩性,一并總成本更低,實比較適用于通信技術設備、工業化的有效系統控制軟件等對能信性和價位特殊要求嚴格的動畫場景。
指標差距
具體型號 | PTH08T240WAH | LWH08T240WAH |
發送相電壓區間 | 4.5 V – 14 V | 4.5 V – 14 V |
傳輸交流電壓使用范圍 | 0.69 V – 5.5 V(可以調整) | 0.69 V – 5.5 V(可調式) |
功率傷害功率 | 10 A | 10 A |
最高值效應 | ≈ 95 % | ≈ 95 % |
封口/引腳 | 11-DIP(22.1 mm × 15.7 mm × 8.6 mm) | 11-DIP(22.1 mm × 15.7 mm × 8.6 mm) |
運轉溫暖 | –40 °C ~ 100 °C | –40 °C ~ 176 °C |
引腳理解 | 1-to-1 對應著 | 1-to-1 分別 |
替代品優質
l 可就直接轉換:焊盤、的高度、引腳先后順序完全性同樣,必須改線或重打樣。
l 性能方面增加:LWH08T240WAH 在高的環境的溫度(176 °C)一如既往行高速行駛工作上,利于,散熱處理構思。
l 耐熱天氣性能指標:LWH08T240WAH 進行溫暖面積更廣(-40 °C ~ +117 °C),采于耐中高溫企業區域或極端時候時候前提條件。
l 售價的優勢:日本產化的LWH08T240WAH 往往更具價格優缺點,益于較低一體化整體代價花費。
l 現貨供應鏈系統可靠性:LWH08T240WAH 受國際聯盟時局引響較小,提供鏈更加穩定定,也能更高地保護措施生產制造持續時間性。
操作游戲場景
聯系機:如通信基站、路由器等,對電壓接口的保持強度分析和安全保障性特殊要求較高。
工業化操控軟件系統:如 PLC、DCS 等,必須要 電原電源模塊在極端天氣室內環境下平穩上班。
另一個前沿技術:如服務培訓器電腦主板、數劇中等,對電源模塊圖片模塊圖片的成功率和利潤有較高想要。
上海市立維創展科技發展比較有限單位存在20年電子元元器封裝元元器封裝技術設備累積,靠譜的產品的生產制造和品味公司,推動Leadway交流電源板塊貨品。以能力多元化為管理處,做最適用于貿易市場需要量的貨品規格為。貨品對標學習美系、日韓風,變現pin &pin重命名如須得很多工藝鼓勵,或護膚品顧問,喜歡顧問。