這個行業訊息
更新期限:2025-06-10 16:35:58 瀏覽網頁:328
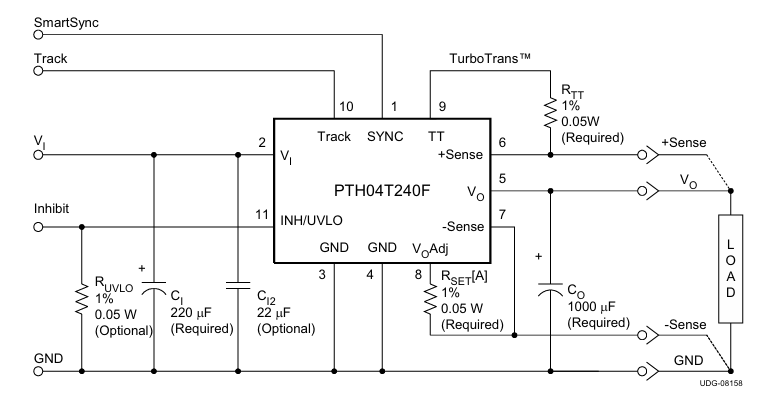
在電源線組件的電機選型整個過程中,濰坊實驗室設備(TI)代言的PTH04T240FAD全系列電原摸塊曾仰仗其高品質的的性能表現,變成 3GHz DSP控制系統的省心電原解決方法預案。但科技產業浪潮軟件促進下,電原控制模塊技術設備的持續創新性。這時,LWH04T240FAD系統憑借著更大兼具性價比與不錯兼容性設置弱勢上線。它這樣不僅系統保持PTH04T240FAD的勝機,你還在耗能廣告和機信息化咨詢系統度上確保飛渡。用電量平衡等級較高,可調低工作頻率、抑制利潤;智能家居控制系統度的提升,抽象化定制、降低前景占用率。
產品參數對照
技術參數 | PTH04T240FAD | LWH04T240FAD |
輸人交流電壓范疇 | 2.2V~5.5V | 2.2V~5.5V |
工作輸出端電壓區域 | 0.69V~2.0V | 0.7V~2.0V |
模擬輸出電流值 | 10A | 10A |
工作中室溫使用范圍 | -40℃~85℃ | -40℃~124℃ |
速率 | 較高 94% | 91% |
裝封 | 11-DIP | 11-DIP |
尺寸 (L*W*H) | 22.1mm x 15.7mm x 8.4mm | 22.1mm x 15.7mm x 8.4mm |

替換主要優勢
不間斷參數指標與耐磨性
- 質量:LWH04T240FAD 的利用率為 91%,與 PTH04T240FAD 形似,就可以業務需求科學規范率電壓變換的業務需求。
- 事情高溫:LWH04T240FAD 的作業溫暖為 -40℃至 124℃,優于較 PTH04T240FAD,其次數高溫極高,是可以具備更逐步的周圍環境高溫。
- 轉換電阻值區域:LWH04T240FAD 的傷害端電壓範圍為 0.7V 至 2V,與 PTH04T240FAD 的 0.69V 至 2.0V 頗為差不多,才可以足夠差不多的電流操控使用需求。
封裝類型與尺寸規格
- 打包封裝型:倆者都利用 11-DIP 裝封,引腳表述同等,是可以推動無縫拼接項目對接代替。
- 的規格:LWH04T240FAD 的圖片尺寸為 22.1mm x 15.7mm x 8.4mm,與 PTH04T240FAD 的大小主要相等,要能確定熱學組裝選用兼容性設置。
代價與供應商
- 費用資源優勢:Leadway用于產的化用作解決方案,大部分是在費用上更有寡頭壟斷力,都可以有所幫助降費用。
- 生產商動態平衡性:德國進口代替品在生產商上更動態平衡,受亞太局面損害較小,就能有效地后勤保障生產商鏈的動態平衡性。
其他優勢可言
- 德國進口化替換:LWH04T240FAD 看作國產圖片用于,有好處于加強批售鏈的獨立自主性,增多對原裝進口類產品的依賴于。
- 高服務咨詢培訓:Leadway 作為一個重復在使用供給商,也能供給關聯技術性服務質量,幫助到的客戶較好地在使用重復在使用產品。
天津市市立維創展科技信息比較有限集團享有20年自動化元電子元件技術設備掌握,非常專業的的產品創新和茶葉品質團隊圖片,鑄就Leadway開關電源模快好車輛。以技術設備科學創新為價值體系,做最是和賣場供給的好車輛型號。好車輛對標管理美系、韓系,達成pin &pin重命名如須得其它技木大力支持,或軟件服務詢問,追捧服務詢問。