S波段C波段AM050WN-CU-R陶瓷封裝GaN功率HEMT DC-6GHz
2018-10-31 15:31:39
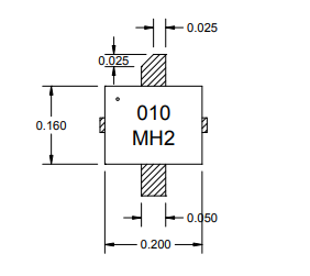
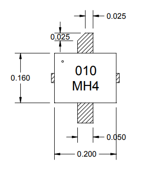
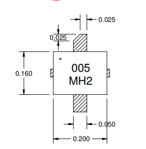
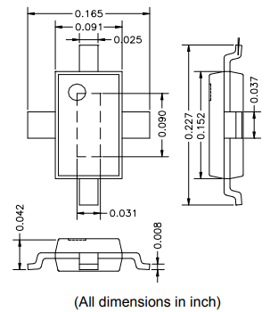
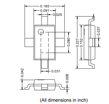
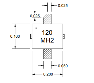
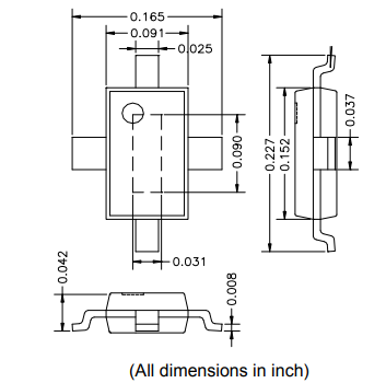
S中光波C中光波AM050WN-CU-R淘瓷圖片打包打包芯片封裝GaN輸出最大功率HEMT DC-6GHz,一個那部分的總柵極總寬是5mm。AM050WN-CU-R是為高輸出最大功率微波加熱應用領域而方案的的,作業頻繁 能達6GHz。CU系是特別方案的的淘瓷圖片打包打包芯片封裝,還具有直引線和立式式活套活套法蘭。打包打包芯片封裝下面的活套活套法蘭而且看做直流電源保護與地面、rf射頻保護與地面和熱路。