欧美亚洲一区-欧美激情一区-欧洲一区二区-欧美激情一区二区
受歡迎來廣州市立維創展科枝有限工廠英文工廠游戲官方官網!
中文名字
24H服務于服務電話 0755-83050846 / 83039348
搜索
欧美亚洲一区-欧美激情一区-欧洲一区二区-欧美激情一区二区
Home
關于我們
About
微波元器件
Microwave
AMCOM
CUSTOM MMIC
RF-LAMBDA
QORVO
MACOM
SOUTHWEST
NOVA射頻微波
KRYTAR
Aeroflex-API Tech
Anaren
Anritsu
RADITEK
North Hills
Synergy微波
WENTEQ
MITEQ
Marki
RF-Labs
ADI
CREE
UMS微波
PULSAR微波
MegaPhase
JDSU光纖測試
AMG-Microwave
Ironwood
Teledyne防務電子
HEROTEK
ARRA
MCLI
Leadway
CERNEX
Mi-Wave
ATM Microwave(L-3)
UTE Microwave
NEL Frequency Controls
API SAW Oscillators
SemiGen
KR Electronics
MECA
Electro-Photonics
RLC Electronics
JUPITER(Canada)
?IPP
電源模塊
Power
PICO
Cyntec乾坤
GAIA
VICOR
LINEAR
ARCH
SynQor
TOREX
SILERGY矽力杰
DELTA
XP power
DAC | ADC芯片
DAC|ADC
EUVIS
ADI
Teledyne E2V
微處理器
MCU
PADAUK應廣單片機
中科昊芯DSP
先楫MCU
雅特力MCU
Intel-ALTERA FPGA
澎湃微
風扇
Fan
DELTA臺達風扇
SUNON建準風扇
熱縮管
Heat Shrink Tubing
Raychem
自研產品
Leadway Prodcuts
LEADWAY電源模塊
LEADWAY微波產品
聯系我們
Contact
行業領域資訊新聞
欧美亚洲一区-欧美激情一区-欧洲一区二区-欧美激情一区二区
微波元件資訊
微波元件資訊
微波元件
電源模塊
ADC|DAC芯片
熱縮管
微處理器
風扇
自研產品
S波段功率放大器_S波段功率放大器芯片_S波段放大器模塊(二)
2018-11-21 11:17:34
Sk線輸出功率放小器集成ic電源模塊在應用多方面有軍工聲納、軍工聲納、商用機聲納、聯通寬帶放小器、多頻段VSAT、蜂窩基礎上的設施信號塔、中繼器/引領器/ DAS等妙用。
S波段放大器_S波段功率放大器_S波段功率放大器芯片/模塊(一)
2018-11-21 11:02:57
S光波電率擴大器單片機芯片/模快按照中國大陸外標準規定,S光波包含速度條件在2 - 4 GHz的電磁爐波頻段。S光波擴大器應用軟件:民用建筑預警汽車雷達天線、警用預警汽車雷達天線、家用預警汽車雷達天線、網絡帶寬擴大器、多頻段VSAT、蜂窩基礎性裝置基站天線、中繼器/引領器/ DAS等功能。
L波段功率放大器模塊MAAP-011060
2018-11-20 16:29:19
L波長工作效率放小器包塊MAAP-011060,利用6 mm等電位連接網格陣列(LGA)折裝而成,有著50Ω填寫和傷害接線端子。填寫和傷害網口也是DC梗阻的。該元器利用GaAs HBT技藝,在1.6 GHz定位利用中達成最合適的5 V性。
C波段功率放大器MAAP-011027
2018-11-20 16:12:34
MAAP-011027是一個款2級,8 W供大于求C光波電公率變成器,主要包括5 mm 20引腳PQFN封裝形式,以便于組裝流水線。該品牌在鍵入和模擬輸出上完整適合50歐姆。它可以作電公率變成器級或高電公率電脈沖適用中的能夠級。
S波段放大器MAAP-011022高功率平衡放大器芯片
2018-11-20 15:15:43
S波長變小器MAAP-011022,是一個款2.7至3.0 GHz高電率不平衡量變小器,專為S波長飛機和氣象預報預警雷達app而定制。該電子元器件的輸出7 W單脈沖,定制事情在8%的占空比。MAAP-011022主要包括無鉛6 mm 28引腳可塑料封裝類型,適宜陸續量生產銷售。
Ku波段功率放大器芯片MAAP-010517
2018-11-20 15:07:46
Kuk線效率擴大器集成icMAAP-010517,一款封裝類型的線性網絡效率擴大器,運行頻帶寬度空間為14.4 - 15.4 GHz。該元器件具備24 dB增益值和42 dBm傷害三階裁取點(OIP3),傷害波形圖為34.5 dBm P1dB。
U波段放大器MAAP-010512高線性度1W功率放大器 macom現貨
2018-11-20 14:52:03
U光波增加器MAAP-010512一款三級,高線形度1W工作電壓增加器,選用7x7 mm疊層打包封裝,容易按裝。該PA新產品在放入和輸出上徹底適配50歐姆。
S波段放大器C波段放大器10W功率放大器MAAP-010169
2018-11-20 14:24:13
S頻譜圖像變大電路C頻譜圖像變大電路10W公率圖像變大電路MAAP-010169,是一種款專為移動寬帶高公率應用領域而設計的概念的多級MMIC公率圖像變大電路。它可不可以用做驅動安裝器或效果級圖像變大電路。該元器件鍵入效果是完全相匹配為50?這避免了一切明感的其他RF調諧引擎。
X波段放大器Ku波段功率放大器MAAP-008924
2018-11-20 14:07:53
X光波變成器Ku光波最大效率變成器MAAP-008924,是一個款3級,高非線性度1.2 W GaAs最大效率變成器,采用了5mm,20引腳PQFN封裝,易拼裝。該PA類產品在鍵入和導出上充分配對50歐姆。它能用作最大效率變成器級或高最大效率操作中的win7驅動級。它極其最適合一對一遠程電。
X波段功率放大器芯片GaAs MMIC兩級高效功率放大器MAAM71100
2018-11-20 14:04:30
MAAM71100有的是款X光波電機馬力變大器IC芯片GaAs MMIC兩極高效益電機馬力變大器。MAAM71100有的是款可以單面方案,常用作50 O控制系統,具備著片內負偏置網洛,不須其他偏置集成運放。
線性功率放大器MAAP-010150——macom現貨
2018-11-20 11:54:23
MAAP-010150就是款封裝形式的線型最大電機最大輸出功率擴大器,作業規律范圍圖為10.0 - 15.35 GHz。該器材通常情況下提供數據27 dB的增益控制和42 dBm的OIP3,的輸出P1dB不超33.5 dBm。該最大電機最大輸出功率擴大器運用無鉛,仍然模制的7 mm QFN封裝形式,由3級最大電機最大輸出功率擴大器和模塊化的片上頂值最大電機最大輸出功率檢則器和包絡檢波器結構。
寬帶微波功率晶體管MAPR-001090-350S00
2018-11-20 11:51:59
帶寬紅外光電機功率單晶體管MAPR-001090-350S00,其其主要一致點有: 擴撒射極鎮流熱敏電阻、快速數值間代數、帶寬C類進行操作、一致基本分配、填料密封合金/ cCeramic封裝形式等
雙極 NPN硅微波功率晶體管MAPR-001011-850S00
2018-11-20 11:49:03
雙極 NPN硅微波射頻工作效率晶狀體管MAPR-001011-850S00,重要的特點有:傳播衛星發射極鎮流阻值器、更高效的數字5間平面幾何、 光纖寬帶C類控制、里面的手機輸入和讀取輸出阻抗配備等
macom航空航天NPN硅微波功率晶體管MAPR-000912-500S00
2018-11-19 15:02:22
macom航空運輸航空航天材料NPN硅紅外光公率納米線管MAPR-000912-500S00, 里面的錄入和輸出阻抗切換切換,金金屬材質化模式, 傳播導彈極鎮流電容器,光纖寬帶C類操控, 完全符合RoHS要求。
通用型C類Sband托盤放大器MAPP-002729-300M00——macom現貨
2018-11-19 14:52:02
公用型C類Sband鐵托盤變小器MAPP-002729-300M00,指在創新企業產品成功上市期限。硫化鋅管選取直流電隔離開,以改善感應電流量取舍并體現獨自的感應電流量監控視頻。廣泛性的Wilkinson搭配組合器可最大化裝量地加強同步性并削減財產損失。不僅如此,寬鋪線創新了與每PCB文件上的50O用電線路的連入。
60W雙極RF線NPN硅功率晶體管2N6439
2018-11-19 14:43:45
60W雙極RF線NPN硅工作功率晶狀體管2N6439,225至400MHz,28V 通常規劃適用225至400 MHz的頻率空間的寬帶網大數據信號轉換調小器級。
GaAs肖特基二極管MGS901——MACOM現貨
2018-11-15 13:53:12
GaAs肖特基穩壓管MGS901—MACOM現貨黃金,COM的MGS型號GaAs肖特基穩壓管專為在60 GHz工作的的毫米左右波電氣元件提供了佳的性能。
SW-313-PIN低功耗砷化鎵場效應晶體管
2018-11-15 13:50:10
SW-313-PIN低功能損耗砷化鎵場效用多晶體管,該功率器件芯片裝封在16引線瓷磚表面上裝芯片裝封中,在做到低功能損耗的此外,提高了從電流到3GHz的優秀性能方面和重新性。
AM090WX-CU-R陶瓷封裝GaAs功率PHEMT DC-8GHz
2018-11-15 10:51:34
AM090WX-CU-R瓷質封裝類型類型GaAs電機耗油率PHEMT DC-8GHz,這1組成部分的總道閘寬為9mm。AM090WX-CU-R是為高電機耗油率紅外光app而的設計制作的,工作中幀率電動車續航8GHz。CU系例是特別的設計制作的瓷質封裝類型類型,存在直引線和插裝式法蘭部。
陶瓷封裝砷化鎵功率PHEMT雷達S波段AM060WX-BI-R
2018-11-15 10:29:59
工業陶瓷封裝類型砷化鎵本職工作電壓PHEMT汽車雷達S光波AM060WX-BI-R,這部件的總柵極長度為6mm。AM060WX-BI-R是為高本職工作電壓微波加熱軟件應用而規劃的,本職工作頻帶寬度自由高達10 GHz。
C波段射頻晶體管雷達AM030WX-BI-R
2018-11-15 10:26:54
C光波微波射頻多晶體管汽車雷達AM030WX-BI-R,其總柵極參數為3.0mm。它采取瓷磚制品BI封裝類型類型,運轉平率能達到10GHz。BI封裝類型類型采取獨特設計的概念的瓷磚制品封裝類型類型,中含彎曲變形(BI-G)或直線行駛(BI)引線,采取插進式安裝方式方法。
超寬帶射頻晶體管驅動放大器AM010WX-BI-R
2018-11-14 17:15:42
AMCOM的AM010WX-BI-R有的是個離散的GaAs PHEMT,其總柵極間距為1.0mm。它是在淘瓷BI封口,運作萬代高達12千兆赫。BI系統用層次性規劃的淘瓷封口,有著彎折(Bi-G)或直(BI)引線的按照具體方法。
Anritsu 擰入式接頭V102M-R
2018-11-08 14:04:49
Anritsu 擰入式直接頭V102M-R,Anritsu 作為了微帶塑性觸片("滑屏觸體")。 該觸耐力夠在發生的水溫變、碰撞或激振時對接連作為庇護。 V110-1 不適主要用于跡線長度為 0.15 毫米(mm)的微帶和共平面磨波導。
V 凹型凸緣啟動器V103F-R
2018-11-08 11:31:15
V 凹型凸緣啟動的器V103F-R,Anritsu 帶來了了 V110-1 去壓力觸體(也是指“滾動觸體”), 該觸體適能夠在出現溫度變化無常、相撞或產生振動時對銜接帶來了保護措施。 該型號的觸體使中用跡線長寬為 0.15 豪米的微帶和共平行面波導。 當中用共平行面波導時,這些項目 師會適用插針交疊規劃,這樣子既可以將插針可以直接氬弧焊到跡在線。
Anritsu 陽頭法蘭盤接頭V103M-R
2018-11-08 11:25:20
V103-R 可與 V100 佛珠或 V100B 抽真空式佛珠密不可分聯系。nritsu 提拱了 V110-1 微帶應力松弛觸片 (也統稱"拖動觸體"), 該觸體能訓練方法夠在進行溫濕度變、相碰或振動式時對接觸提拱庇護。 該形號的觸體用來于跡線大小為 0.15 分米的微帶和共表面波導。
雷達射頻晶體管AM005WX-BI-R
2018-11-07 11:44:16
聲納微波rf射頻結晶管AM005WX-BI-R,其總柵極大小為0.5mm。它是在陶瓷制品圖片BI打包封裝,工作高達到12千兆赫。BI類別的使用非常規設置的陶瓷制品圖片打包封裝,兼有微彎(Bi-G)或直(BI)引線的重新安裝的方式。打包封裝底下的法蘭部互相用作直流電壓保護等電位連接、微波rf射頻保護等電位連接和熱路。這篇分是貼合RoHS標準的的。
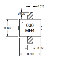
C波段VSAT高功率寬帶應用AM032MH4-BI-R
2018-11-07 11:36:48
C波長VSAT高瓦數帶寬用AM032MH4-BI-R,HIFET是部門相匹配的專業設配配制,用做高電阻、高瓦數和帶寬用。該電子元件的總電子元件外層為128mm。AM032 MH4-Bi-R是為高瓦數紅外光用而制作的,業務速度高至6GHz。BI款型選用一種生活異常制作的陶瓷廠家封裝,享有打彎或直線方程的引線和凸緣施工原則。
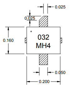
S波段高壓砷化鎵場效應晶體管AM030MH4-BI-R
2018-11-07 11:32:45
S光波超高壓砷化鎵場不確定性納米線管AM030MH4-BI-R ,HIFET是有些自動匹配的著作權設施設備性能的高的電壓,高功效,高線性網絡度和帶寬APP。該元配件封裝的總元配件封裝外圍網為12mm。
0319NA寬帶變壓器North Hills
2018-11-06 11:44:56
North Hills的0319NA聯通移動寬帶網絡箱式電力電力干式變壓器,NA系類的聯通移動寬帶網絡箱式電力電力干式變壓器包裹了0.1至300 MHz的平率空間內的種種電源集成電路板調試。材料彩盒設計制作主要用于添加圖片刷電源集成電路板板。*North Hills操作引用151-“聯通移動寬帶網絡箱式電力電力干式變壓器”可以提供了關與巴倫箱式電力電力干式變壓器內容的進每一步消息。
0320BF/0322BF共模注入口BF系列平衡信號變換器 North Hills
2018-11-06 11:12:41
0320BF/0322BF共模加入口BF系列產品表均衡性警報改變器,這件電阻器在0.1到100MHz的率規模內帶來了了高寬比均衡性的橫項警報源。在這一情況發生下,均衡性指的是同一個腿相比于水泥地面的電阻一樣 。BF系列產品表電阻器兼備默認設置共模警報加入電路原理,為測試均衡性或UTP控制系統對躁聲和電磁波輻射的易佳化帶來了了佳的的手段。
欧美亚洲一区-欧美激情一区-欧洲一区二区-欧美激情一区二区
上一頁
1
2
...
118
119
120
121
122
123
124
...
147
148
下一頁
尾頁
共
148
頁
4412
條數據