欧美亚洲一区-欧美激情一区-欧洲一区二区-欧美激情一区二区
歡迎圖片來東莞市立維創展科技信息有限責任司關方網站欧美亚洲一区-欧美激情一区-欧洲一区二区-欧美激情一区二区!
英文版
24H服務項目電活 0755-83050846 / 83039348
搜索
欧美亚洲一区-欧美激情一区-欧洲一区二区-欧美激情一区二区
Home
關于我們
About
微波元器件
Microwave
AMCOM
CUSTOM MMIC
RF-LAMBDA
QORVO
MACOM
SOUTHWEST
NOVA射頻微波
KRYTAR
Aeroflex-API Tech
Anaren
Anritsu
RADITEK
North Hills
Synergy微波
WENTEQ
MITEQ
Marki
RF-Labs
ADI
CREE
UMS微波
PULSAR微波
MegaPhase
JDSU光纖測試
AMG-Microwave
Ironwood
Teledyne防務電子
HEROTEK
ARRA
MCLI
Leadway
CERNEX
Mi-Wave
ATM Microwave(L-3)
UTE Microwave
NEL Frequency Controls
API SAW Oscillators
SemiGen
KR Electronics
MECA
Electro-Photonics
RLC Electronics
JUPITER(Canada)
?IPP
電源模塊
Power
PICO
Cyntec乾坤
GAIA
VICOR
LINEAR
ARCH
SynQor
TOREX
SILERGY矽力杰
DELTA
XP power
DAC | ADC芯片
DAC|ADC
EUVIS
ADI
Teledyne E2V
微處理器
MCU
PADAUK應廣單片機
中科昊芯DSP
先楫MCU
雅特力MCU
Intel-ALTERA FPGA
澎湃微
風扇
Fan
DELTA臺達風扇
SUNON建準風扇
熱縮管
Heat Shrink Tubing
Raychem
自研產品
Leadway Prodcuts
LEADWAY電源模塊
LEADWAY微波產品
聯系我們
Contact
這個行業信息資訊
欧美亚洲一区-欧美激情一区-欧洲一区二区-欧美激情一区二区
微波元件資訊
微波元件資訊
微波元件
電源模塊
ADC|DAC芯片
熱縮管
微處理器
風扇
自研產品
ADA4841-2YRMZ低噪聲放大器 ADI現貨
2019-02-18 14:07:04
ADA4841-2YRMZ是款的單位增益值穩定性高、低噪音、低模糊、軌到軌模擬輸出調大器,靜態數據電流量值電流量大數值1.5 mA。 該調大器不單耗電低,還供應2.1 nV/√Hz的低移動寬帶電流量值噪音耐磨性和1.4 pA/√Hz的電流量值電流量噪音,100 kHz時具備好的-105 dBc無雜散靜態依據(SFDR)。
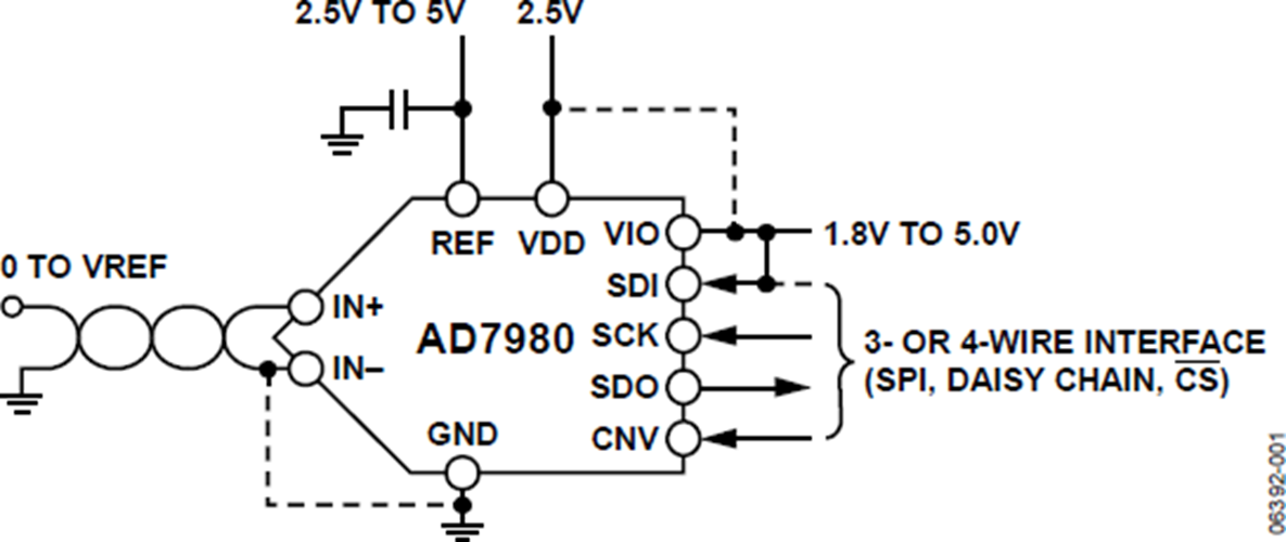
AD7980ARMZ模數轉換器(ADC) 代理現貨
2019-02-18 14:00:32
AD7980ARMZ就是一款16位、逐次梯度下降法型系數轉換成器(ADC),按照單開關電源模塊(VDD)配電。它內嵌某個低功能鍵消耗、高速收費站、16位采集系統ADC和某個多功能鍵串行串口串口。在CNV持續上升沿,該電子元器件對IN+與IN-彼此的模擬訓練讀取電阻值差來采集系統,領域從0 V至REF。基準價電阻值(REF)由外界出示,但是能夠獨特于開關電源模塊電阻值(VDD)。
ADN2915ACPZ集成限幅放大器/均衡器 ADI現貨
2019-02-18 11:44:01
ADN2915ACPZ可展示 中所發送到器效果:評定、移動信號電平測量、秒表和的資料報告回到,可代替于從6.5 Mbps到11.3 Gbps的陸續的資料報告傳輸速度。它可自動自動隱藏至幾乎所有的資料報告傳輸速度,而不要其他借鑒秒表或程序編寫。
OP284TRZ-EP-R7單電源4 MHz帶寬放大器 現貨
2019-02-18 11:07:37
OP284TRZ-EP-R7是雙安全通道、單電原適配器、4 MHz資源帶寬放小器,具備有軌到軌輸人與輸出精度性能指標。衡量事情直流電壓范圍之內為+3 V至+36 V(或±1.5 V至±18 V),就可以適用低至+1.5 V的單電原適配器事情。
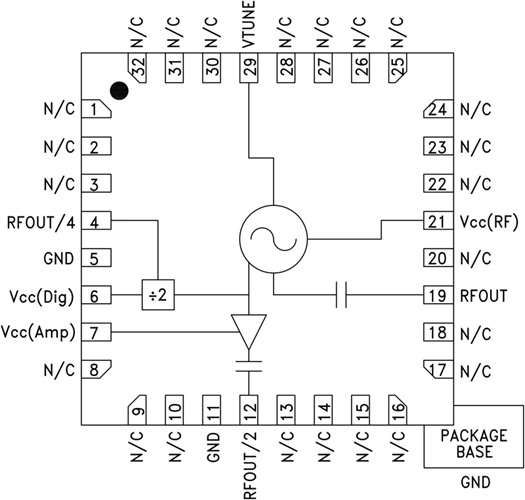
HMC4069LP4E整數N分頻頻率合成器 現貨
2019-02-18 10:59:49
HMC4069LP4E都是款整數N分經常率人工器,將10至1300MHz的阿拉伯數字鑒頻鑒相器與10至2900MHz 5位速度記數器女子組合在分著。它適低相位環境噪聲速度人工器軟件。
AD8310ARMZ超快響應對數放大器 ADI現貨
2019-02-18 10:51:20
AD8310ARMZ不是種款超快響應的、功能模塊豐富多彩的多數放小器,利用8引腳小SO打包封裝。它不是種款由于漸進式收縮(逐次收縮)工藝的400 MHz刪改單電子器件解調多數放小器,在幾率最高的為100 MHz時可給出95 dB(±3 dB理論高度性)和90 dB(±1 dB緊差值界限)的gif動態時間范圍。
AD7091BCPZ-RL模數轉換器 代理現貨
2019-02-18 10:42:29
AD7091BCPZ-RL有的是款12位逐次靠近寄存器變位系數改變器(SAR ADC),可在高吞吐效率(50 MHz SCLK時為1 MSPS)下建立極低耗電(3 V和1 MSPS時典型的參考值367 μA)。
HMC437MS8GE低噪聲靜態分頻器 原裝現貨
2019-02-18 10:22:56
HMC437MS8GE是款低燥聲5分頻靜態數據分頻器,用InGaP GaAs HBT新技術,運用低制造費8引腳表貼塑封裝。 此電子元件在DC(用方波導入)至7 GHz的導入平率下業務,用+5V DC單電。
HMC311LP3異質結雙極性晶體管 ADI現貨
2019-02-18 10:05:38
HMC311LP3也是款GaAs InGaP異質結雙正負尖晶石管(HBT)增益控制控制引擎MMIC SMT放縮器,工作任務幀率范圍圖為DC至6 GHz。 此款3x3mm QFN二極管封裝放縮器能用作級聯50 Ohm增益控制控制級或應用在驅動軟件輸送電率自由高達+17 dBm的HMC混頻器LO。
HMC584LP5E異質結雙極性晶體管 原裝現貨
2019-02-18 09:55:24
HMC584LP5E不是款GaAs InGaP異質結雙正負極氯化鈉晶體管(HBT) MMIC VCO。 HMC584LP5(E)集淪為諧振器、負功率電阻元器件封裝和變容整流二極管,可輸入半頻,并提拱3分頻輸入。
5962-9683901MPA低功耗高速放大器 原裝現貨
2019-02-18 09:52:13
5962-9683901MPA有的是款低耗電、直流電流值返饋型、高速收費站變小器,設計制作分為+3 V、+5 V或±5 V主機開關電源共電。它都具有單主機開關電源共電力量,鍵入直流電流值超領域是以負共電軌左右200 mV至正共電軌1 V超領域范圍之內。
AD5314BRM/AD5314ARMZ四路電壓輸出10位DAC ADI代理現貨
2019-02-15 17:30:19
AD5314BRM,AD5314ARMZ均為四8-,10-,和12位抗震相電壓所在DAC 10引腳MSOP和10引腳,從多元化的2.5 V至5.5 V電源適配器配電LFCSP封口,在3耗用500μA V.這些食品的片上所在圖像放大器電路支持以0.7 V /μs的壓擺率變現軌到軌所在擺幅。
AD8362ARU/AD8362ARUZ功率檢波器 ADI現貨
2019-02-15 17:26:09
AD8362ARU/AD8362ARUZ是一種款真正意義上的均方根積極積極地響應熱效率檢波器,都具有65 dB的自動測量依據。它采適用各種類型低頻通信設備軟件系統和要對無線信號熱效率開展高精度積極積極地響應的儀器設備。它最易適用,只要一些5 V的電源適配器和好多個電解高壓電容設計。
AD9952YSVZ直接數字頻率合成器(DDS) ADI現貨
2019-02-15 15:23:15
AD9952YSVZ就是款會直接數碼9頻次制作而成器(DDS),兼備14位DAC(數碼9 - 模似換算器),崗位波特率高至400 MSPS。AD9952采用了一流的DDS能力,依照內部飛速,高耐熱性DAC,制成數碼9可語言編程,齊全的高頻制作而成器,可呈現頻次高至200 MHz的頻次捷變模似讀取余弦正弦波形。
AD8307ARZ/AD8307ARZ對數放大器 ADI現貨
2019-02-15 14:01:37
AD8307是第一臺運用8引腳SOIC_N裝封的對數計算計算縮放器。它是款詳細完整的500 MHz單面解調對數計算計算縮放器,依托于逐行解壓縮(間隔加測)枝術,給出92 dB至±3 dB法規同一性的各式各樣范圍內和88 dB至因此工作頻率下±1 dB的要嚴格隨機誤差局限100 MHz。
OP284ESZ/OP284CHIPS精密RRIO雙運算放大器 ADI現貨
2019-02-15 11:37:39
OP284ESZ/OP284CHIPS?患者保護在+3至+36(或±1.5至±18)伏特的輸出功率下做做工作,且可用到低至+1.5伏的單24v電源做做工作。
AD96687BQ_AD96687BPZ超高速電壓比較器 ADI現貨
2019-02-15 10:47:34
AD96687BQ、AD96687BPZ是非常高速收費站電阻值比效器。AD96687BQ、AD96687BPZ一款不一樣迅速的的雙比效器。每種配件都兼有50 ps的傳播方式延后折射率,這才是高速收費站比效器的兩個十分根本的基本特性。
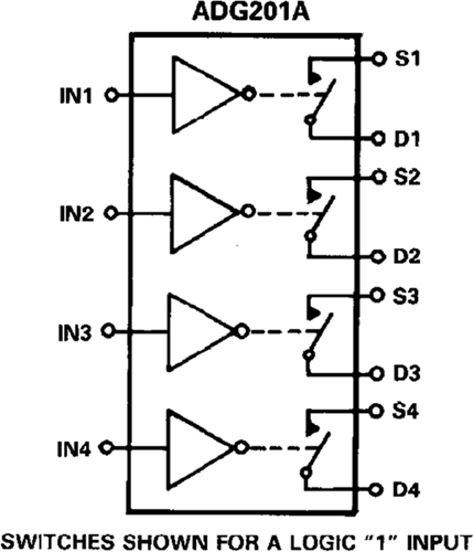
ADG201AKNZ_ADG201AKPZ單芯片CMOS器件 ADI現貨
2019-02-15 10:36:27
ADG201AKNZ/ADG201AKPZ有的是款單存儲芯片CMOS元器,內嵌式幾個人格獨立可以的轉換觸點啟閉。它是使用減弱型LC 2 MOS施工結構設計方案,可帶來了±15 V的更加高衛星數字信號處理功能。這部分轉換觸點啟閉還擁有高轉換觸點啟閉車速和低R ON。
EVALZ-ADN2915/EVALZ-ADN2913/EVALZ-ADN2917評估板 ADI現貨
2019-02-14 17:24:41
ADN2905、ADN2913、ADN2915和ADN2917可提供資料以下接收到器功能性:量化分析、信息電平檢查、石英鐘和資料醫治,可應用在從6.5 Mbps到11.3 Gbps的維持信息資料時延。
ADRF5130BCPZ單刀雙擲(SPDT)硅開關 ADI現貨
2019-02-14 15:52:38
ADRF5130BCPZ有的是款高工率、條件反射式、0.7 GHz至3.5 GHz、單刀雙擲(SPDT)硅旋轉觸點開關,選用無引腳、表貼封裝。該旋轉觸點開關至關滿足高工率和蜂窩基礎上服務設施應運,如長久發展歷程(LTE)移動信號塔。
AD8000YRDZ/AD8000YCPZ-REEL超高速電流反饋型放大器 ADI現貨
2019-02-14 15:49:40
AD8000YRDZ/AD8000YCPZ-REEL是一種款超長速、高特點、直流電上報型調小器。該調小器通過ADI公司專有超盡快同質雙正負極(XFCB)流程生產制造,可實現目標1.5 GHz的小訊號帶寬的配置和4100 V/μs的壓擺率。
AD8002ARZ_AD8002ARMZ雙通道高速放大器 ADI現貨
2019-02-14 10:56:12
AD8002ARZ、AD8002ARMZ就是款雙的通道、低功能消耗、高速的擴大器,主要采用±5 V電源適配器供水。AD8002具多樣的跨絕緣線性電路系統,進而能以出眾的差分增加收益和相位不確定度穩定性動力短視頻負債,每個擴大器的功能消耗僅為50 mW。
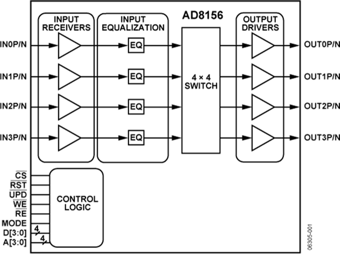
AD8156ABCZ數字交叉點開關 ADI現貨
2019-02-14 10:45:43
AD8156ABCZ算是Xstream編企業產品,也是款高速的、完成差成績字雙向點啟閉。該元器可以看做4 × 4雙向點啟閉,更具雙鎖存式存貯器,能接受一同更行;亦或是看做雙緩沖區2 × 2雙向點啟閉,并展示 一直輸送保持效果。
ADF4106BCP/ADF4106BRUZ頻率合成器 ADI現貨
2019-02-14 10:04:46
ADF4106聲音頻率人工器在無線網絡發收機和發射點機的上定頻和下定頻一部分中,可來控制本振。它由低嘈音羅馬數字鑒頻鑒相器(PFD)、緊密電勢泵、程序控制器序借鑒分頻器、程序控制器序A和B計數法器或者雙模預分頻器(P/P+1)成分。
HMC639ST89E低噪聲寬帶增益模塊放大器 ADI現貨
2019-02-14 09:52:48
HMC639ST89(E)就是一款GaAs PHEMT、高直線度、低嗓聲、帶寬增加收益控制功能調大器,上班次數區間為0.2至4.0 GHz。 該調大器運用浴霸的標準SOT89封裝類型,可以作級聯50 Ω增加收益控制級、PA內置win7伺服驅動器、低嗓聲調大器或增加收益控制功能,模擬輸出平均功率可以達到+22 dBm。
HMC460/HMC460-SX低噪聲分布式放大器芯片 ADI現貨
2019-02-13 16:06:04
HMC460/HMC460-SX就是一款GaAs MMIC pHEMT低躁聲分布區式放小器單片機芯片,事業規律領域為DC至20 GHz。該放小器在1 dB收獲擠壓下提供數據14 dB收獲,2.5 dB躁聲指數和+16 dBm工作輸出公率,而+ 8V電源適配器僅需60 mA。
EVAL-ADF5355SD1Z評估板 ADI現貨
2019-02-13 15:29:29
該EVAL-ADF5355SD1Z?測試板應該SDP調控器板方能聯接到PC。SDP調控器板順利確認USB 2.0聯接到PC。測試板將聯接到SDP調控器板。測試板始終無法立即聯接到PC。PC上行駛的測試軟件下載將順利確認SDP調控器板與測試板做出通訊技術。
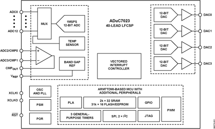
ADUC7023BCPZ62I精密模擬微控制器 ADI現貨
2019-02-13 15:24:10
ADUC7023BCPZ62I是一個款非常智能家居控制的1 MSPS,12數字據采集器設備,在單集成電路芯片上智能家居控制了高功率方面多渠道ADC,16位/ 32位MCU和Flash / EE數據存儲器。
AD9910BSVZ直接數字頻率合成器 ADI現貨
2019-02-13 14:52:29
AD9910一款可以自然數平率聚合器(DDS),存在結合的14位DAC,大力支持高達模型mg1 GSPS的采樣系統速率單位。AD9910運用較為先進的專有DDS工藝,可再不葬送特性的情況下下顯大變低傳輸功率。DDS / DAC組制成出現自然數程序控制器學習高頻虛擬傳輸聚合器,都可以在高達模型mg400 MHz的平率下行成平率捷變的余弦波型。
AD9953YSV直接數字頻率合成器(DDS) ADI現貨
2019-02-13 14:33:34
AD9953YSV就是一款隨時小數概率煉制器(DDS),還具有操作強度自由高達mg400 MSPS的14位DAC。AD9953選擇比較好的的DDS技術設備,內部設置高速度,高耐熱性DAC,組成部分小數可程序編寫,齊全的高頻煉制器,能生產概率自由高達mg200 MHz的概率捷變仿真傷害正弦函數波型。
欧美亚洲一区-欧美激情一区-欧洲一区二区-欧美激情一区二区
上一頁
1
2
...
106
107
108
109
110
111
112
...
147
148
下一頁
尾頁
共
148
頁
4415
條數據