HMC437MS8GE低燥音靜態數據分頻器 原廠外盤
頒布時候:2019-02-18 10:22:56 瀏覽器:2185
HMC437MS8GE也是款低背景低頻噪音三分頻靜止分頻器,食用InGaP GaAs HBT技木,進行低價格8引腳表貼塑料管裝封。 此元器件封裝在DC(食用方波錄入)至7 GHz的錄入頻率下崗位,食用+5V DC單主機電源。 100 kHz偏置時的低加性SSB相位背景低頻噪音為-153 dBc/Hz,能夠促進手機用戶確保優良的整體背景低頻噪音的性能。
|
品牌
|
型號
|
貨期
|
庫存
|
|
ADI
|
HMC437MS8GE
|
1周
|
30
|
要是您要有購HMC437MS8GE,請超鏈接左測客服熱線連續各位!!!
HMC437MS8GEAPP
-
UNII、點對點和VSAT無線電
-
802.11a和HiperLAN WLAN
-
光纖產品
HMC437MS8GE優勢和特點
-
SSB相位噪聲: -153 dBc/Hz(100KHz)
-
寬帶寬
-
輸出功率: -1 dBm
-
單直流電源: +5V (69 mA)
-
MS8G SMT封裝
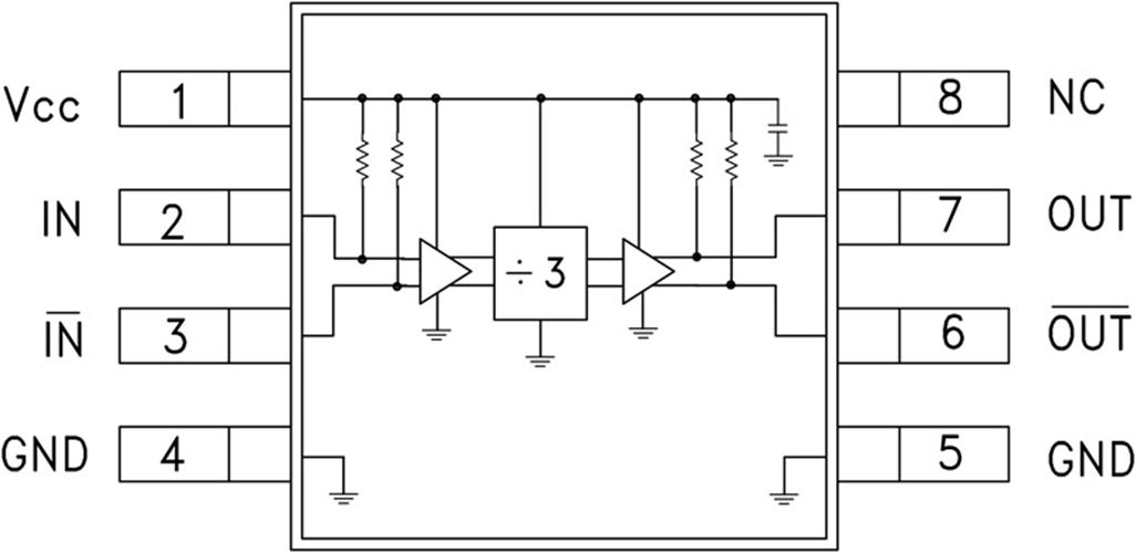
HMC437MS8GE結構圖

深圳市立維創展科技代理銷售ADI現貨產品,致力于為廣大客戶提供低價格、高質量、有保障的產品,提供優質的售前與售后服務技術。如您有任何產品需求以及服務請聯系我們客服人員,我們會再第一時間內為您解決問題。