HMC311LP3異質結雙導電性納米線管 ADI現貨平臺
正式(shi)發布時光:2019-02-18 10:05:38 觀(guan)看(kan):1620
HMC311LP3是一種款GaAs InGaP異質結雙導電性結晶管(HBT)增加收益組件MMIC SMT放縮器,運作幀率范圍圖為DC至6 GHz。 此款3x3mm QFN封口放縮器都可以作級聯50 Ohm增加收益級或應用于推動模擬輸出電機功率多達+17 dBm的HMC混頻器LO。 HMC311LP3(E)給出14.5 dB的增加收益,+32 dBm的模擬輸出IP3,此外僅需+5V供電給出56 mA電流量。 所用到的的達林頓信息反饋對可降底對正常情況加工制作工藝 發生改變的明感度,給出表現出色的攝氏度增加收益平衡性,只需很少的外部結構偏置部件。
|
品牌
|
型號
|
貨期
|
庫存
|
|
ADI
|
HMC311LP3
|
1周
|
60
|
倘若您必須 購HMC311LP3,請點擊進入右測克服鏈接讓我們!!!
HMC311LP3用(yong)
-
蜂窩/PCS/3G
-
固定無線和WLAN
-
有線電視和電纜調制解調器
HMC311LP3的優勢和性能
-
P1dB輸出功率: +15.5 dBm
-
輸出IP3: +32 dBm
-
增益: 14.5 dB
-
50 Ohm I/O’s
-
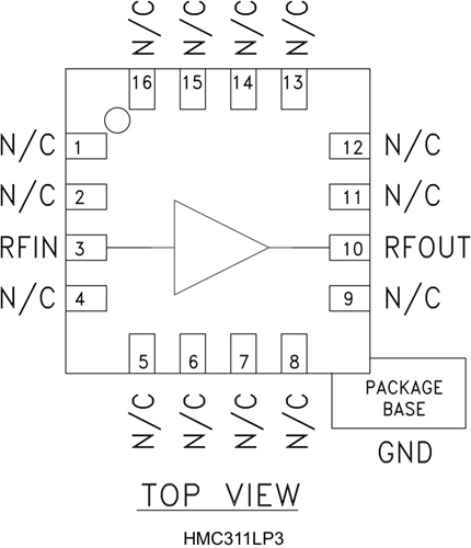
16引腳3x3 mm SMT封裝: 9mm2
HMC311LP3結構圖

深圳市立維創展科技代理銷售ADI現貨產品,致力于為廣大客戶提供低價格、高質量、有保障的產品,提供優質的售前與售后服務技術。如您有任何產品需求以及服務請聯系我們客服人員,我們會再第一時間內為您解決問題。