產業手游資訊
頒布時間:2019-02-18 09:55:24 預(yu)覽:1540
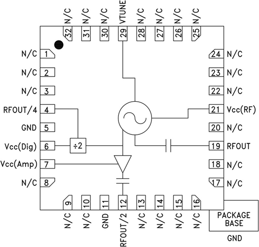
HMC584LP5E是一款GaAs InGaP異質結雙極性晶體管(HBT) MMIC VCO。 HMC584LP5(E)集成了諧振器、負電阻器件和變容二極管,可輸出半頻,并提供4分頻輸出。 由于振蕩器的單芯片結構,VCO的相位噪聲性能在溫度、沖擊和工藝條件下均非常出色。 采用+5V電源電壓時,輸出功率為+10 dBm(典型值)。 如果不需要,可以禁用預分頻器和RF/2功能以節省電流。 該電壓控制振蕩器采用無引腳QFN 5x5 mm表貼封裝,無需外部匹配元件。
| 品牌 | 型號 | 貨期 | 庫存 |
| ADI | HMC584LP5E | 1周 | 50 |
HMC584LP5E運用
HMC584LP5E優勢和特點
Fo/2 = 6.25 - 6.95 GHz
HMC584LP5E結構圖

深圳市立維創展科技代理銷售ADI現貨產品,致力于為廣大客戶提供低價格、高質量、有保障的產品,提供優質的售前與售后服務技術。如您有任何產品需求以及服務請聯系我們客服人員,我們會再第一時間內為您解決問題。