AM07512041WN-SN-R/AM07512041WN-00-R功率放大器芯片 代理現貨
2019-02-20 14:36:54
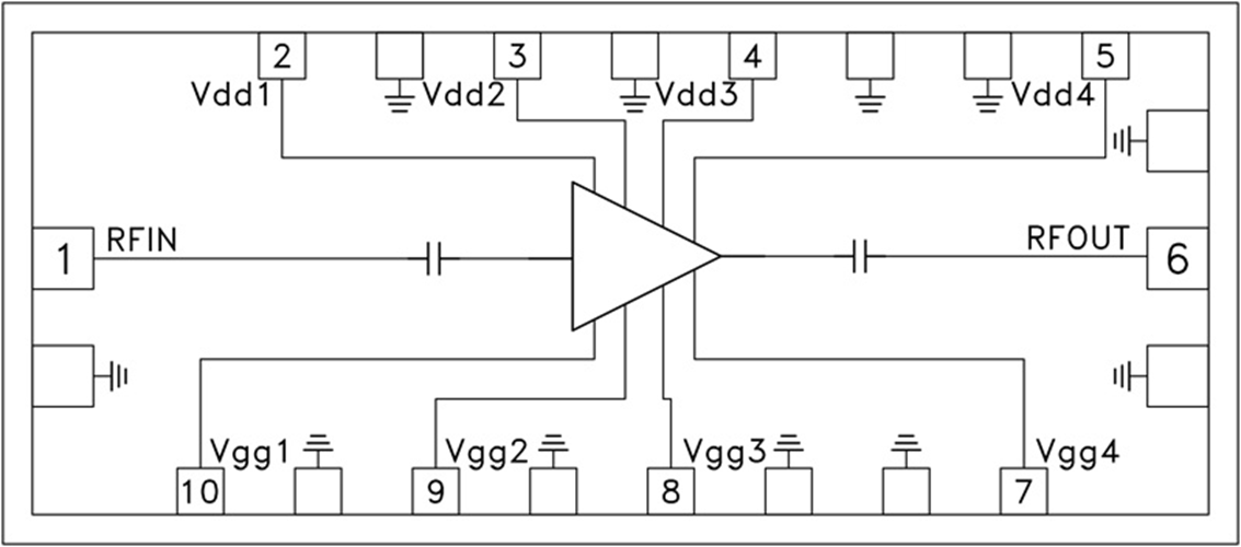
AMCOM廠家的AM07512041WN-SN-R/AM07512041WN-00-R存儲芯片是款聯通寬帶氮化鎵MMIC工作電壓變小器。它在8.25至11.75GHz頻段享有28dB的增加收益和42dBm的導出精度工作電壓。AM7512041WN-SN-R用衛浴陶瓷封裝,包含卡箍和直頻射和電流引線,使用在嵌入式按裝。它的增加收益為27db,導出精度工作電壓為41dbm,在8.25至11.75GHz頻段。