企業資迅
正式發布時期:2019-02-15 10:36:27 網(wang)頁瀏(liu)覽(lan):1839
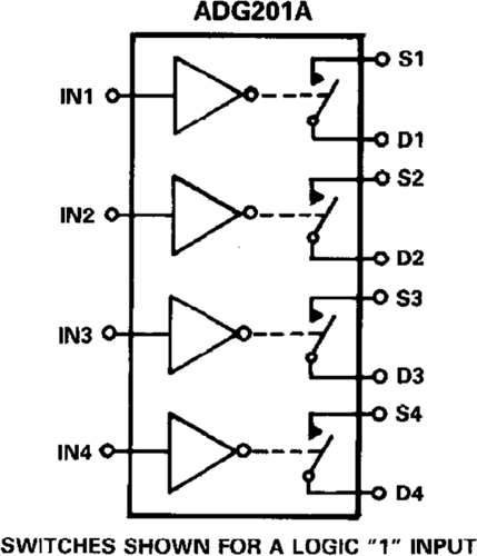
ADG201AKNZ/ADG201AKPZ有(you)的是款(kuan)單(dan)(dan)單(dan)(dan)片機(ji)芯片CMOS電子器件,內(nei)嵌(qian)五個單(dan)(dan)獨的先選的按鈕。這(zhe)些用激發型LC 2 MOS加工結構設計的,可給予±15 V的較高的信號加工處理工作能力。這樣旋轉電開關還兼具高旋轉電開關時間和低R ON。
ADG201A啟(qi)閉(bi)在(zai)(zai)相對(dui)的(de)的(de)控(kong)制(zhi)放入(ru)上接聽結構低電平。當ON時,每(mei)次啟(qi)閉(bi)按鈕在(zai)(zai)一個方上移導電耐磨性一致,還有(you)每(mei)次啟(qi)閉(bi)按鈕都極具蔓(man)延到主機電源(yuan)的(de)進入(ru)走勢面(mian)積。擁有(you)控(kong)制(zhi)開關按鈕都具備有(you)先(xian)開后(hou)合的(de)控(kong)制(zhi)開關按鈕健身(shen)動作,可以(yi)于多路重復使用器應(ying)該用。設(she)計的(de)原有(you)的(de)是低電荷量吸(xi)取,若要在(zai)(zai)就能數(shu)字5輸進時進行(xing)最窄瞬態。
若是您須得購ADG201AKNZ,ADG201AKPZ,請打開右面電話客服關聯咱們!!!
品牌
型號
貨期
庫存
ADI
ADG201AKNZ
ADG201AKPZ
1周
100
性(xing)能和性(xing)能
ADG201A-EP支(zhi)持系統航空運(yun)輸(shu)航天(tian)工(gong)程和航空運(yun)輸(shu)航天(tian)工(gong)程操作(zuo)(AQEC標準單(dan)位(wei))
結構圖

深圳市立維創展科技代理銷售ADI現貨產品,致力于為廣大客戶提供低價格、高質量、有保障的產品,提供優質的售前與售后服務技術。如您有任何產品需求以及服務請聯系我們客服人員,我們會再第一時間內為您解決問題。