欧美亚洲一区-欧美激情一区-欧洲一区二区-欧美激情一区二区
歡迎圖片來成都 市立維創展新材料技術有限的企業官網qq網站下載!
英文版
24H產品電活 0755-83050846 / 83039348
搜索
欧美亚洲一区-欧美激情一区-欧洲一区二区-欧美激情一区二区
關于我們
微波元器件
AMCOM
CUSTOM MMIC
RF-LAMBDA
QORVO
MACOM
SOUTHWEST
NOVA射頻微波
KRYTAR
Aeroflex-API Tech
Anaren
Anritsu
RADITEK
North Hills
Synergy微波
WENTEQ
MITEQ
Marki
RF-Labs
ADI
CREE
UMS微波
PULSAR微波
MegaPhase
JDSU光纖測試
AMG-Microwave
Ironwood
Teledyne防務電子
HEROTEK
ARRA
MCLI
Leadway
CERNEX
Mi-Wave
ATM Microwave(L-3)
UTE Microwave
NEL Frequency Controls
API SAW Oscillators
SemiGen
KR Electronics
MECA
Electro-Photonics
RLC Electronics
JUPITER(Canada)
?IPP
電源模塊
PICO
Cyntec乾坤
GAIA
VICOR
LINEAR
ARCH
SynQor
TOREX
SILERGY矽力杰
DELTA
XP power
DAC | ADC芯片
EUVIS
ADI
Teledyne E2V
微處理器
PADAUK應廣單片機
中科昊芯DSP
先楫MCU
雅特力MCU
Intel-ALTERA FPGA
澎湃微
風扇
DELTA臺達風扇
SUNON建準風扇
熱縮管
Raychem
自研產品
LEADWAY電源模塊
LEADWAY微波產品
聯系我們
業內資訊新聞
欧美亚洲一区-欧美激情一区-欧洲一区二区-欧美激情一区二区
微波元件資訊
微波元件資訊
微波元件
電源模塊
ADC|DAC芯片
熱縮管
微處理器
風扇
自研產品
?ADRF5040單刀四擲SP4T射頻開關ADI
2025-04-28 16:30:31
ADRF5040 是 ADI 的高要進行隔離度硅基 SP4T rf微波射頻觸點開關,非光反射規劃、就能快且靠得住。叁數上,頻段所覆蓋 9 kHz - 12.0 GHz,8 GHz 時要進行隔離度 34 dB、嵌入損耗率 0.8 dB,效率解決及規則化度佳,選取緊湊型打包封裝,支持 0 - 3.3 V 控住、±3.3 V 低耗電供氣,大量利用于測試儀估測、通訊網絡、軍用雷達天線及工業rf微波射頻情景。
?Lab-Flex S線纜RF-Labs
2025-04-22 16:43:41
Lab-Flex S電線電纜是Smiths Interconnect(史密斯英特康)悉心制造的幾款一流同軸rf射頻電線電纜模塊,運行了絞合式機構導體系統,專為如何應對高各式各樣撓曲消費場景而裝修設計。
?ABSD-10168PSM單端轉差分有源巴倫30 GHz
2025-04-22 16:41:07
ABSD-10168PSM是款依托于砷化鎵(GaAs)建筑材料的有源片式微波通信集成型電源線路(MMIC)巴倫,進行了 3mm 尺寸規格的 QFN(Quad Flat No-leads,即四海扁形無引腳)的表面貼裝封裝類型組織形式。
?SAFS3-27503100-20P-GW1內置測試探測器放大器MITEQ
2025-04-21 17:00:33
SAFS3-27503100-20P-GW1不是款由 Narda-MITEQ 帶來的內裝試驗發現器變小器,得益于其出色的效果參數設置和非常廣泛的軟件主要用途,當上微波通信表現治療中的重要的引擎。
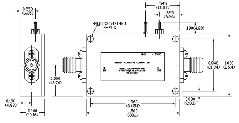
ALN4250-12-3535毫米波低噪聲放大器WENTEQ
2025-04-21 16:58:16
ALN4250-12-3535公分波低嘈音拖動器(LNA)是WENTEQ集團在公分波網絡通訊網這個領域的根本好產品,豐富利用于5G/6G網絡通訊網、定位網絡通訊網、預警雷達設備等中頻應用場景。
?RADI-5.8-8.5-MS-2-3W 微帶隔離器RADITEK
2025-04-16 16:27:59
RADI-5.8-8.5-MS-2-3W 有的是款由 RADITEK廠家制作的高機械性能、高正規性的微帶隔開器,適于于 5.8 GHz 至 8.5 GHz 頻段的中低檔電率廣泛應用。RADI-5.8-8.5-MS-2-3W市場大的的隔開度和低讀取耗費性質,使其成了手機無線無線通訊、雷達探測模式等領域的良好挑選。
43KC系列固定衰減器Anritsu
2025-04-16 16:24:09
43KC程序比較固定好衰減器是日本安立(Anritsu)司面市的是一款高穩定性rf射頻衰減器服務,Silver Line程序比較固定好衰減器適和在工作頻率區域為 DC 到 40 GHz 的程序和 OEM 機中食用。專為中頻無線網絡通信程序設計方案,范圍廣軟件應用于微波射頻無線網絡通信、測式量測、汽車雷達程序等區域。
?X4BD10L1-50200G巴倫變壓器Anaren
2025-04-16 16:21:23
X4BD10L1-50200G就是款由 Anaren產量的巴倫干式變壓器(Balun Transformer)。X4BD10L1-50200G應屬于 從表面貼裝(SMT)封口,做工作頻繁 范圍之內包含 5G 頻段,擁有 穩定性-不穩定性準換 用途,實使用微波射頻(RF)和wifi通信設備運用。
ATL4x系列開關位衰減器Aeroflex-Weinschel
2025-04-15 16:46:31
ATL4x系統旋轉開關位衰減器是Aeroflex(現一種API Technologies)主打Weinschel國際品牌的是一款高功能頻射紅外光衰減器,專為必須要 精確度警報衰減和最快設置的使用情景開發。
?101040010\101040010K定向耦合器KRYTAR
2025-04-15 16:43:02
KRYTAR的101040010\101040010K交叉耦合電路器提升了最好不同的用途帶狀線方案的選取,等方案在1.0至40.0 GHz的超大帶頻段面積內兼具突出的交叉耦合電路耐腐蝕性,和封裝類型寬敞輕便。
?20W小功率插入式循環器NOVA Microwave
2025-04-15 16:39:17
20W插入圖式循環往復器是由NOVA Microwave制作的這款小最大功率、高功效紅外光/rf射頻物料,大范圍軟件于數據通信在線、中國中國國防中國國防、蜂窩在線和無線網相關行業。
?53030-002J 0.9 mm同軸連接器SOUTHWEST(西南微波)
2025-04-09 16:41:36
53030-002J 是 Southwest Microwave(華東紅外光) 投放市場的兩款 0.9mm SuperMini系列產品同軸無線射頻對接器,應歸低頻、小行化app設計的的高使用性能同軸無線射頻對接器,擁有超大傳輸速率、低耗損、高可以信賴性和可以集成型等的優勢。
?MASW-011094型Ka波段高功率單刀雙擲(SPDT)開關MACOM
2025-04-09 16:38:41
?MASW-011094是MACOM的哪款高輸出熱效率單刀雙擲(SPDT)旋轉旋鈕,其rf射頻端口處為 50 歐姆銷售終端。是一款移動寬帶、高非線性度的 SPDT 旋轉旋鈕專為 Ka k線運用而設計方案,在大環境溫為 +85°C 時可進行處理獨角獸高達 40 瓦的聯續波輸出熱效率,同時始終保持低復制損耗費和高丟開度。
?QPA1724D GaN功率放大器17.3 - 21.2 GHz
2025-04-09 16:36:17
Qorvo主打產品的QPA1724D是一種款專為高工率用途制定的Ku波長MMIC(單面徽波一體化電路設計)增加器,其核心內容工藝流程分為Qorvo有意識的主動研發項目管理的0.15毫米GaN on SiC枝術(款型:QGaN15)。
?RFLUPA00G22GA L波段寬帶功率放大器RF-LAMBDA
2025-04-08 17:12:39
?RFLUPA02G06GC-B是款由 RF-Lambda 總部的生產加工的100W帶消隱作用的固定電功率變大器,RFLUPA02G06GC-B的裝修設計和的生產加工均非常符合從緊的軍工規格,有效確保了其在所有一些惡劣室內環境下的高耐用性和高特性。
?CMD201/CMD201P5寬帶分布式功率放大器區別
2025-04-08 17:07:34
CMD201和CMD201P5都要Qorvo工司推行的聯通寬帶勻稱式瓦數變大器,具類似的的機電主要參數和應用軟件的領域
AM042001XD-P3寬帶毫米波混頻器的性能和其他的同類產品相比如何?
2025-04-08 17:03:55
AM042001XD-P3 就是一款由 AMCOM新公司 設計制作的高功效雙平衡性無源混頻器,專為 350 MHz至2000 MHz 的網絡帶寬mm毫米波頻段軟件開發設計。
?BergStak HS? 0.50毫米平行扣卡連接器AMPHENOL
2025-04-07 16:45:23
?AMPHENOL的FCI Basics BergStak HS?接入器品類因而高效的動態數據信息發送、高的信號水平和經常性應該用下路過時間段核實的準確性而知名。BergStak HS?0.50mm接入器品類,間隔距離為0.50mm,可構建高至PCIe?Gen 5 32Gb/s的速度動態數據信息應該用。
?NC401-C50H噪聲二極管Noisecom 現貨庫存
2025-04-07 16:42:56
NC401-C50H 是 Noisecom 裝修公司出產的嗓聲整流穩壓管,是 Noisecom 的NC400類型嗓聲整流穩壓管,能發生軸對稱的高斯白嗓聲,在較寬聲音頻率使用范圍內有出平整的工作功率譜體積,可給予保持穩定且平滑的嗓聲數據
?Leadway玻璃金屬密封排針
2025-04-07 16:39:10
Leadway窗玻璃輕金屬密封帶排針就是一種特殊化的接入器控件,其主要使用要有高氣密性性、耐高壓電、耐溫度高與防環保問題的電子技術專用設備中。
?DH30W10系列DC-DC轉換器CINCON
2025-03-28 16:10:51
?CINCON(幸康電子廠)發行的DH30W10系類隔離防曬式DC-DC轉化成器,因而高使用性能和寬插入工作電壓電流范疇聞名世界。DH30W10系類DC-DC轉化成器專為150至1500VDC的寬幅工作電壓電流插入定制,打出公率高達hg30W,且效應優質,電動車續航89%。
PSOC? 4000T系列32位PSOC? Arm? Cortex?微控制器Cypress
2025-03-28 16:05:23
PSOC? 4系類單面機以它可括展性為體系化,媲美了高的Arm? Cortex?-M0+ CPU。這一系類單面機集變成了高能力的電解電容與感應器感應器子軟件,或者輕松可編譯程序的虛擬仿真和數字化模塊電源,為顧客可以提供了豐富的的的功能選擇項。
?AT-602-B精密步進衰減器RLC Electronics
2025-03-28 15:58:52
AT-602-B是RLC Electronics制定的600Ω五金機械步進電機控制電機衰減器,專為中頻預警(DC-1MHz)構思,展示0-100dB的寬衰減依據,步進電機控制電機精準度達1dB。
Q3XP-10000R-SMA混合耦合器Electro-Photonics
2025-03-27 16:32:43
?Q3XP-10000R-SMA搭配著藕合器是一個款專為預防嚴歷訊號正確處理環保而設置的高能頻射/微波頻射器材。Q3XP-10000R-SMA搭配著藕合器在訊號溶合與制成、無線天線波束導致網站、頻射放縮器、測驗與側量等諸多范疇豐富應運。
?802-10-1.700V電源分路器/組合器MECA
2025-03-27 16:29:02
?802-10-1.700V一款由MECA Electronics 生產的 2 路 QMA 型主機電源分路器/組成器,802-10-1.700V分路器/組成器通過 QMA 接口協議,具備有順暢的電力電氣平穩性和機械化平穩性,并能在較低頻繁下保持低耗費、高隔離開度的走勢都分配好與組成。
2010-3帶通濾波器KR Electronics
2025-03-27 16:24:54
?2010-3帶通濾波器由KR Electronics構思生產方式,專為必須精確性決定目標頻段訊號的的場合而構思。其規律的范圍蓋住4.2 kHz至4.8 kHz,中心站規律為4.5 kHz,帶寬起步可達600 Hz。在訊號傳送工作中,其放進去耗率僅為1.5 dB,這表明著訊號實現時人體脂肪損耗加性,要保持著訊號的原創密度和質量管理。
?01311-01A衰減器SemiGen
2025-03-24 15:53:31
SemiGen的01311-01A衰減器有的是款高效能rf射頻微波加熱固定的衰減器,利用好的陰陽離子束蝕刻薄膜系統盡心著力打造,保障了高精確度與漂亮的漆層平滑度。
?MN724-0400.0000壓控SAW晶振
2025-03-24 15:50:45
MN724-0400.0000是API SAW Oscillators竭力構造的五款壓控聲從表面波(SAW)自激振蕩器(VC-SAW Oscillator),專為中頻且要寬度穩定的性的運用場面而定制。
AE-x3A2系列SINEWAVE高頻壓控晶體振蕩器(VCXO)
2025-03-24 15:47:48
AE-x3A2國產SINEWAVE低頻壓控尖晶石諧振器(VCXO)就是款高性護膚品,人員配備CMOS/LVCMOS輸出的因素。其特色重要優異的低相位躁音突出表現、優質的低頻繁固定性分析及空泛的頻繁蓋住超范圍,全就能夠適合有難度千變萬化的微電系統軟件需要量。
?CT-3042-O,CT-3041-N鐵氧體環行器UTE Microwave
2025-03-21 15:52:25
CT-3042-O與CT-3041-N鐵氧體環行器歸于非互易型多機口微波通信構件,二者采取鐵氧體原材料的旋磁因素來確認網絡信號的單邊高速傳輸。
欧美亚洲一区-欧美激情一区-欧洲一区二区-欧美激情一区二区
上一頁
1
2
3
4
5
6
7
8
...
146
147
下一頁
尾頁
共
147
頁
4387
條數據