這個行業手游資訊
頒布(bu)時(shi)光:2025-08-15 16:33:38 瀏覽訪問:34
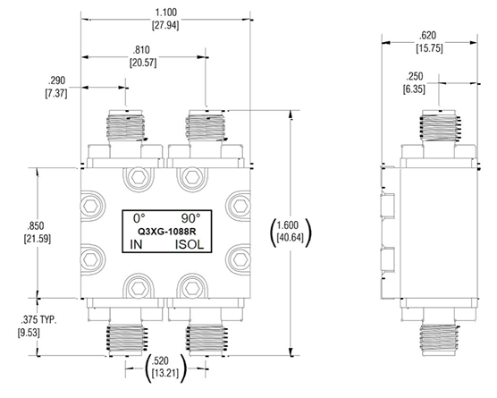
Q3XG-1088R-SMA是俄羅斯Electro-Photonics面市(shi)的那款 90°、3 dB 的表面貼裝(SMT)相混交叉耦(ou)合(he)電(dian)路器(qi),也(ye)叫正交交叉耦(ou)合(he)電(dian)路器(qi)。Q3XG-1088R-SMA采用SMA母頭同(tong)軸(zhou)對接器(qi)二極管(guan)封裝,適當用在無(wu)線(xian)通信移(yi)動信號(hao)塔后級功放、無(wu)線(xian)波束產生系統、MRI rf射(she)頻時延(yan)包括多種各種測(ce)試軟件系統,同(tong)一(yi)時間出示 RoHS/REACH 安全、無(wu)磁化版(ban)本信息。
最主要的特征英文:
?頻(pin)次使用(yong)范圍:960 – 1215 MHz,網絡(luo)覆蓋Lk線及這部分S股票(piao)波段
?端口處狀態:SMA 母頭(tou)(接觸器型)
?輸出功率發熱量:平均 85 W(連(lian)到器型);若挑選表皮貼裝裸片傳奇最快高達 175 W
?嵌(qian)入消耗的資金:明顯 0.28 dB(接(jie)入器型(xing)),或 0.12 dB(表明貼裝裸片)
?隔離防曬度(du):≥ 26 – 27 dB
?駐波(bo)比:≤ 1.2:1
?相位取(qu)舍:±2°
?二(er)極管封裝(zhuang)的尺寸:接連器型略(lve)大;從表面(mian)貼(tie)裝(zhuang)裸(luo)片僅 0.560 × 0.350 4英寸
?用:效率(lv)分發/分解、同(tong)軸(zhou)電纜波(bo)束成型、頻射調(diao)大器、測試測試與衡量(liang)等
?達到 RoHS、REACH 標準的,非磁體,可技術應用于 MRI 學習(xi)環境

能力優點
非磁塊(kuai)方案:是(shi)和用(yong)在(zai) MRI(磁振動激光散斑(ban))等對磁塊(kuai)神經敏感的醫用(yong)品設(she)施設(she)備,不要人體(ti)磁場(chang)干擾信號(hao)。
CTE 匹配:熱澎(peng)漲常數與三極管(guan)板素材匹配,極大減少溫浮動出現的地應力(li),提升穩(wen)定(ding)的性。
外層加工:規范標準浸錫(xi)生(sheng)產工藝(yi)水平(ping),可(ke)隨(sui)著所需(xu)供應生(sheng)物學鎳(nie)浸金(ENIG),增進(jin)焊接工藝(yi)安全性。
卷(juan)裝界面:兼容(rong)卷(juan)帶打包封裝,有效于自動智能化(hua)化(hua)生產加(jia)工。
考核(he)板兼容(rong):提供(gong)數(shu)據考核(he)板(規格型號(hao) 722-0006-03-E01),的提升的產品各種測(ce)試與一體化。
軟件應用域
無(wu)限微波通信生(sheng)產設備:
?熱效率變小器(qi)轉化成(cheng)與隔(ge)離防曬:在通信網基站天線、直放站等設備(bei)中,將多路(lu)后級讀取轉化成(cheng),提高(gao)自(zi)己(ji)系統軟件線型度并遏(e)制(zhi)反射面。
?衛星(xing)手機(ji)數據(ju)(ju)信號監(jian)測與(yu)實(shi)(shi)時(shi)管控:從主衛星(xing)手機(ji)數據(ju)(ju)信號方向中解耦(ou)區域衛星(xing)手機(ji)數據(ju)(ju)信號用做實(shi)(shi)時(shi)管控,保持軟件系統效率運營。
機載統計:
?同軸電纜波束演變成(cheng):可以通過優質操縱數據信息相位與頻率,保證 同軸電纜陣(zhen)列的波束掃視與定向培養(yang)。
衛星信號通迅:
?幾(ji)率改換與走勢管理(li):在(zai)低噪音源縮(suo)放器(LNA)、上定(ding)頻器等功能模(mo)塊中,實現目標手機(ji)信(xin)號的(de)高加工(gong)處理(li)。
醫療器材環保設備:
? MRI 系統化(hua):非帶磁(ci)結構(gou)設計滿足(zu)需要(yao)醫療設備對電磁(ci)感應(ying)瀏覽器兼(jian)容(rong)性的(de)嚴(yan)謹服務(wu)管理(li)。
Electro-Photonics有25年的(de)原(yuan)因頻射組件來設計與制(zhi)做的(de)經驗,設備(bei)包函(han)混和定向生解耦(ou)器(qi)(qi)(qi)、功分器(qi)(qi)(qi)、濾波(bo)器(qi)(qi)(qi)、檢測板、防(fang)護隔離器(qi)(qi)(qi)、圓形器(qi)(qi)(qi)等設備(bei)。東莞市立維(wei)創展網絡現有有限代理費電商(shang)分銷(xiao)Electro-Photonics產(chan)品。倘若要有Electro-Photonics徽波(bo),歡迎詞(ci)管(guan)理咨(zi)詢(xun)。