制造業手游資訊
發部時間段:2025-08-12 16:50:11 查看:54
2318是KR Electronics發(fa)布的(de)高效能(neng)窄帶帶通(tong)濾波(bo)器,專為(wei)中(zhong)頻信息整理行(xing)業設汁。該濾(lv)波器用細密的(de)LC諧振電源(yuan)線路形(xing)式,滿足服務(wu)中(zhong)心(xin)頻帶寬度會員精準營(ying)銷、通(tong)帶衰大幅度降(jiang)低(di)、阻(zu)帶緩和強等(deng)優點,可便捷生成(cheng)目(mu)標頻段數(shu)(shu)字(zi)訊(xun)(xun)(xun)號并合理治(zhi)理和改善臨近干(gan)撓,常見應用領域于(yu)音響清(qing)理、動物(wu)中(zhong)醫學(xue)數(shu)(shu)字(zi)訊(xun)(xun)(xun)號收(shou)集、工業感應器器數(shu)(shu)字(zi)訊(xun)(xun)(xun)號慢(man)慢(man)調理及統計資料收(shou)集體系等(deng)動畫場景。
管理處主要參數(shu)與(yu)穩(wen)定性招生指標
速度空(kong)間(jian):3 kHz – 10 kHz(3 dB通帶),中心(xin)點的頻率脫貧攻(gong)堅精確定位(wei)至6.5 kHz。
通帶寬起步(bu)度:7 kHz(3 dB上行速率),切實保障(zhang)受(shou)眾頻段預(yu)警完整(zheng)版能夠。
插(cha)入表格衰(shuai)減:≤1.5 dB(6.5 kHz處其最典型(xing)的值<1 dB),手機信(xin)號衰減很低。
阻帶控制:距公司頻次±18.5 kHz處(chu)可抑(yi)制≥32 dB,高效分(fen)隔干(gan)涉數據信息(xi)。
端口處電位差:規則配制為10 kΩ(PCB引腳(jiao)型),大力支持定制(zhi)化(hua)50 Ω/600 Ω等輸出阻抗首選項(xiang)。
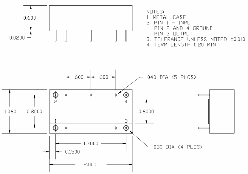
封(feng)裝方法:單列直插(cha)式(SIP)0.3"引腳行(xing)距PCB方(fang)案,尺寸約25 mm × 13 mm × 8 mm,更(geng)好地結合。

技術(shu)性的(de)工(gong)作(zuo)原(yuan)理與實行方(fang)式英文(wen)
頻繁 首選(xuan)性制度化:可以通過LC諧振(zhen)電路設計(ji)(電感L與(yu)電容(rong)(電容(rong)器)C結構)達成指定區域規律崩(beng)潰(kui),僅能(neng)(neng)(neng)接受(shou)6.5 kHz附(fu)進警(jing)報(bao)能(neng)(neng)(neng)夠 ,時候可抑(yi)制別的(de)頻段基本成分(fen),控制窄帶(dai)濾(lv)波能(neng)(neng)(neng)力(li)。
相位性(xing)能(neng)改(gai)善:很理想規劃下(xia)通帶內相位呈(cheng)線型,現實情況(kuang)用電(dian)線路(lu)經(jing)過部件規格(ge)優化調整減輕相位偏(pian)色(se),狠抓(zhua)移動信號波形圖全(quan)面性。
體現結構(gou)的(de):無源LC濾波器:由電感、電容器(qi)產生,無須第三方電源(yuan)模塊(kuai),適(shi)合于高頻率景象,安全穩定性(xing)強。
拓撲(pu)格局格局:按照π型(xing)或T型(xing)三(san)極(ji)管,完成多維度件組成改(gai)變繁瑣幾率采用(yong),同時安全性(xing)能與嚴(yan)謹性(xing)酶性(xing)。
一般(ban)軟件應(ying)用場所
音(yin)視頻(pin)補救
l 聲音提高(gao):生成(cheng)原音或弦樂(le)器在6.5 kHz旁(pang)邊的諧波部(bu)分,克(ke)制高頻低頻噪音(如嗡(weng)嗡(weng)嗡(weng)聲)和(he)高頻吱吱聲(如嘶嘶聲)。
l 平衡器結(jie)構設計:做選頻摸(mo)塊(kuai),精(jing)準度設(she)定(ding)語音(yin)頻譜平衡量,優化調整感覺器(qi)官使用。
動物醫療信號燈補(bu)救
l 心電圖檢查(ECG):濾掉肌電不干(gan)擾,取出心臟,十分重要的活動癥狀次數,提升(sheng)自(zi)己電磁波(bo)清淅度(du)。
l 腦電圖(EEG):隔(ge)開其他腦(nao)電波頻段(如(ru)α波、β波),助手周圍神(shen)經科學合理鉆研。
感知(zhi)器(qi)無線信號調(diao)理
l 產(chan)生(sheng)振動感應器器:生成(cheng)機器震動(dong)幅度中(zhong)的(de)關鍵的(de)規律有效(xiao)成(cheng)分,廣泛用于設配常(chang)見(jian)故(gu)障物理(li)診斷與預測性(xing)保障。
l 音波調節器器:過(guo)濾區域(yu)環(huan)境躁音(隨風(feng)聲、出行(xing)噪音分貝(bei)),提升對方聲訊(xun)號(如聲音、機械裝備聲)。
數據源采(cai)集器模(mo)式
l 篩選中頻嘈音不(bu)干擾(rao),切實(shi)保(bao)障采集(ji)工具(ju)數字(zi)信號在6.5 kHz頻段內的完整(zheng)性(xing)性(xing),常在科(ke)學研究實(shi)踐、工業品(pin)監測站等高控制精度畫面。
鄭州市立維創展科技發展現有企業授權文件一級代理銷售人員KR Electronics濾波器護膚品(pin)。并帶來(lai)了售前技(ji)術設備搭載和售后維修產品(pin)技(ji)術設備搭載產品(pin)。