DACP18001寬帶模擬探測器Teledyne
2024-03-20 17:20:32
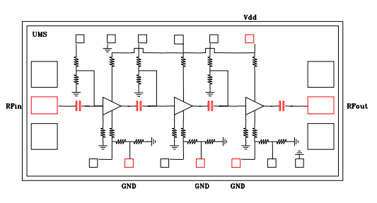
DACP18001是Teledyne的的款網絡帶寬仿真模擬遙測系統器,其工作上平率面積為0.1至18 GHz,電率面積為-30.0至+5.0 dBm,封裝類型在隔絕的低頻CougarPak中,可以可行預防外部環境干預,切實保障遙測系統器的動態平衡運轉。該檢波器由 ±5 VDC 變電,在 -15 dBm信息撓度下兼有 140 mV 的典型的敏銳度,同一蓋住 –55°C至 +85°C 的寬溫面積下溫暖因素動態平衡性±0.25dB。 適用精密模具直流電耦合電路視頻播放調小器,脈寬回復時段大于 1 μs,且在另一溫暖因素面積內維持不高于 ±2 mV 的內容輸出失調癥端電壓,切實保障信息的澄凈與為準。