餐飲行業咨訊
上傳時光:2024-03-18 17:08:10 查詢:826
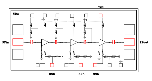
UMS的CHA2069-99F是款四級自偏置寬帶網片式低燥音圖像放大儀。
CHA2069-99F應用標(biao)準(zhun)規范化(hua) pHEMT 技(ji)術工藝設計(ji)工藝:0.25μm 柵極尺寸、橫穿基鋼板的(de)通孔(kong)、氣(qi)氛橋(qiao)和(he)自動化(hua)束(shu)柵星空刻技(ji)術應用。
CHA2069-99F以電子(zi)器(qi)件機制提(ti)供了(le)。

最主要的結構特征
帶寬安全(quan)性能16-31GHz
2.5dB相位燥音
低(di)整流電功能模塊衰減,55mA
20dBm三階截距點
芯片封裝(zhuang)的尺寸(cun):2170 x 1270x0.1mm
北京市立維創展科技單位較少單位授權(quan)管理銷售UMS微(wei)波通信,專門針對局部應用的UMS設備提供(gong)了(le)一(yi)流的現(xian)貨黃金(jin)設備存貨,歡迎語在(zai)線咨(zi)詢。