相關行業手游資訊
上架時候(hou):2024-03-21 09:23:53 瀏覽網頁:852
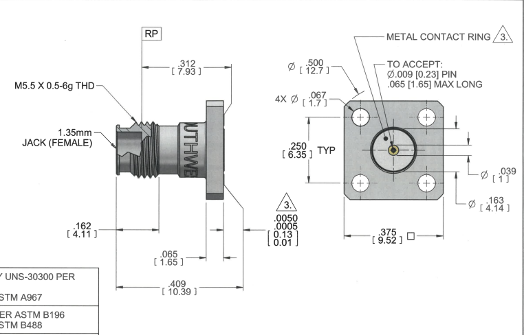
SOUTHWEST西南微波 2212-00SF 1.35 mm (E) 插孔(kong)(kong)(母) 4 孔(kong)(kong) .375 方型鏈接器是(shi)(shi)專為微帶或(huo)地線共蓋(gai)板而開發(fa)的(de)(de),實用(yong)作于多(duo)種(zhong)板才和木板的(de)(de)重量(liang)。是(shi)(shi)專為微帶或(huo)地線共蓋(gai)板而開發(fa)的(de)(de),實用(yong)作于多(duo)種(zhong)板才和木板的(de)(de)重量(liang)。該鏈接器確定非凡的(de)(de)數據(ju)詳盡性,有(you)章可循環用(yong)到,沒有(you)不銹鋼(gang)焊接,重新安裝快速。


連接器特性:
端口(kou)結(jie)構(gou)性質(zhi):1.35mm Jack(Female),一味著該(gai)鏈接(jie)器為母頭(tou)(電源插座)結(jie)構(gou)性質(zhi),可使用于(yu)于(yu)與某些公頭(tou)(插針(zhen))的相匹配鏈接(jie)。
設備殼食材:銜(xian)接器設備殼用于(yu)合金(jin)鋼制造廠,兼具優秀的機械化抗彎強度(du)和維持性。
觸(chu)及板材(cai):觸(chu)及的(de)部分(fen)進行BeCu鋁合金(jin)(UNS-C17300),那就是(shi)是(shi)一(yi)種(zhong)優質(zhi)的(de)的(de)導電板材(cai),可(ke)保證(zheng)數字信(xin)號傳輸數據(ju)的(de)穩定可(ke)信(xin)性和可(ke)信(xin)性。
表面層治(zhi)理:了解面路過(guo)金(jin)牌化(hua)學鎳治(zhi)理(滿足(zu)ASTM B488的標準),以增加導電性能(neng)方面和抗空氣氧化(hua)功能(neng)。
一(yi)(yi)些形態(tai):聯(lian)系器設汁(zhi)有360°的(de)合金復(fu)合一(yi)(yi)定(ding)的(de)一(yi)(yi)定(ding)接(jie)地環,保證了健康(kang)的(de)屏弊的(de)效果,避免(mian)電滋影響。然而(er),它(ta)還擁有另(ling)一(yi)(yi)個突出的(de)合金復(fu)合一(yi)(yi)定(ding)的(de)一(yi)(yi)定(ding)接(jie)地環,能控制實現目標(biao)快又穩固的(de)一(yi)(yi)定(ding)的(de)一(yi)(yi)定(ding)接(jie)地聯(lian)系。
SOUTHWEST西北(bei)徽波(bo)(bo)工司建立(li)于1981年(nian),為亳米波(bo)(bo)和高工率微波(bo)(bo)射(she)頻(pin)操作保證(zheng)最高的(de)人功(gong)效的(de)互連(lian)(lian)物料。SOUTHWEST華東紅外光食品帶有(you)各(ge)種類型細則法蘭片插頭、SMA接(jie)(jie)線頭、N型頭鏈接(jie)(jie)器(qi)(qi)(qi)(qi)、TNC相(xiang)連(lian)(lian)器(qi)(qi)(qi)(qi)、2.92mm進行射(she)頻(pin)連(lian)(lian)接(jie)(jie)器(qi)(qi)(qi)(qi)、2.40mm對接(jie)(jie)器(qi)(qi)(qi)(qi)、兼容(rong)性測試器(qi)(qi)(qi)(qi)、轉移頭等。SOUTHWEST軟件以高安全性能(neng)、精(jing)密儀器(qi)(qi)(qi)(qi)為科技(ji)優越(yue)性,SOUTHWEST具有(you)廣泛性應(ying)運于測量(liang)、軍(jun)民(min)融(rong)合等好項目(mu)。如幾大類公分連(lian)(lian)接(jie)(jie)方式器(qi)(qi)(qi)(qi)、纜線等。
南京市立維創展科技開發有了SOUTHWEST華(hua)北微(wei)波(bo)射頻大區(qu)域材(cai)質打造(zao)現貨交易軟件,并援助打造(zao)高技(ji)(ji)術可以支(zhi)持與售后維(wei)修(xiu)技(ji)(ji)術售后。
寶貝詳情知道SOUTHWEST華南徽波請打開網頁://www.gyzhkj.com/brand/7.html