RFLI090M21M29超寬帶同軸隔離器RF-LAMBDA
2024-06-21 08:46:13
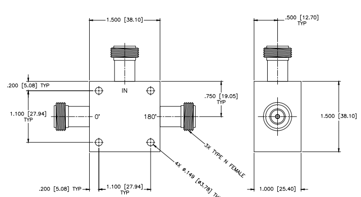
RFLI090M21M29是RF-LAMBDA的一臺寬度帶同軸防護丟開器,運作幀率為214MHz至286MHz,具備著0.6dB最多復制自然損耗、19dB較大防護丟開度、1.3:1 VSWR和50W反復波正在向額定功率。它鼓勵N型或SMA型接入器,輸出阻抗為50Ω,運作溫范圍圖為-40°C至+85°C。該防護丟開器適于于遠程地基場地設施、日本軍事、航班航天工業、測驗檢測設備器、雷達天線設備、5G通迅等方面,具備著較好的抗振和影響效果,可在更是高達30,000公尺的平均海拔相對高度下運作。