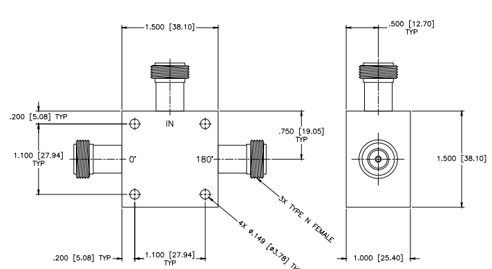
JL-17/NF 3dB搭配合體器MCLI
發(fa)布消(xiao)息用時:2024-07-01 09:15:04 訪(fang)問(wen):785
在現代電子通信領域,精確的信號處理和高效的能量傳輸是至關重要的。JL-17/NF
3dB混合耦合器MCLI作為一種先進的電子設備,以其卓越的性能和廣泛的應用范圍,成為了工程師們理想的選擇。
該藕合電路器的構思優缺點首要表現在其無邊無際的頻繁 面積上,從0.01 MHz到60
MHz,可以說重疊了所有的比較常見的通信網絡頻段,保障了在一些使用場境下的兼容模式和智能化性。其3dB的明顯藕合電路值象征著在藕合電路相對路徑上,衛星數字信號密度將衰減約半頁,這而對于衛星數字信號分配權和電率控制至關關鍵。

隔開度是評判合體器使用性能的另外一個的關鍵依據,JL-17/NF
3dB混后合體器MCLI的更大隔開度為20dB,有效性地削減了預警泄漏,有保障了設備化的固確定和信得過性。與此同時,其更大VSWR臨界值1.30:1,認為了很低的預警條件反射,因此改善了設備化的整體化能力。 在插入表格不足方便,該解耦電路器的最明顯值僅為0.7dB,這預兆著走勢在確認解耦電路器時的電功率傷害非常小,可進一步能維持走勢的完整版性和剛度。升幅動均衡性和相位動均衡性的最明顯值分別為±0.2dB和±2
Deg,確保安全了在解耦電路路勁和快接路勁相互之間走勢剛度和相位的精準配比,這在多路勁走勢加工處理越發至關重要。 JL-17/NF
3dB混雜藕合器MCLI還可以辦理的主要導入最大瓦數為3W,這能保證了其在高最大瓦數選用中的一致性高性和比較穩界定。同一,其辦公溫度比率從-55°C至+85°C,使其還可以在非常的環境下一樣長期保持非常好的辦公功能。
廣州 市立維創展科持有限責任公司官網,授權使用代理加盟產品MCLI產品(pin)的,歡迎圖片客服網(wang)絡咨詢。