餐飲行業內容
發布信息用(yong)時:2024-06-28 08:59:54 打開網頁:6082

PULSAR倍頻器FX-04-410是(shi)一款高性能(neng)的電子設備,專為需(xu)要精(jing)確頻率轉換的應用而設計。以下是(shi)該產品的詳細(xi)介紹:
設備種類: Pulsar倍頻器FX-04-410頻率范圍:
顯示速率: 75-1500 MHz 讀取概率: 150-3000 MHz 輸進輸出標稱值: +10.0 dBm轉換損耗:
在F2頻帶寬度下: 12.0 dB主要 在F4工作頻率下: 20.0 dB經典雜散信號抑制:
F1: 20 dBc F3: 20 dBc 芯片封裝型: SMA連接器類型:
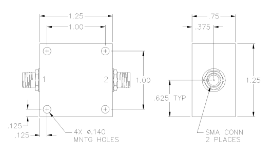
規格配值: SMA female 先選運行環境: BNC, TNC, F, 和 N connectors 輸進/打出服務器端口: 設置端口號: 1 模擬輸出串口: 2 保護接地裝置玩法: 金屬外殼保護接地裝置 形態規格: 1.25" x 1.25" x 0.75"
雜散信號抑制性能表明,該設備能夠有效抑制不需要的頻率成分,確保輸出信號的純凈度。SMA連接器是標準配置,但也提供其他類型的連接器選項,以適應不同的應用需求。廣州市立維創展科持認證選擇售銷PULSAR微波通信產品的,并給予售后(hou)維修(xiu)點兼容(rong)產品,歡迎圖片諮詢(xun)。