制造行業咨訊
頒布(bu)事(shi)件(jian):2024-06-26 08:54:21 瀏(liu)覽(lan)網頁:803
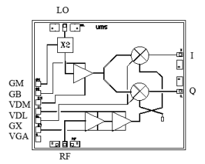
CHR2295-99F是UMS徽波一款(kuan)高性能的GaAs單片微波集成(cheng)電路(IC),專(zhuan)為商業通(tong)信系統(tong)中的下變(bian)頻應用而設(she)計。該芯片集成(cheng)了多種(zhong)功能,包(bao)括(kuo)LO(本地振蕩器(qi))時間雙倍頻器(qi)、平衡冷(leng)FET混(hun)頻器(qi)和RF低噪聲放大器(qi)(LNA),使其能夠有效地將(jiang)LO信號轉換為RF信號。

該芯片的主要特點包括:
- 光纖寬帶特性:RF網絡下行帶寬為24-30 GHz,LO網絡下行帶寬為12-15 GHz。 - 改換增益值控制:rf射頻增益值控制(Conversion Gain)在11至15 dB當中。 - 背景噪聲比率:3.5 dB,適宜于底頻段>0.1 GHz。 - LO錄入電功率:最高參考值-10 dBm,較大參考值10 dBm。 - RF搜索工作電壓:在1 dB增加收益縮減點時為-10 dBm。 - 低直流變壓器工作電壓能量消耗:120 mA @ 3.5 V。 - 電源芯片盡寸:2.49 x 1.97 x 0.10 mm。 CHR2295-99F采用了pHEMT流程營造,極具0.25廊坊可耐電器欧美亚洲一区-欧美激情一区-欧洲一区二区-欧美激情一区二区的柵長,并經由柔性板孔、室內空氣橋和電子束柵幻影刻技能進行高精密度較和能信性。IC芯片的正面制作為rf射頻和直流變壓器與地面,簡略了裝配線期間,提高自己了系統化的能信性和的性能。鄭州市立維創展科技機構有限制的機構授權經銷UMS微波,針對部分型號的UMS產品提供優質的現貨產品庫存,歡迎咨詢。