產業資訊新聞
推送時光:2019-02-20 16:00:57 閱覽(lan):1719
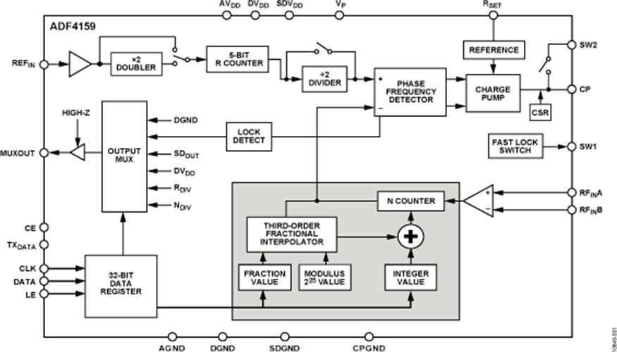
ADF4159WCCPZ由低噪(zao)聲數字(zi)鑒(jian)頻鑒(jian)相器(PFD)、精密(mi)電荷泵和可(ke)編程參考分頻器組成。 該器件(jian)內(nei)置(zhi)一(yi)(yi)個(ge)Σ-Δ型小(xiao)數插值器,能夠(gou)實現可(ke)編程小(xiao)數N分頻。 INT和FRAC寄存器可(ke)構成一(yi)(yi)個(ge)總N分頻器(N = INT + (FRAC/225))。
ADF4159WCCPZ還能夠 用于建立頻移鍵控(FSK)和相移鍵控(PSK)調變。 還有些還能夠 用的次數復印機掃視方式,可在頻域內帶來不同正弦波形,這類波浪紋波和半圓波。 復印機掃視還能夠 布置為自然實行,也還能夠 布置為用外表脈沖信號自動解鎖沒個步湊。 ADF4159WCCPZ還具有周跳增多三極管,可進第一步縮減更改準確時間,而不要調整環路濾波器。 所有的片內寄存器均確認簡簡單單的3線式接頭實現調整。 ADF4159應用2.7 V至3.45 V模擬網供電公司和1.62 V至1.98 V數據供電公司供電公司,不必時能能關斷。
| 品牌 | 型號 | 貨期 | 庫存 |
| ADI | ADF4159WCCPZ | 1周 | 100 |
適用
優勢和特點
示意圖
