HMC-AUH256通信技術衛星通信技術四六級安裝驅動變小器 ADI現貨黃金
正式發布時期:2019-02-20 15:38:45 打開網(wang)頁:1815
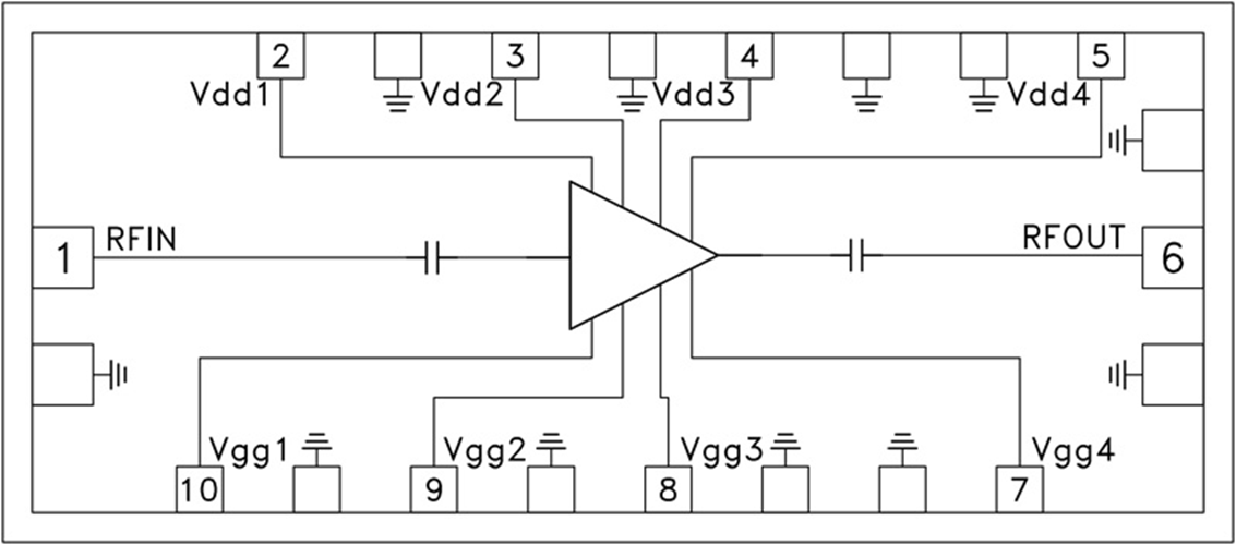
HMC-AUH256一款GaAs MMIC HEMT3級控制調大器,任務率動用范圍17.5至41 GHz。 隨著大小較小(1.93 mm2),該集成式電路處理芯片可輕易集成式到多集成式電路處理芯片控制器(MCM)中。 HMC-AUH256在1 dB擠壓點可以提供21 dB的增益控制和+20 dBm的所在瓦數,動用+5V的偏置外接電源(295 mA)。 HMC-AUH256還也可以作倍頻器。 推動倍頻器任務的相信偏置環境。
|
品牌
|
型號
|
貨期
|
庫存
|
|
ADI
|
HMC-AUH256
|
1周
|
100
|
假如您都要進貨HMC-AUH256,請超鏈接右下qq客服聯系起來我國!!!
廣(guang)泛應用
優勢和特點
-
增益: 21 dB
-
P1dB輸出功率: +20 dBm
-
寬帶性能:
17.5至41 GHz
-
電源電壓:
+5V (295 mA)
-
小尺寸芯片:
2.1 x 0.92 x 0.1 mm
示意圖
