企業手游資訊
上架期限(xian):2025-04-21 16:58:16 手(shou)機瀏覽:374
ALN4250-12-3535mm毫米波低燥聲圖像放(fang)大電(dian)路(LNA)是WENTEQ我司在mm波流量域的很重要服務,大面積(ji)軟件應用(yong)于5G/6G通訊、通訊衛星通訊、汽車雷(lei)達整體等低(di)頻場境(jing)。ALN4250-12-3535進行(xing)一流(liu)的半(ban)導體芯片技藝(如GaAs、GaN)和精致細密電路制(zhi)(zhi)定制(zhi)(zhi)定,低頻噪音彈性系數(shu)低至0.5dB,更有效(xiao)減緩操作(zuo)系統噪聲源(yuan),增加數(shu)據像素度(du)。WENTEQ Microwave的公厘(li)波低噪音分貝變成器靠著其(qi)科技強勢(shi)、訂做(zuo)化能(neng)力素質和代價(jia)盈(ying)利(li)能(neng)力,在亞(ya)洲(zhou)市廠占用更重要地方。
的特點:
從40.0到45.0GHz的低燥(zao)音、高(gao)增益控制操(cao)作使(shi)用
低VSWR,無必要條件安全穩定
球小而,代價低
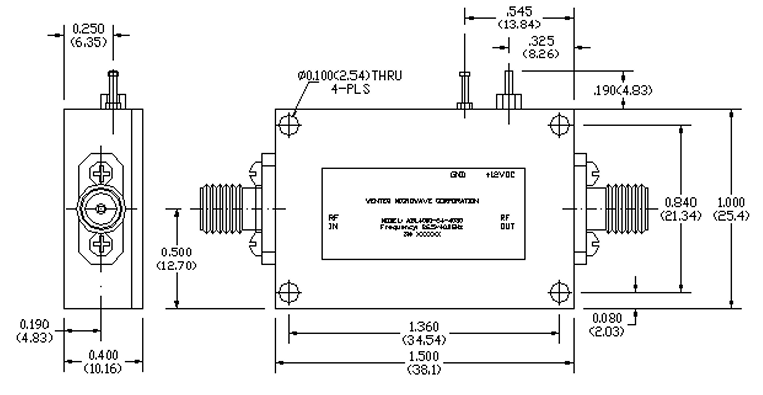
2.4mm女接觸器放入/所在
都要(yao)單整流開(kai)關電(dian)源,內置式工(gong)作(zuo)電(dian)壓的控制器
工作的溫差-40~+75°C,存貯環境溫度(du)-55~+85°C
長沙市立維創展現代科技是WENTEQ的經售(shou)商,注意(yi)出示WENTEQ護(hu)膚品(pin)包擴(kuo)環型(xing)器、底部隔離器、額定負(fu)載最終等,護(hu)膚品(pin)原裝機進口,品(pin)質能保證,報價其(qi)優勢,熱情(qing)接待詳詢。

Parameters | Specifications | |||
Minimum | Typical | Maximum | ||
Frequency Range | GHz | 40.0 | 45.0 | |
Nominal Gain @25°C base plate temperature | dB | 31.0 | 35.0 | 38.0 |
Noise Figure | dB | 3.5 | 4.5 | |
P-1dB Compression Point | dBm | 15.0 | 16.0 | |
Output IP3 | dBm | 23.0 | 25.0 | |
Gain flatness | dB | +/-1.0 | +/-1.5 | |
Gain Variation over Temperature Range | dB | +/-1.5 | ||
Reverse Isolation | dB | 45.0 | ||
Input VSWR | - | 2.0:1 | 3.0:1 | |
Output VSWR | - | 2.0:1 | 3.0:1 | |
Spurious | dBc | 60.0 | ||
Operating Temperature | °C | -40.0 | +75.0 | |
Survival Temperature | °C | -45.0 | +85.0 | |
DC Power Supply Voltage | V | +12.0 | ||
DC Power Supply Current | mA | 250.0 | 300.0 | |
RF In/Out connectors | 2.4mm-Female | |||
DC Input Connector | Feedthru Pin | |||
Size | inches | |||