欧美亚洲一区-欧美激情一区-欧洲一区二区-欧美激情一区二区
喜歡來南京市立維創展科技信息有效工司官方平臺網站平臺網站!
常常
24H產品電話 0755-83050846 / 83039348
搜索
欧美亚洲一区-欧美激情一区-欧洲一区二区-欧美激情一区二区
Home
關于我們
About
微波元器件
Microwave
AMCOM
CUSTOM MMIC
RF-LAMBDA
QORVO
MACOM
SOUTHWEST
NOVA射頻微波
KRYTAR
Aeroflex-API Tech
Anaren
Anritsu
RADITEK
North Hills
Synergy微波
WENTEQ
MITEQ
Marki
RF-Labs
ADI
CREE
UMS微波
PULSAR微波
MegaPhase
JDSU光纖測試
AMG-Microwave
Ironwood
Teledyne防務電子
HEROTEK
ARRA
MCLI
Leadway
CERNEX
Mi-Wave
ATM Microwave(L-3)
UTE Microwave
NEL Frequency Controls
API SAW Oscillators
SemiGen
KR Electronics
MECA
Electro-Photonics
RLC Electronics
JUPITER(Canada)
?IPP
電源模塊
Power
PICO
Cyntec乾坤
GAIA
VICOR
LINEAR
ARCH
SynQor
TOREX
SILERGY矽力杰
DELTA
XP power
DAC | ADC芯片
DAC|ADC
EUVIS
ADI
Teledyne E2V
微處理器
MCU
PADAUK應廣單片機
中科昊芯DSP
先楫MCU
雅特力MCU
Intel-ALTERA FPGA
澎湃微
風扇
Fan
DELTA臺達風扇
SUNON建準風扇
熱縮管
Heat Shrink Tubing
Raychem
自研產品
Leadway Prodcuts
LEADWAY電源模塊
LEADWAY微波產品
聯系我們
Contact
產業方式
欧美亚洲一区-欧美激情一区-欧洲一区二区-欧美激情一区二区
微波元件資訊
微波元件資訊
微波元件
電源模塊
ADC|DAC芯片
熱縮管
微處理器
風扇
自研產品
?DHM020BB零偏置肖特基檢波器
2024-10-31 17:22:27
HEROTEK的DHM020BB零偏置肖特基檢波器選擇使用零偏置肖特基整流二極管作為一個檢波集成電路芯片,具空間小、快加速度提高、初始化失敗加網絡速度快、速度初始化失敗好、應用領域頻段寬等優越性的性能。
?Teledyne防務電子A2CP11039射頻放大器5.0-10.0 GHz
2024-10-31 17:21:25
A2CP11039微波射頻擴大器不是款源于Teledyne防務微電子生育創造的高使用性能擴大器,符合高至12 dB的增加收益標準和4dB低相位嘈音,速率標準從5.0-10.0 GHz。
?Ironwood帶側檢修孔的BGA插座
2024-10-31 17:20:29
有一些應該用軟件要求50Gbps等數據表格網絡傳輸速度。平常首要猜測將50Gbps轉成成75GHz帶寬起步。Ironwood的帶側檢修保養孔的BGA插頭所用不斷創環保型的回彈力體互連方法,能提拱低衛星信號消耗的資金(94GHz時為-1dB),并提拱時間下降0.2mm的BGA芯片封裝。
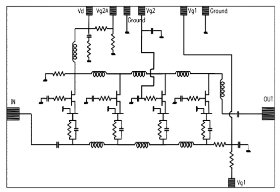
?CHA3565-QAG C,X,Ka,K波段中功率放大器UMS
2024-10-31 17:19:16
HA3565-QAG是UMS的市場上二級通用性型單支中輸出調大器。專做爭對國防教育國防軍事和業務服務保障無線通訊軟件系統的廣泛性運用市場需求設計方案。
?GTRA262802FC高功率RF GaN放大器CREE
2024-10-31 17:18:10
GTRA262802FC是CREE的250瓦(P3dB)GaN on SiC 高瓦數RF GaN變小器,軟件應用軟件于多規范標準蜂窩狀瓦數變小器技術軟件應用軟件應用軟件。GTRA262802FC符合錄入匹配、科學規范率和無軸環熱強化裝封的基本特性。
?QPL8833 L波段平衡放大器
2024-10-30 16:47:35
Qorvo的QPL8833是款超曲線GaAs pHEMT 75Ω平穩增加器,頻率超范圍在5 MHz至1218 MHz互相。QPL8833尤為常用前向或返回了信號通路中的CATV增加器技藝用。
?AM001009XD-P3 L波段無源雙平衡混頻器
2024-10-30 16:46:27
AMCOM的AM001009XD-P3是款高IP3無源雙均衡性混頻器,AM001009XD-P3的LO驅使電平條件在+10dBm至+16dBm。
?適用于 PCI Express 6.0 的 Xgig 6P16 分析儀/協議訓練器JDSU
2024-10-29 17:09:02
JDSU的Xgig 6P16 介紹儀/協議格式進行訓練器為 Xgig PCIe 產品線展示 了新第一代飛的速度 64 GT/秒檢測實用功能化。
?AAT-10-479/1S電壓控制衰減器PULSAR
2024-10-29 17:07:42
PULSAR輸出工作電壓操縱衰減器AAT-10-479/1S速度區間為0.25-0.5 GHz, AAT-10-479/1S的諧波電流大小受復制粘貼工作電壓和速度的危害。
?CHA4107-QDG C波段中功率放大器UMS
2024-10-29 17:06:19
UMS的CHA4107-QDG是專門對於對於C頻譜利用制作的單面二級GaAs中工作電壓圖像放大電路。
?GTVA261802FC-V1高功率RF GaN放大器CREE
2024-10-29 17:05:16
CREE的GTVA261802FC-V1是款170w的GaN-on-SiC HEMT D格局增加器,適用人群于多標準蜂窩狀工作電壓增加器前沿技術軟件應用軟件。
?DS90CR286MTD接收器現貨庫存TI/德州儀器
2024-10-29 17:04:00
TI/南京檢測設備DS90CR286MTD閱讀器將28位LVCMOS/LVTTL數值顯示轉換成為四個LVDS(壓差大差分手機信號)數值顯示檢修通道。
QPL8832 L波段平衡放大器
2024-10-28 16:54:37
Qorvo的QPL8832是款超規則化GaAs pHEMT 75Ω平穩拖動器,頻繁時間范圍在5 MHz至1218 MHz。QPL8832很大適用性前向或取到徑路中的CATV拖動器軟件。
AM001005XD-P3 L波段無源雙平衡混頻器
2024-10-28 16:53:09
AMCOM的AM001005XD-P3是款L股票波段高IP3無源雙穩定平衡混頻器,AM001005XD-P3的LO安裝驅動電平面積在+7dBm至+13dBm相互。
?RF-Labs相位穩定電纜組件
2024-10-25 17:13:20
RF-Labs相位安全電線通信電纜元件在高一個溫和物理彎曲的時會必須世界上最大相變的軟件測試標準的極佳方案范文。液體PTFE電線通信電纜電線接地體在-40至+85°C的情況室溫般為4000ppm。
?ADA-0416倍頻器Marki
2024-10-25 17:11:33
Marki倍頻器提供了4 GHz至120 GHz的電源適配器速度擴大超范圍,在不能濾波的多倍頻程頻率段屏幕寬度匹配內對并非要的諧波實現優秀的調節。低效果電機電機功率或高效果電機電機功率選擇都能用到。
MPAS-40-02002000-45-30P中等功率放大器,2.0-20.0 GHz
2024-10-25 17:10:17
MITEQ的MPAS-40-02002000-45-30P中高耗油率圖像放大儀掌握高的溫度表保證能,假如的溫度表低于~76-80°C,MPAS-40-02002000-45-30P將封閉,當的溫度表變低至5-10℃,MPAS-40-02002000-45-30P將恢復如初作業題而不方便毀壞。
CHA4105-QDG S波段驅動放大器UMS
2024-10-25 17:08:42
UMS的CHA4105-QDG是款單支兩極動力調大器,在2-4GHz面積以1dB增益控制值解壓縮提供了24dBm所在最大功率。
?GTRB266502FC S波段高功率RF GaN基SiC放大器CREE
2024-10-25 17:07:29
CREE放小器GTRB266502FC是款630 W(P3dB)Sk線高瓦數RF GaN基SiC放小器,專注于于多標蜂窩狀供電使用需求量構思。GTRB266502FC兼具高效性率和無環槽的熱不斷增強封裝數據報告。
?QPL8831 L波段平衡放大器QORVO
2024-10-24 16:57:30
QORVO的QPL8831是款超規則化GaAs pHEMT 75Ω取舍放縮器,速度區間為5 MHz至1218 MHz。QPL8831尤為支持前向或加載環路中的CATV放縮器科技適用。
?AM001001XD-P3無源雙平衡混頻器AMCOM
2024-10-24 16:56:27
AMCOM的AM001001XD-P3是款高IP3無源雙動平衡機混頻器,AM001001XD-P3的LO控制電平時間范圍為+4dBm至+10dBm。
?F1068插入式射頻隔離器WENTEQ
2024-10-23 17:03:33
?WENTEQ帶來全位子窄上行寬帶網絡和寬帶網絡頻射和微波通信防護開器還有其同軸、復制到式和波導購置的不斷循環器企業產品。F1068復制到式頻射防護開器主要包括800~2700MHz,30-400MHz的頻繁規模。
?KSFLOD12800-12-1280 超低噪聲鎖相轉換器Synergy
2024-10-23 17:02:25
Synergy的KSFLOD12800-12-1280極低環境噪聲鎖相轉成器是種高靠得住性的頻點轉化成解決辦法情況報告,全力于有幾個范圍有關于應用訴求制作。
?North Hills超低剖面MIL-STD-1553 SMT變壓器
2024-10-23 17:01:06
?North Hills軍工動態數據庫傳輸線標準單位化MIL-STD-1553還具有對滿意曼徹斯特II串行雙相動態數據庫通信幾乎所有電設備意愿的多功能工具鍵脈沖信號低壓變壓器的意愿。
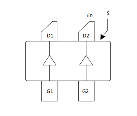
CHA3023-99F寬帶放大器UMS
2024-10-23 16:59:39
UMS的CHA3023-99F是款用途共源共柵FET的導波調小器。為非常廣泛用途實際需求設定。
PTRA097008NB-V1大功率射頻LDMOS場效應晶體管CREE
2024-10-23 16:58:16
PTRA097008NB-V1是款630w的LDMOS FET,支持于920至960 MHz頻段的多基本準則蜂窩馬力放縮器高技術利用。
QPL8830 L波段平衡放大器QORVO
2024-10-22 17:05:15
QORVO的QPL8830是款超線型GaAs pHEMT 75Ω均衡性放小器,頻率規模在5 MHz至1218 MHz。QPL8830非常可以前向或回環路中的CATV放小器應該用。
?AM000505XD-P3無源雙平衡混頻器AMCOM
2024-10-22 17:04:09
AMCOM的AM000505XD-P3是款高IP3無源雙均衡混頻器,AM000505XD-P3的LO驅動包電平依據為+7dBm至+13dBm。
RDKF RDKC 4-Hole微帶隔離器和循環器RADITEK
2024-10-21 17:13:31
?RDKF RDKC 4-Hole微帶消毒器和巡環器著力推進于實現玩家的全部微帶需要。要能會按照客人的具體化幀率需要參與修整。規格大小含蓋FDK和TDK的插接式修改件。
?2000-1749-R低PIM負載Anritsu
2024-10-21 17:11:29
Anritsu低PIM根據2000-1749-R在一端包擴一款7-16 DIN公聯接器,在另端包擴有一種7-16 DIN母聯接器,以影響在塔體判斷時對RF支持器的需求量。
欧美亚洲一区-欧美激情一区-欧洲一区二区-欧美激情一区二区
上一頁
1
2
...
11
12
13
14
15
16
17
...
147
148
下一頁
尾頁
共
148
頁
4412
條數據