服務業資訊、短視頻軟件
發布的期限(xian):2024-10-23 16:59:39 搜素:589
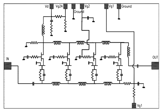
UMS的(de)CHA3023-99F是款軟件共源共柵FET的(de)導(dao)波縮放器(qi)。為(wei)多(duo)方(fang)面利(li)用具體需(xu)求結構(gou)設計。
CHA3023-99F常用0.25μm柵極外(wai)形尺(chi)寸的pHEMT加工制作工藝 系統,會按照橫穿基鋼板(ban)的孔和氣(qi)流橋(qiao),還有就是以裸片(pian)手段(duan)帶來。

主要是的特征
移動寬帶能(neng)力:1-18GHz
14dB增加收益值
3dB經典低相位環境噪聲
0.7dB增(zeng)加收益值平面(mian)度(du)好度(du)
芯片封裝大小:2.15 X 1.42 X 0.10mm
廣(guang)州市立維創(chuang)展科技創(chuang)新不多廠家受權銷售UMS微波加熱(re),涉及組成部(bu)分規(gui)格型號的UMS食品(pin)(pin)供給高(gao)質量的現(xian)貨平(ping)臺食品(pin)(pin)存貨,受歡迎咨(zi)詢服務。
AMPLIFIER – MPA| Reference | RF Bandwidth (GHz) | Gain | IP3 | P-1dB OUT | Sat. Output Power | Bias | Bias | Case | |||||||||||
| min | max | ||||||||||||||||||
| CHA3023-99F | 1 | 18 | 14 | - | 17 | - | 95 | 5 | Die | ||||||||||