行業領域新聞資訊
披(pi)露時(shi):2024-10-31 17:21:25 預覽:577
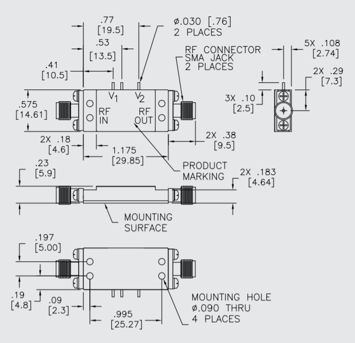
A2CP11039微波射頻擴大器是款研究背景Teledyne防務電子為了滿足電子時代發展的需求,產出制造出的多核方面增加器,遵循高至12 dB的增加收益區域和4dB低相位嘈音,頻段面積從5.0-10.0 GHz。A2CP11039rf射頻放縮器用于通信網絡管控體統、機載雷達探測和自動化戰管控體統等須得精密加工模具收獲管控和高效化解決的適用。

參數表
超長頻(pin):5.0-10.0 GHz
高增益值:12.0dB
低相(xiang)位噪音污染:4.0dB
高性透明膜
高(gao)輸(shu)出功率有(you)級CougarPak?
互特性能
類型(xing)@25°C A2CP11039
二階諧波(bo)截掉點(dian)+63 dBm
二階(jie)雙音攔截點+57 dBm
三階雙音抓取點42 dBm
絕最好額定負載值
貯存溫濕度-65至+150℃
更高殼體溫濕度+125℃
較高電(dian)流相電(dian)壓+14伏(fu)
最底(di)間(jian)斷性頻射讀取輸出+20 dBm
自燃濕度:125℃
熱導(dao)率(lv)1(θjc):4.5°C/W
結溫(wen)度上升(sheng)遠(yuan)遠(yuan)超出(Tjc):88.4℃
西安市立維創展科技產業是Teledyne防務電子的(de)銷售商(shang),提高(gao)Teledyne防(fang)務光(guang)(guang)學(xue)廠品包函(han)LDMOS、GaN、GaAs和InP。Teledyne防(fang)務自動化商(shang)品能夠寬頻寬、窄帶、激光(guang)(guang)脈沖變小(xiao)器,的(de)頻率1MHz~220GHz,功效mW~10kW,優越性途徑(jing)帶來Teledyne防(fang)務光(guang)(guang)電訂購,歡迎大家資詢。