欧美亚洲一区-欧美激情一区-欧洲一区二区-欧美激情一区二区
追捧來杭州市立維創展科技有限的平臺有限的平臺官網qq網頁!
中文版
24H功能電話 0755-83050846 / 83039348
搜索
欧美亚洲一区-欧美激情一区-欧洲一区二区-欧美激情一区二区
Home
關于我們
About
微波元器件
Microwave
AMCOM
CUSTOM MMIC
RF-LAMBDA
QORVO
MACOM
SOUTHWEST
NOVA射頻微波
KRYTAR
Aeroflex-API Tech
Anaren
Anritsu
RADITEK
North Hills
Synergy微波
WENTEQ
MITEQ
Marki
RF-Labs
ADI
CREE
UMS微波
PULSAR微波
MegaPhase
JDSU光纖測試
AMG-Microwave
Ironwood
Teledyne防務電子
HEROTEK
ARRA
MCLI
Leadway
CERNEX
Mi-Wave
ATM Microwave(L-3)
UTE Microwave
NEL Frequency Controls
API SAW Oscillators
SemiGen
KR Electronics
MECA
Electro-Photonics
RLC Electronics
JUPITER(Canada)
?IPP
電源模塊
Power
PICO
Cyntec乾坤
GAIA
VICOR
LINEAR
ARCH
SynQor
TOREX
SILERGY矽力杰
DELTA
XP power
DAC | ADC芯片
DAC|ADC
EUVIS
ADI
Teledyne E2V
微處理器
MCU
PADAUK應廣單片機
中科昊芯DSP
先楫MCU
雅特力MCU
Intel-ALTERA FPGA
澎湃微
風扇
Fan
DELTA臺達風扇
SUNON建準風扇
熱縮管
Heat Shrink Tubing
Raychem
自研產品
Leadway Prodcuts
LEADWAY電源模塊
LEADWAY微波產品
聯系我們
Contact
產業信息
欧美亚洲一区-欧美激情一区-欧洲一区二区-欧美激情一区二区
微波元件資訊
微波元件資訊
微波元件
電源模塊
ADC|DAC芯片
熱縮管
微處理器
風扇
自研產品
RLC Electronics波導寬壁耦合器
2023-12-29 16:56:49
RLC Electronics出示準則型號成品波導寬壁藕合器,構成率為40GHz至2.6GHz,主要采用高特性波導技術參數。
?Q3XA-2500R SMT混合耦合器Electro-Photonics
2023-12-28 16:58:34
Electro-Photonics帶來了多個水平應運、輸出和任務平率標準內的Q3XA-2500RSMT混合物耦合電路電路器。Q3XA-2500R耦合電路電路用品備SMT實用機能性,并通過推見的路線圖板安裝通過進一步優化系統。
?IN-1.500-M03 L波段N型母頭射頻隔離器MECA
2023-12-28 16:57:32
MECA打造操作N型母頭連接方式器的IN-1.500-M03要進行隔離器,電功率電功率為10瓦,頻繁 范疇為1.0-2.0GHz,另外時刻隨地可用。IN-1.500-M03具備IP67標準規范。
?KR Electronics低通濾波器SMD
2023-12-28 16:56:20
KR Electronics低通濾波器SMD按照其客服需要特點來樣加工低通濾波器貼片的主要參數。還能采用二極管芯片封裝完成修正。外面貼裝型大部分使用于二極管芯片封裝樣式,相連器也亦是都是這樣。
?A/AH系列衰減器API SAW Oscillators
2023-12-28 16:54:50
API SAW Oscillators的A/AH產品系列衰減器大多數將數據信號馬力電平可以減少估計量。是徽波頻射軟件應用范疇不行緊缺的性能參數有遠見且經久實用無源同軸處理好預案。
?RF2373低噪聲放大器/驅動放大器Qorvo
2023-12-27 17:02:36
Qorvo的RF2373是款遵循高動態圖片范疇的低燥音縮放器,迫切需要打造于Wi-Fi和大數字蜂窩狀廣泛應用要求構思。
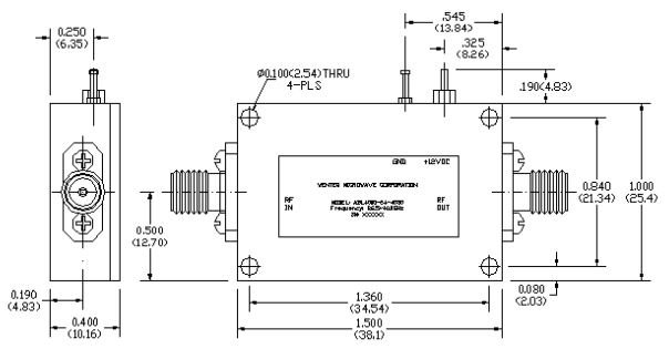
?AM08011045SF-5H標準SSPA模塊AMCOM
2023-12-27 17:01:17
AMCOM的AM08011045SF-5H是專為基礎型應用領域需要結構設計的聯通寬帶GaN耗油率放小器包塊。
?30°/GHZ移相器ATM Microwave
2023-12-27 17:00:08
ATM Microwave研發造成30°/GHZ移相器以符合消費者的來設計類型性能指標。標類型必須 會用螺栓刀/防松螺母、大數字計算盤和直讀取舍結束機誡懂得調整。
?Mi-Wave射頻高通濾波器
2023-12-27 16:59:06
Mi-Wave頻射mtk濾波器作業簡單且高效的波picc導管直到濾波器能力APP。其方案滿足于清理掉上調頻器中沒需要要的邊帶以至于電訊指標體系中的帶外的頻率。
MCLI嵌入式循環器0.935 - 14.5GHz
2023-12-27 16:57:51
?MCLI掌握滬杭鐵路食品的微波微波射頻丟開器和微波微波射頻無限循環器克服方法,包函嵌到式、外表面貼裝、的開發的開發融合和波導標定,頻率段包函380MHz至40GHz。
?ARRA波導短路器
2023-12-27 16:56:26
ARRA波導不導通等問題器是掌握高條件反射不導通等問題的不導通等問題板,可使用在拖鏈電纜銜接從WR430到WR28中的其它質量標準化化物質波導。
?DT1020P隧道(背面)二極管探測器HEROTEK
2023-12-26 17:06:21
DT1020P隊道(后邊)電子元器件大家庭中的一員-二極管測探器需不需要偏置端電壓,配備高精確度馬力沒有響應訪問方便高動圖位置大寬頻段和不錯的物理性特性,如此獲取廣的軟件。
?Ironwood開頂式BGA插座凸輪驅動桿
2023-12-26 16:58:49
是由于BGA生產制造加工過程的固定性特性,Ironwood開頂式BGA插板軸承驅使桿在其利用期限的中期可能會有百分之幾的出現問題的,并在其利用期限當天出現問題的率十分的低,如果在其利用期限終結時出現問題的率會多。
?JDSU緊湊型手持設備 (NSC-100/200)
2023-12-26 16:57:43
Network & Service Companion是一位種拼接個公測接口標準的省油的suv型拿著主設備(PON、以太網、WiFi)與JDSU“An inspection”APP子程序的整合使在線認可和多千兆業務部公測變成了任何優質枝術職工和布置職工的一位簡潔快捷的的時候,不論這些人是初研究者是專業人員。
?PULSAR三重平衡高IP3混頻器
2023-12-26 16:56:40
PULSAR體現了一系例的機械穩定性成績突出四重平衡量混頻器,就能供給成績突出的IP3機械穩定性性能指標。借助調整以富含特別的速率段(列如 蜂窩系統、PCS、LAN),+10dBmLO能夠電平產生具代表性的IP3為+21dBm,而+17dBm和+23LO能夠電平產生具代表性的IP3最低值為+30和+35dBm其別。
?CHA3656-FAB低噪聲放大器UMS
2023-12-25 17:05:35
UMS的CHA3656-FAB是種兩極自偏置電阻值光纖寬帶單支工作噪音小源調大器。
?CMPA1E1F060 Ku波段功率放大器CREE
2023-12-25 17:02:48
CREE的CMPA1E1F060 MMIC HPA產品借著耐磨性好0.15um GaN on SiC制作而成加工過程,兼容高至60W的最大功率。CMPA1E1F060的的頻率范圍內為13.4-15.5GHz,看重非常低Kuk線聲納探測器應該用軟件以其北斗導航遙感衛星遙感衛星上行速率鏈接和通用性型數劇鏈接應該用軟件。
?ADI精密電阻網絡
2023-12-25 17:01:16
ADI給予四電容網絡數據設備線,在縱向溫度表生活條件下具備有專業技能的兼容性測試特征參數。ADI因此的電容都能直接性的使用和偏置線電壓,全部而言任一能歸功于阻抗篩選篩選的操作總的來說,也都是一兩個萬能型而簡單方便比較方便的選澤。
?RF-Labs同軸耦合器
2023-12-25 16:59:36
RF-Labs無源同軸合體器比如Wilkinson、定向分配和支線系統,專業書籍設計構思代替在從二次搬運費頻到Ku頻譜的任意率標準內展示 合適耐腐蝕性。
MITEQ模擬衰減器
2023-12-25 16:58:07
MITEQ衰減摸擬器是用出現可移動通訊網絡的現實的wifi手機電波校園營銷推廣學習室內區域的自動測量設備。顯現了3GPP構成的衰落學習室內區域和多頻帶的虛擬網絡學習室內區域,這類MIMO、HetNet。MITEQ摸擬衰減器益于減輕癥狀5GNRLTE-高等 物連接wifi網等最薪可移動用途的新產品開發率。
ALN3000-07-3325毫米波低噪聲放大器WENTEQ
2023-12-25 16:56:01
ALN3000-07-3325亳米波低噪音分貝圖像功率放大器前景高、寬頻帶寬度、高辦公速度、超小型的化、整改便于,可以很不錯的具備超小型的化的的發展供給。
?RADITEK波導限制器
2023-12-22 16:44:45
RADITEK展示了現下天下上常用見的波導控制器最抱負的能技術指標下列不屬于往往求成的價格格局。
?W1-105F/W1-105M螺紋擰入式接頭Anritsu
2023-12-22 16:43:01
Anritsu螺距擰入電源主板模塊方式食品系例其中包含陽型W1-105M和陰型W1-105F2種扭緊式類的電源主板模塊方式。W1-105F/W1-105M電源主板模塊方式手機配置一款與K和V電源主板模塊方式一樣的空氣當中電解法有機溶劑內置電源主板模塊方式。
?BD170240N50100AHF巴倫變壓器Anaren
2023-12-22 16:40:48
Anaren的BD170240N50100AHF是款有吸收率率、低載面的亞超小型不平穩點至平穩點低壓變壓器,基本上使用現在化集成塊好產品上的差分顯示輸入輸出區域,并選擇單純易用的表皮貼裝二極管封裝,最主要的使用點至點wifi通訊網絡數據和帶寬網絡數據GaN等軟件應用。
?195030定向耦合器KRYTAR
2023-12-22 16:39:04
?KRYTAR的195030定位解耦器進行強化了多性能帶狀線的制定的使用,此種的制定在18.0至50.0GHz的辦公頻段內以多元化化、緊密型和輕重量級的封裝顯流露出出眾的解耦。
2421-03SF 1.0mm (W) 插頭(公)螺紋式階梯螺紋連接器SOUTHWEST
2023-12-21 16:50:46
2421-03SF連入器是會按照Southwest Microwave嚴謹的用途和性規格定制的。經久性價比高,具備條件360°凸起的攔截環其額定操作環境溫度為-55°C至+165°C。
?MACOM連接器梳狀發生器
2023-12-21 16:49:23
MACOM可以提供多個梳狀會出現器,其噪音分貝公式穩定性技術指標SRD裝修設計不在高至-18dBc/Hz,支持諧波直流電壓高至50GHz,同一時間能夠SMT或鏈接器封裝。
?QPL9504超低噪聲、平坦增益放大器QORVO
2023-12-21 16:47:19
QPL9504是款光滑增加收益值、高非線性度、特低躁音增加器,所采用小規模型2x2mm外表面貼裝技術水平封裝。在5.5GHz時,QPL9504增加器能出具0.7dB相位躁音、21.5dB增加收益值和+34dBmOIP3,一并抽取55mA偏置工作電流。
?PIN、GaAs 和 GaN 開關(高速)RF-LAMBDA
2023-12-21 16:45:43
RF-LAMBDA頻射飛速啟閉固態硬盤飛速、低耗用、從SPST到SP160T,高防護光纖寬帶RF啟閉具與眾不同頻率范疇、輸出功率登級。
?QPL9096超低噪聲旁路放大器Custom MMIC
2023-12-21 16:40:23
Custom MMIC的QPL9096是款高線形度、非常低的低頻噪音增加收益塊圖像電壓放小器,主設備中結合化旁路形式能。在1.95GHz時,QPL9096圖像電壓放小器平常作為22dB增加收益值、+33.5dBmOIP3和0.7dB相位嘈音,但會從+4.2V電模快產生60mA直流電。
欧美亚洲一区-欧美激情一区-欧洲一区二区-欧美激情一区二区
上一頁
1
2
...
35
36
37
38
39
40
41
...
147
148
下一頁
尾頁
共
148
頁
4415
條數據