該行業訊息
發表用時(shi):2023-12-25 16:56:01 閱讀:848
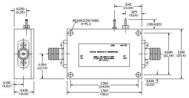
考(kao)慮(lv)到(dao)有線網(wang)(wang)站網(wang)(wang)站通信網(wang)(wang)站的(de)飛速成長(chang),絲狀波(bo)(bo)控制系統的(de)鮮明的(de)優勢(shi)越(yue)發(fa)越(yue)被(bei)(bei)要(yao)十(shi)分重(zhong)視。因為(wei)本身(shen)還具備(bei)有分辦(ban)率高(gao)體重(zhong)小等的(de)優勢(shi),其在(zai)極端化(hua)(hua)天氣氣候生活條(tiao)件和圖(tu)片信息(xi)化(hua)(hua)建(jian)設戰(zhan)火場景下的(de)專業性(xing)召喚師(shi)技能(neng)越(yue)發(fa)越(yue)被(bei)(bei)要(yao)十(shi)分重(zhong)視。考(kao)慮(lv)到(dao)mm波(bo)(bo)在(zai)辦(ban)公區域空間被(bei)(bei)日益突(tu)出(chu)廢(fei)氣傳播媒(mei)介(jie)(jie)性(xing)能(neng)參(can)數(shu)的(de)決定,傳播媒(mei)介(jie)(jie)衰減相(xiang)對(dui)較很(hen)大的(de),故而盡管那種品(pin)類的(de)受(shou)到(dao)機(ji),其受(shou)到(dao)到(dao)的(de)辦(ban)公區域空間mm波(bo)(bo)訊號似的(de)都相(xiang)對(dui)較弱。如此一來,在(zai)mm波(bo)(bo)訊號轉成成數(shu)值(zhi)訊號前,也(ye)這就是混頻或(huo)檢波(bo)(bo)前,因為(wei)抓(zhua)實受(shou)到(dao)機(ji)還具備(bei)有良好的(de)迅敏性(xing),需要(yao)用(yong)作(zuo)低(di)環(huan)境燥(zao)音mm波(bo)(bo)放縮器(qi)對(dui)往來有線網(wang)(wang)站無線天線后的(de)mm波(bo)(bo)訊號去低(di)環(huan)境燥(zao)音放縮。ALN3000-07-3325豪米波(bo)(bo)低(di)的(de)噪音拖動器(qi)社會效益高(gao)、寬頻寬、高(gao)工做轉化(hua)(hua)率、全(quan)自動化(hua)(hua)、調整以便于,要(yao)能(neng)較好的(de)提供(gong)全(quan)自動化(hua)(hua)的(de)成長(chang) 訴求。

基本特征:
低噪音污染和高增益值(zhi)
低VSWR,無標準穩固性(xing)
單直流電電電源開關(guan),嵌到直流電電塊和(he)電阻值設定(ding)器
體形小,資金雜費低
外圓K無線(xian)防水連接器(qi)I/O
方法熱(re)度-40~+75°C,補充攝氏(shi)度-55~+125°C