制造業最新資訊
披露時間:2019-12-24 14:09:04 閱覽:1876
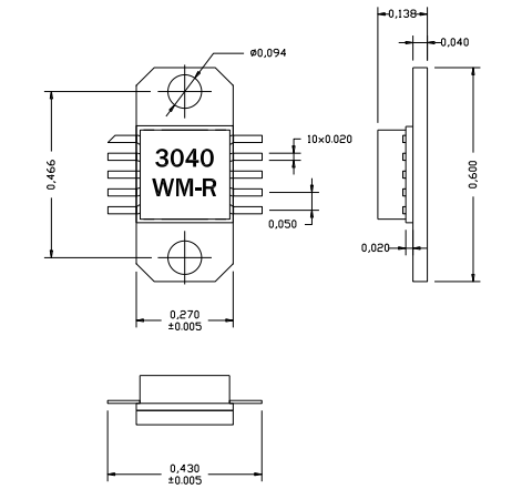
AM304031WM-EM-R是AMCOM的(de)砷化鎵MMIC功率(lv)(lv)放(fang)大器(qi)系列的(de)一(yi)部(bu)分。它有31分貝的(de)增(zeng)益和31在(zai)(zai)2.6到4.8GHz頻(pin)帶上的(de)dBm飽和輸出功率(lv)(lv)。這(zhe)個(ge)(ge)MMIC是一(yi)個(ge)(ge)陶瓷(ci)封裝(zhuang),射頻(pin)和直流都有在(zai)(zai)較低(di)層次的(de)封裝(zhuang),以(yi)促進低(di)成本(ben)的(de)SMT組(zu)裝(zhuang)到PC板。由于高直流功耗(hao),我們(men)建(jian)議將這(zhe)些(xie)設備直接安裝(zhuang)在(zai)(zai)金(jin)屬散(san)熱器(qi)上。AM304031WM-FM-R是AM304031WM-BM-R安裝(zhuang)在(zai)(zai)鍍金(jin)銅法蘭托(tuo)架上。法蘭上有兩個(ge)(ge)螺(luo)孔便于擰上金(jin)屬散(san)熱器(qi)。AM304031WM-EM-R有一(yi)個(ge)(ge)CuW法蘭,是正在(zai)(zai)逐步淘汰的(de)AM304031WM-FM-R。這(zhe)個(ge)(ge)MMIC是符(fu)合RoHS的(de)。

AM304031WM-EM-R技(ji)術(shu)應(ying)用
手機無線互連網聯(lian)網
無(wu)線路由當地(di)環(huan)路
聯通(tong)寬帶有線應用(BWA)
AM304031WM-EM-R非常重要(yao)主要(yao)參數
幾率(lv):2.6-4.6GHz
收獲:31
P1dB(DBM):32
PSAT(DBM):32.5
速度(du):25
VD(V):8
長沙市立(li)維創展新材(cai)料技術是AMCOM集團(tuan)公(gong)司總經銷(xiao)商,其常見(jian)微波(bo)rf射(she)頻光(guang)纖(xian)寬帶物(wu)料(liao)有rf射(she)頻單晶體管、MMIC工(gong)率縮(suo)放器、混合物(wu)縮(suo)放器包塊(kuai)、移(yi)動寬帶縮(suo)放器、高工(gong)率縮(suo)放器包塊(kuai)、帶RF和DC聯接器(qi)(qi)的高額(e)定電(dian)(dian)機功率放縮器(qi)(qi)控制模塊和(he)低躁音放縮器(qi)(qi),額(e)定電(dian)(dian)機功率放縮器(qi)(qi),旋鈕,衰減器(qi)(qi),移相器(qi)(qi)并(bing)且(qie) 上(shang)/底下交流變頻調速器的(de)定做(zuo)。