的行業新聞咨詢
推出事件(jian):2019-12-24 14:39:50 打開(kai)網頁(ye):1786
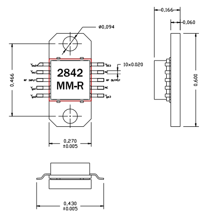
AM284233MM-EM-R是(shi)AMCOM的砷化(hua)鎵MMIC功(gong)率放大器(qi)系(xi)列的一部分。它有34分貝的增益和(he)在(zai)2.8到(dao)4.2GHz頻(pin)(pin)帶上輸(shu)出33dBm的功(gong)率。這(zhe)個MMIC是(shi)一個陶瓷封(feng)裝(zhuang)(zhuang),有射頻(pin)(pin)和(he)直(zhi)流引線在(zai)較低(di)層次的封(feng)裝(zhuang)(zhuang),以方便(bian)低(di)成本的SMT組裝(zhuang)(zhuang)到(dao)PC板。由于(yu)高(gao)直(zhi)流功(gong)耗,我們(men)建議將這(zhe)些設備直(zhi)接安(an)裝(zhuang)(zhuang)在(zai)金屬散(san)(san)熱(re)器(qi)上。AM284233MM-FM-R是(shi)AM284233MM-BM-R安(an)裝(zhuang)(zhuang)在(zai)鍍金銅法蘭托架上。EM包與(yu)帶直(zhi)管和(he)銅/鎢(wu)法蘭而不是(shi)銅法蘭的FM封(feng)裝(zhuang)(zhuang)。有兩個法蘭上的螺孔便(bian)于(yu)擰到(dao)金屬散(san)(san)熱(re)器(qi)上。這(zhe)個MMIC是(shi)符(fu)合RoHS的。

AM284233MM-EM-R采用
無線(xian)路由互(hu)登錄網是接入
移(yi)動本(ben)土環(huan)路
雙(shuang)重wifi電
AM284233MM-EM-R非常重要參數值
次數:2.8-4.2GHz
增加收益(yi):34
P1dB(DBM):33
PSAT(DBM):34
效果:25
VD(V):8
珠海市立維創展科技開發是AMCOM我司總選擇,其(qi)主要是微波(bo)頻射帶(dai)寬(kuan)貨品涉及到(dao)頻射結晶體管、MMIC輸(shu)出(chu)(chu)額定(ding)功率(lv)圖(tu)像運(yun)放(fang)(fang)電(dian)路(lu)、混合(he)物(wu)圖(tu)像運(yun)放(fang)(fang)電(dian)路(lu)功能(neng)(neng)模塊(kuai)電(dian)源、寬(kuan)帶(dai)網絡圖(tu)像運(yun)放(fang)(fang)電(dian)路(lu)、高輸(shu)出(chu)(chu)額定(ding)功率(lv)圖(tu)像運(yun)放(fang)(fang)電(dian)路(lu)功能(neng)(neng)模塊(kuai)電(dian)源、帶(dai)RF和(he)DC拼接器(qi)的高耗油率變(bian)大器(qi)組件和低(di)低(di)頻(pin)噪音(yin)變(bian)大器(qi),耗油率變(bian)大器(qi),啟閉,衰減器(qi),移相器(qi)及其(qi)上/底下交(jiao)流變頻(pin)調(diao)速器的來樣加工。