欧美亚洲一区-欧美激情一区-欧洲一区二区-欧美激情一区二区

AM304031WM-EM-R S/C波段寬帶功率放大器
AM304031WM-EM-R S/C波段寬帶功率放大器
首要基本參數

頻率:2.6-4.6GHz

增益值:31

P1dB(DBM):32

PSAT(DBM)32.5

效應:25

VD(V)8

品牌:AMCOM

的產品詳細情況介紹書

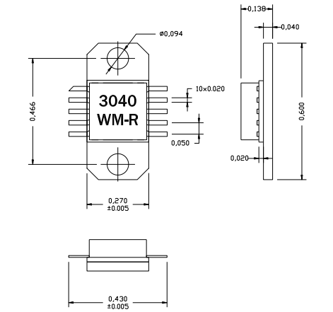
AM304031WM-BM/EM/FM-R是砷化鎵MMIC工作功率變大器品類的是一一些。它在2.6到4.8GHz頻段更具31dB收獲和31dbm過飽和的輸出馬力。該MMIC就是個瓷器封裝,微波射頻和交流電引線都要封裝的較低層面,是為了于低生產成本的SMT拼裝到PC板上。當隨時重新安裝到uv打印機彩印電路系統板上時,請參閱應用就說明AN700。猶豫高交流電功能損耗,大家減弱小編建議將這樣的專用設備單獨安裝在重金屬散熱器片上。AM304031WM-FM-R是布置在電鍍銅蝶閥法蘭支架上的AM304031WM-BM-R。活套法蘭上面有兩只螺孔,有助于擰到金屬熱量散發器上。AM304031WM-EM-R一 個CuW卡箍,是正當進一步廢除的AM304031WM-FM-R的單獨方式品。這一個MMIC是非常符合RoHS的。

有特點

從2.6到4.8GHz的寬帶網絡

高的輸出平均功率,P1dB=30.5dBm

高收獲,31dB

基本配對;50歐姆復制粘貼/輸送阻抗匹配

應用軟件

無線網絡網絡網連結

遠程地方環路

帶寬無線路由聯接(BWA)