職業信息
推送時期:2025-08-22 16:41:29 訪問(wen):6
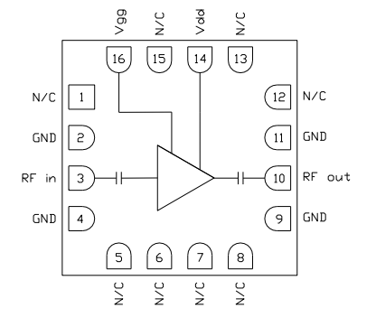
CMD283C3 就(jiu)是款由(you)Custom MMIC(現屬 Qorvo)推廣的(de)極(ji)低解決 MMIC 放縮(suo)器,應用 3x3 mm無引線(xian)陶瓷(ci)圖片 QFN 二極(ji)管封裝,幾率(lv)的(de)范圍(wei)覆蓋(gai)率(lv) 2-6 GHz,具備高增(zeng)加收益(yi)、低轟鳴(ming)聲、低額定功率(lv)等(deng)基本特性(xing),應用到S/Ck線(xian)電(dian)(dian)子設備戰、電(dian)(dian)力操作系統、雷達(da)天線(xian)觀測及北斗衛(wei)星(xing)電(dian)(dian)力等(deng)范圍(wei)。
的關鍵指標體系
- 平率時間范圍:2 – 6 GHz(主要表現自測(ce)點 4 GHz)
- 小預警增益值:27 dB(典型性)
- 嘈音公式:0.6 dB(4 GHz,明顯)
- 所(suo)在 1 dB 解壓縮點:16dBm
- 傷害 IP3:26dBm
- 額(e)定(ding)功率(lv)電壓:2 – 5 V(實(shi)用 3 V)
- 作業電流(liu)量:29 – 60 mA(基本特征42 mA)
- 串口回(hui)波(bo)損(sun)失:錄(lu)入≥ 10 dB,打出≥8dB
- 運行溫濕度:-40 °C 至 +85 °C
- 打包封(feng)裝:3 mm ×3 mm × 0.85 mm 無引線 QFN,RoHS 兼(jian)容

規劃特性
- 片內(nei) 50 Ω連接,不可第三方隔(ge)直濾(lv)波電容(rong)與(yu) RF 端口設置(zhi)適配網路
- 單(dan)電(dian)(dian)共(gong)電(dian)(dian)就好上班,內圍僅需(xu)一點偏置電(dian)(dian)阻(zu)值/電(dian)(dian)感
- 保證評估方(fang)法(fa)板 CMD283C3-EVB,有善(shan)于(yu)(yu)于(yu)(yu)更快(kuai)這個原(yuan)型核實
技術顯著特點
超(chao)高噪音標(biao)準(zhun)值:0.6 dB的的噪音因(yin)子在這類好產(chan)品中現象出色,靠近分立器(qi)件水準(zhun),滿足(zu)了高靈敏性度閱讀各種需(xu)求。
高增益(yi)控(kong)制聯通寬帶(dai)安全性能:27 dB增加(jia)收益(yi)覆蓋面 2-6 GHz頻段,穩定增益(yi)控(kong)制與(yu)服務器帶(dai)寬,融入多頻段用。
低(di)額定功率設(she)置:42 mA電(dian)流量損耗和 2-5 V 電(dian)壓電(dian)流時間范圍,降底(di)系統的顯(xian)卡功耗,延長時間手持(chi)式式設(she)施設(she)備續航里(li)程。
融合化來設計:50 Ω搭配和(he)里(li)面的直流電(dian)阻(zu)絕,提(ti)高間(jian)接電(dian)子元器(qi)件數量,拉低(di)裝置復(fu)雜的性(xing)和(he)投資(zi)成本(ben)。
高安全性(xing):陶瓷廠家 QFN 封裝形式帶來不(bu)錯排熱特性(xing),適(shi)用不(bu)利學習環境(jing),延遲實(shi)用使(shi)用時間。
適用場面
光電(dian)子戰(EW)設施:超中小型(xing)和低耗電(dian)量功能使其(qi)被選(xuan)(xuan)為(wei)電(dian)子元器件偵查、打擾設施的期(qi)望(wang)的選(xuan)(xuan)擇。
通(tong)迅軟件:覆蓋率 S 光波和(he)C 波長,符(fu)合遙感衛(wei)星(xing)網絡通(tong)訊(xun)、無線wifi溝通(tong)等(deng)高(gao)頻(pin)廣泛應用。
統(tong)計天線系統(tong)軟件:高頻率耐腐蝕性和(he)低(di)噪音因子(zi)的提升統(tong)計天線測探測系統(tong)探快速度和(he)簽別率。
環境空間與(yu)電(dian)力衛星電(dian)力:高(gao)正規性來設(she)計需要滿足(zu)航(hang)天(tian)工(gong)程(cheng)級使用標準,采用快速路參數輸送。
珠海市立維創展高新科技是QORVO的經售商,注意給予QORVO馬力(li)變大(da)器, IC和裸(luo)集成ic,立(li)維創展擁有(you)著維持的生(sheng)產(chan)黑平臺(tai),定價好處,并很(hen)多常備現貨平臺(tai)庫(ku)存管理(li),追捧諮詢。