領域內容
發布了(le)準確時間:2019-12-23 14:15:24 查看:2051
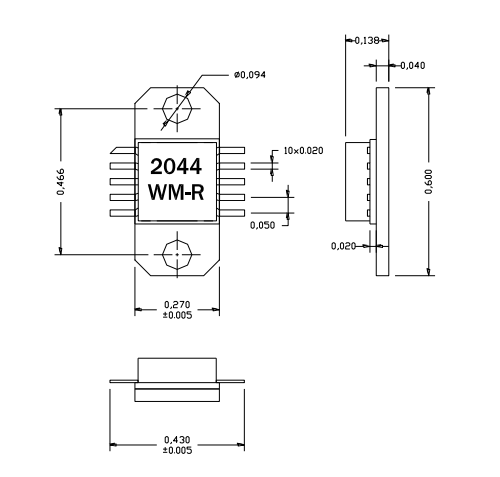
AM204437WM-EM-R是(shi)AMCOM的砷化鎵(jia)MMIC功(gong)率放(fang)大器系(xi)列的一部分。該變成用具有30分貝的(de)增(zeng)益和(he)在2.2到4.2GHz頻(pin)帶上輸出37dBm的(de)功率。該MMIC采用陶瓷封裝(zhuang),射頻(pin)和(he)直(zhi)(zhi)流(liu)引線(xian)均位于(yu)較(jiao)低(di)層次的(de)封裝(zhuang)便于(yu)低(di)成本的(de)SMT組裝(zhuang)到PC板上。由于(yu)高直(zhi)(zhi)流(liu)功耗,我們強烈建議將(jiang)這(zhe)些設備(bei)直(zhi)(zhi)接(jie)安(an)裝(zhuang)在金屬(shu)散熱(re)器上。AM204437WM-FM-R是AM204437WM-BM-R安(an)裝(zhuang)在鍍(du)金銅法蘭托架(jia)上。EM包的(de)占用空間與FM包相同直(zhi)(zhi)導(dao)線(xian)和(he)銅/鎢法蘭代替(ti)銅法蘭。法蘭上有兩個螺孔以便于(yu)擰上金屬(shu)散熱(re)器。這(zhe)個MMIC是符合RoHS的(de)。

AM204437WM-EM-R操作
無線路由(you)智(zhi)能(neng)互聯系統網接通(tong)
無線(xian)路由原(yuan)生環路
雙線無線路由電
AM204437WM-EM-R關鍵(jian)性規(gui)格
頻繁(fan) :2-4.4GHz
增益控制:30
P1dB(DBM):36
PSAT(DBM):37
能力:25
VD(V):8
佛山市立(li)維(wei)創展科技開(kai)發是AMCOM大公司總經銷商,其最主要微波通信寬帶網產品涉(she)及(ji)微波射頻納米線管、MMIC工作電(dian)(dian)壓(ya)變(bian)(bian)小器、混后變(bian)(bian)小器控(kong)制器、寬帶網絡變(bian)(bian)小器、高工作電(dian)(dian)壓(ya)變(bian)(bian)小器控(kong)制器、帶RF和(he)DC接觸器的(de)高輸出(chu)變(bian)(bian)大器版(ban)塊和低噪音風機源變(bian)(bian)大器,輸出(chu)變(bian)(bian)大器,電開(kai)關,衰減器,移相(xiang)器甚至上/下(xia)方變頻器的(de)定(ding)制網站。