欧美亚洲一区-欧美激情一区-欧洲一区二区-欧美激情一区二区

AM204437WM-EM-R S/C波段寬帶功率放大器
AM204437WM-EM-R S/C波段寬帶功率放大器
決定性性能指標

頻率:2-4.4GHz

收獲:30

P1dB(DBM):36

PSAT(DBM)37

:25

VD(V)8



品牌:AMCOM

物品信息說明

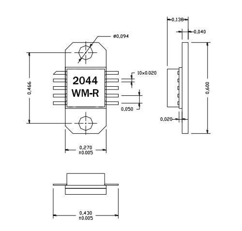
AM204437WM-BM/EM/FM-R是砷化鎵MMIC工率調小器系例的這組成部分。它在2.2到4.2GHzk線有30dB的收獲和37dBm的所在瓦數。該MMIC就是一個衛浴陶瓷二極管裝封,rf射頻和直流電引線都會在二極管裝封的較低的層次,以便于低生產成本的SMT裝設到PC板上。當會直接的安裝到彩色印刷集成運放板上時,請參閱軟件應用表示AN700。仍然高直流電顯卡功耗,當我們很強建意將這樣機械隨時安轉在材料散熱管片上。AM204437WM-FM-R是使用在電鍍金銅法蘭部底托上的AM204437WM-BM-R。EM裝封與FM芯片封裝兼有一模一樣的土地征用總建筑面積,選取直輸電線和銅/鎢蝶閥蝶閥法蘭盤用作銅蝶閥蝶閥法蘭盤。蝶閥蝶閥法蘭盤上帶兩人螺孔,以便于擰到五金水冷器上。這樣的MMIC是非常符合RoHS的。

結構特征

從2.0到4.4GHz的聯通寬帶

高工作輸出熱效率,Psat=37dBm

高增加收益,30dB

基本配備;50歐姆輸入/轉換抗阻

技術應用

無限互連網傳輸

移動原生環路

雙重無線網電