餐飲行業手游資訊
發布(bu)消息時光:2019-12-23 14:24:05 手(shou)機瀏覽:1962
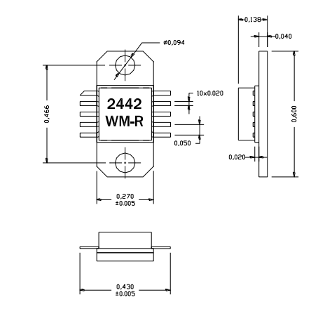
AM244236WM-EM-R是AMCOM的(de)(de)砷化(hua)鎵(jia)MMIC功率(lv)放大器系列(lie)的(de)(de)一(yi)部分。它有31分貝的(de)(de)增(zeng)益和(he)在2.4到4.2GHz頻帶上(shang)(shang)輸出(chu)36dBm的(de)(de)功率(lv)。這個MMIC是一(yi)個陶瓷封(feng)裝(zhuang)(zhuang),有射頻和(he)直(zhi)流(liu)(liu)引線在較低層(ceng)次的(de)(de)封(feng)裝(zhuang)(zhuang),以方便低成本的(de)(de)SMT組(zu)裝(zhuang)(zhuang)到PC板。由于高直(zhi)流(liu)(liu)功耗,我們建議將(jiang)這些(xie)設備直(zhi)接安裝(zhuang)(zhuang)在金屬(shu)散(san)熱器上(shang)(shang)。AM244236WM-FM-R是AM244236WM-BM-R安裝(zhuang)(zhuang)在鍍(du)金銅法(fa)(fa)蘭(lan)托架上(shang)(shang)。EM包與帶直(zhi)管和(he)銅/鎢法(fa)(fa)蘭(lan)而不是銅法(fa)(fa)蘭(lan)的(de)(de)FM封(feng)裝(zhuang)(zhuang)。有兩個法(fa)(fa)蘭(lan)上(shang)(shang)的(de)(de)螺孔便于擰到金屬(shu)散(san)熱器上(shang)(shang)。這個MMIC是符合RoHS的(de)(de)。

AM244236WM-EM-R適用
wifi手機智(zhi)能互聯機連結
無線網本(ben)地(di)化(hua)環路(lu)
雙項無線路由(you)電(dian)
AM244236WM-EM-R注重參(can)數值(zhi)
幾(ji)率:2.4-4.2GHz
增加收益:31
P1dB(DBM):36
PSAT(DBM):36.5
效果(guo):30
VD(V):8
武漢(han)市立維創展科技(ji)開發是AMCOM子公司總一級代理,其常(chang)見微波加熱寬帶(dai)網(wang)絡好產品包涵微波射頻納米(mi)線管、MMIC電功效(xiao)(xiao)放(fang)(fang)小(xiao)器(qi)、混(hun)合著放(fang)(fang)小(xiao)器(qi)接(jie)口、帶(dai)寬放(fang)(fang)小(xiao)器(qi)、高(gao)電功效(xiao)(xiao)放(fang)(fang)小(xiao)器(qi)接(jie)口、帶(dai)RF和DC連(lian)入器(qi)的高(gao)工作效率變大器(qi)方案和低躁音變大器(qi),工作效率變大器(qi),旋轉開(kai)關(guan),衰減器(qi),移相器(qi)及及上(shang)/下(xia)部變頻式器的(de)自定義。