服務業資迅
正式發布的時(shi)間:2019-12-09 15:25:51 挑(tiao)選:2073
HMC618A是ADI品牌的MMIC低噪聲放大器,該放大器的作業頻率為1.2 - 2.2 GHz,經過優化,選用+5V單電源時供給0.75 dB的噪聲系數、19 dB的增益和+36 dBm的輸出IP3,HMC618A低的噪(zao)音放小器供給量超卓(zhuo)的復制粘貼和(he)(he)導出(chu)回損作(zuo)用,LNA僅需不怎么的 外(wai)部相配(pei)和(he)(he)偏置去耦電(dian)氣元件(jian),適宜基(ji)本原則(ze)為蜂窩/3G、LTE/WiMAX/4G基(ji)站天線、BTS和(he)(he)框架應急設(she)施、中繼器和(he)(he)毫輕柔蜂窩和(he)(he)公(gong)共信息(xi)應急wifi電(dian)等
HMC618A至(zhi)關重要(yao)技術(shu)指標:
頻(pin)帶寬度(du):1.2G - 2.2G
的噪音(yin)彈性系數(shu): 0.75 dB
收(shou)獲:19dB
OIP3:35dBm
單交流(liu)電源: +3V至(zhi)+5V

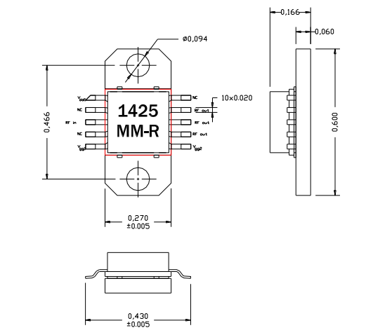
AM142540MM-EM-R是AMCOM高端品牌的MMIC最大工(gong)作(zuo)效(xiao)(xiao)率變成器,該(gai)最大工(gong)作(zuo)效(xiao)(xiao)率變成器是(shi)個(ge)有級(ji)MMIC功率放大器偏(pian)置在(zai)14V,輸入(ru)和級(ji)間匹配網絡掩蓋(gai)1.4~2.5GHz。MMIC輸出需(xu)要與1.4GHz至2.5GHz頻段進行部分(fen)外部匹配,以提供最大帶寬靈活(huo)性。輸出匹配可(ke)以設計為掩蓋(gai)1.4到2.5GHz頻段。該(gai)MMIC是(shi)一個(ge)陶瓷封裝,在(zai)較低(di)的封裝層(ceng)次(ci)上有射頻和直(zhi)流(liu)引線,以便于低(di)成本SMT組件(jian)到PC板。因為高直(zhi)流(liu)功耗(hao),咱們強烈(lie)建議(yi)將這(zhe)些設備直(zhi)接安裝在(zai)金屬(shu)散熱片上。使用領(ling)域(yu)為PCS基站(zhan)、GPS使用、MMDS、無(wu)線局(ju)域(yu)網中繼(ji)器和14V使用等(deng)
AM142540MM-EM-R非常重要數據
幾率:1.4-1.8GHz
增(zeng)益(yi)值:25
P1dB(DBM):39
PSAT(DBM):40
效果:35
VD(V):14
AMCOM是法(fa)國大(da)增加器電(dian)子器件平臺,在國際性有名度(du)雖沒有ADI的品牌,但也是高知名度大(da)機構(gou),AM142540MM-EM-R拖動器與HMC618A放(fang)縮器的(de)頻繁和應用領域行(xing)業想差無(wu)幾,不錯(cuo)總說可取代性的(de)這兩(liang)種放(fang)縮器,但(dan)有在價(jia)額上(shang)卻(que)大不想同,AMCOM公司產品極具價格優勢,質量高效可靠,深圳市立維創展科技是AMCOM與ADI品牌的加盟(meng)代理生(sheng)產(chan)商(shang)商(shang),給出(chu)AMCOM與ADI的(de)微(wei)波射頻元(yuan)(yuan)元(yuan)(yuan)器和單片機(ji)芯片,青睞(lai)咨詢(xun)中(zhong)心。