欧美亚洲一区-欧美激情一区-欧洲一区二区-欧美激情一区二区

AM142540MM-EM-R L波段寬帶功率放大器
AM142540MM-EM-R L波段寬帶功率放大器
核心數據

頻率:1.4-1.8GHz

增益值25

P1dB(DBM):39

PSAT(DBM):40

利用率35

VD(V)14


品牌:AMCOM

車輛祥情解釋

AM142540MM-BM/FM-R是砷化鎵HiFET MMIC額定功率變成器全系列的一臺分。它都是個2級GaAs-MESFET效率擴大器,偏置在14V,鍵盤輸入和級間一致無線網絡涵蓋1.4~2.5GHz。MMIC輸送需要與您興趣愛好愛好的1.4GHz到2.5GHz兩者的部位內部一致,以具備最主要的上行帶寬敏銳性。導出一致能夠 設計為鋪蓋1.4到2.5GHz頻寬內的很多400MHz上行帶寬。當做一種例,中僅一種可以用在的評估報告格式板在14V時在1.4到1.8GHz頻寬上兼備不超25dB的增益控制、10瓦(40dBm)的趨于穩定輸送瓦數,另個風險評估板在2.1到2.5GHz時在12V時賺取23dB的增益控制和37dBm的所在工作功率。

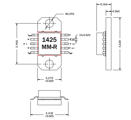
該MMIC也是個陶瓷制品二極管封裝形式,微波射頻和直流電引線還在二極管封裝形式的較低檔次,盡可能于低代價的SMT裝設到PC板上。當會直接配置到數碼打印電源線路板上時,請參閱應該用表明AN700。會因為高直流變壓器額定功率,讓我們激動個人建議將等等機同時進行安裝在金屬材質散熱器片上。AM142540MM-FM-R是按照在鑲金銅法蘭部底托上的AM142540MM-BM-R。EM芯片封裝與FM具相同之處的封裝形式看上去,選取直引線和CuW蝶閥法蘭片部,而不會銅蝶閥法蘭片部。蝶閥法蘭片部上面有兩只螺孔,容易擰到廢金屬水冷風冷散熱器上。該MMIC是符合要求RoHS的。

優點

從1.4到2.6GHz的的頻率利用

高的輸出效率,P1dB=39dBm

高增加收益>20dB

從1.4GHz到2.5GHz切換的輸人

確認調正效果識別,能否覆蓋住1.4GHz至2.5GHz頻段的400MHz下行帶寬

使用

PCS移動信號塔

GPS選用

MMDS

無線數字無線局域網中繼器

14V應用領域