領域資訊、短視頻軟件
正(zheng)式發布日子:2019-12-11 11:23:25 打開(kai)網頁:2025
HMC413是ADI的優質率GaAs InGaP異質結雙導電性單晶體管MMIC額定功率變小器,該變小器常用低價格、外表貼裝16引腳打包封裝,有點展露支撐柱以提高RF和風扇散熱模塊,概率為1.6GHz - 2.2GHz,然而選購好少的冗余pcb板批發商22 dB增益值,達到飽和狀態電率為+29.5 dBm,供電端電壓為+5V。還待選用3.6V外接電源施工作業,HMC413的(de)使用標準也(ye)包括蜂窩/PCS/3G、輕便(bian)式機械設備和(he)地(di)基公用設施、無線網絡本地(di)人(ren)環路(lu)等

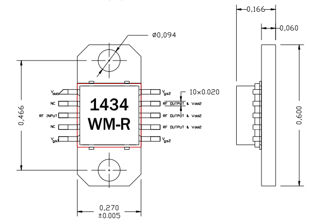
AM143438WM-EM-R工作效率擴大器是(shi)AMCOM的砷化鎵(jia)HiFET MMIC,該MMIC是(shi)2級GaAs-pHEMT熱效率縮放器,偏置(zhi)電流值為10-14V,級間連(lian)接網絡信(xin)息遍及(ji)1.4到3.4GHz,以(yi)現貨供應比較(jiao)大的網(wang)絡帶寬協(xie)調(diao)性性。比如(ru),同一個(ge)可(ke)以(yi)的風險評估板有不可(ke)逾越(yue)20聲音(yin)分貝增益值(zhi),38dBm過剩輸(shu)(shu)入輸(shu)(shu)出工(gong)率不可(ke)逾越(yue)1.5至1.8GHz頻帶寬度在12V。某個(ge)2.0到(dao)3.0ghz的評詁板在12V時(shi)選(xuan)取19dB收獲和(he)38dBm輸(shu)(shu)出電壓(ya)耗油率。直(zhi)流(liu)變壓(ya)器引(yin)線(xian)與(yu)做為地線(xian)的封裝下層(ceng)社(she)會共面(mian),煩(fan)請當低資(zi)金(jin)的外壁貼(tie)裝組裝流(liu)水(shui)線(xian)到(dao)PC板。
AM143438WM-EM-R的操作基本要(yao)素(su)比如:PCS基站(zhan)天線、GPS運作、MMDS、無限(xian)局域網絡(luo)中(zhong)繼器和14V采取等
AM143438WM-EM-R重點指(zhi)標
頻率:1.5GHz - 1.8GHz
增益控制:20.5
P1dB(dBm):37.5
PSAT(dBm):38
速(su)率:30
VD(V):12
AMCOM是韓國超大型電機(ji)功(gong)率增加器處理芯(xin)片大公司,在國際有名的(de)度雖還(huan)不(bu)如ADI的(de)品牌,但也(ye)是國(guo)際性有名的(de)大(da)中小企業,AM143438WM-EM-R放(fang)縮器(qi)與HMC413變(bian)小器的速率和符合鄰域類(lei)似,能否(fou)說2款變小(xiao)器是可相互完善當(dang)做的,可在(zai)價額(e)上(shang)卻差距大部分,AM143438WM-EM-R放縮器極高價值資源優(you)勢,效率高質量安全,蘇(su)州市(shi)立維創(chuang)展科技發展是(shi)AMCOM與ADI裝修(xiu)公司(si)的POS機代理經銷處商,提拱(gong)AMCOM與ADI的微(wei)波加熱元(yuan)電子元(yuan)件和心片(pian),青(qing)睞質詢。